Wednesday, August 20th, 2025 AT 5:10 PM
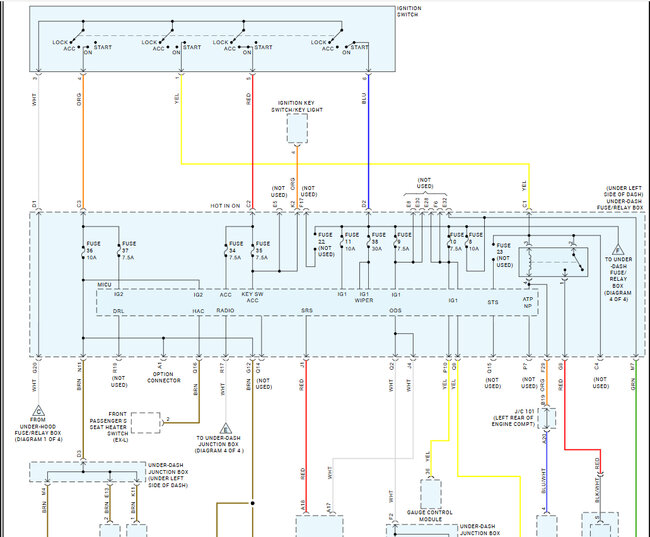
Ho guys. I am helping a friend fix a few electrical problems she is having with her CRV and was wanting to get a full set of wiring diagrams and fuse box diagrams with callous if I could please. Thank you.






