Wiring diagram for the radio climate, parking brake, reverse wire needed?

Tiny
PLACES MARK
  • MEMBER
  • 2015 FORD F-150
  • 3.5L
  • V6
  • 4WD
  • AUTOMATIC
  • 189,097 MILES
Looking for parking brake, reverse and speed control wire.
Monday, September 1st, 2025 AT 11:46 AM

1 Reply

Tiny
KEN L
  • MASTER CERTIFIED MECHANIC
  • 55,481 POSTS
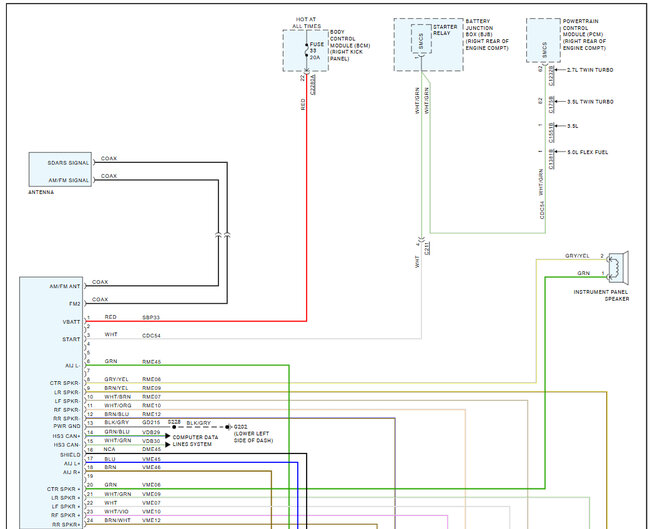
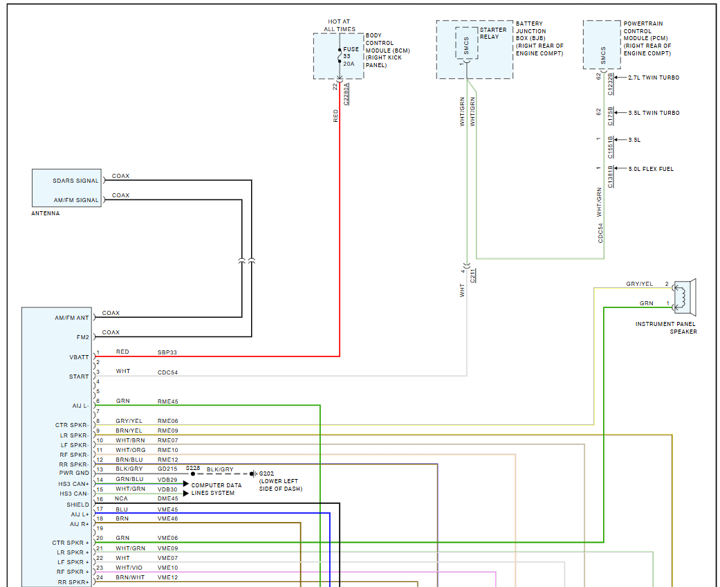
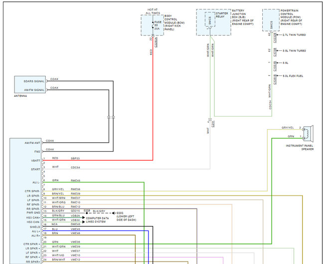
We only handle one problem per thread. please start other threads for the additional systems. Here is he wiring for the radio. Please post your new question here, you must be logged in.

https://www.2carpros.com/questions/new

Check out the images (below). Let us know if you need anything else.
Was this
answer
helpful?
Yes
No
Wednesday, September 3rd, 2025 AT 8:26 AM

Please login or register to post a reply.