Wednesday, November 11th, 2020 AT 5:33 PM
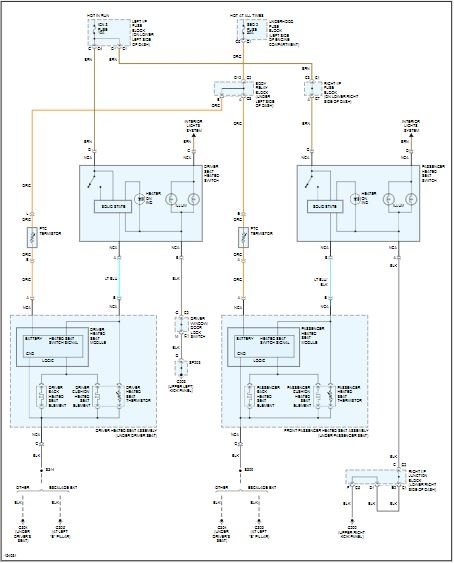
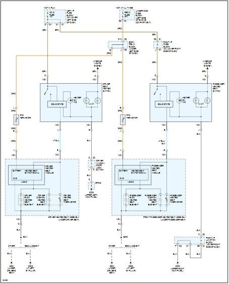
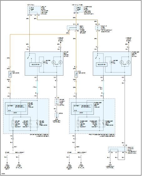
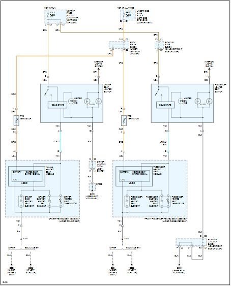
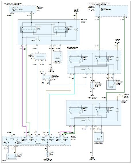
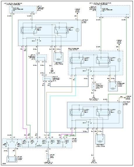
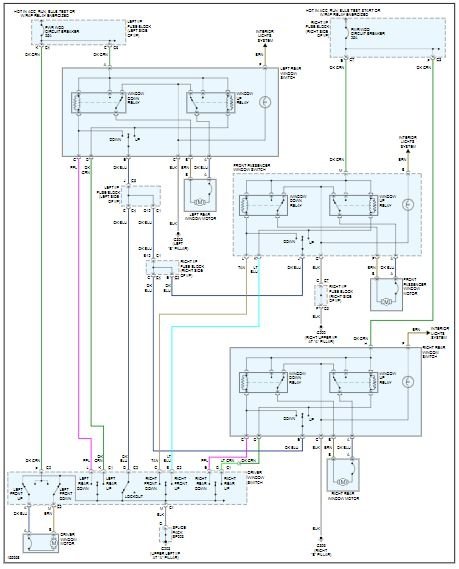
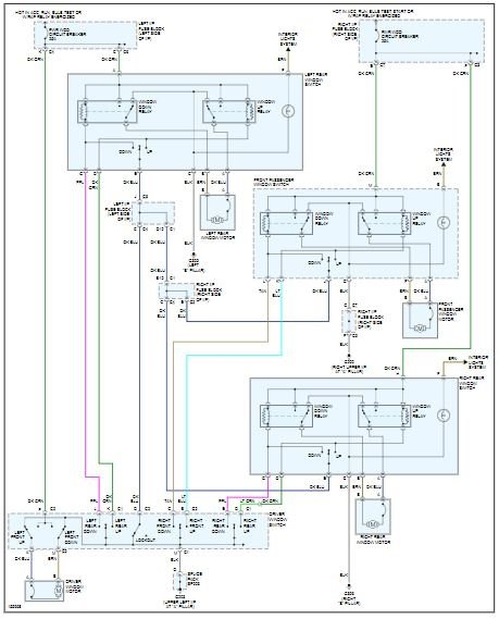
Thank you this will serve me. Also but I would especially like to have the wiring diagram of electric glass and the heated and electric seat of the truck listed above 1500HD 2002 crew cab.





