Can I get the wiring diagram for the inside drivers side headlight?

Tiny
LANCE214
  • MEMBER
  • 2020 FORD FUSION
  • 1.5L
  • 4 CYL
  • 2WD
  • AUTOMATIC
  • 69,000 MILES
I cut the wires on the headlight assembly and forgot to write down where they all came from and where on the plug they go.
Friday, May 12th, 2023 AT 3:41 PM

16 Replies

Tiny
JACOBANDNICKOLAS
  • MECHANIC
  • 110,192 POSTS
Hi,

That isn't good. LOL

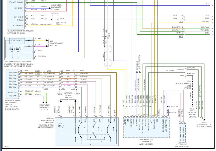
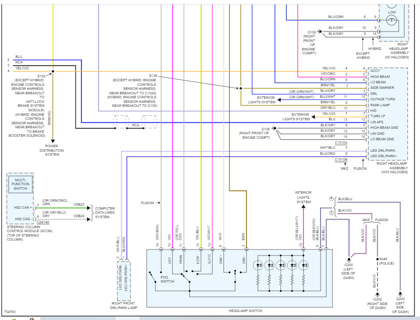
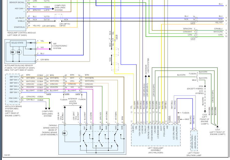
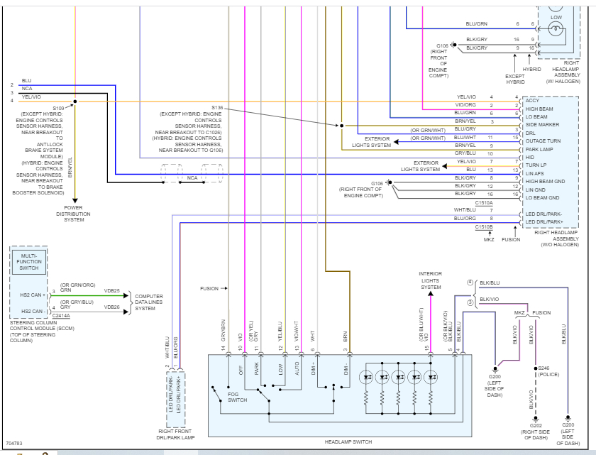
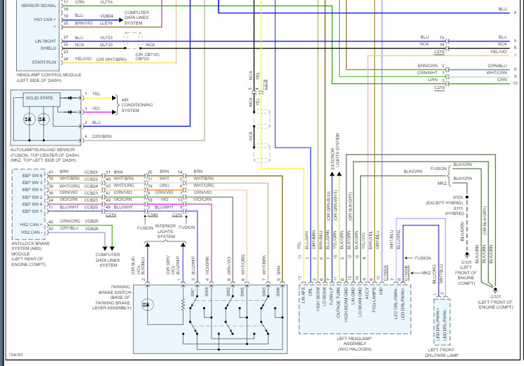
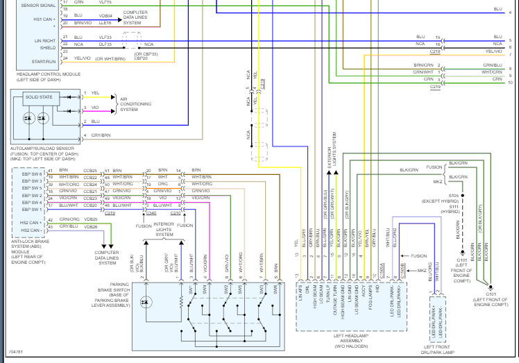
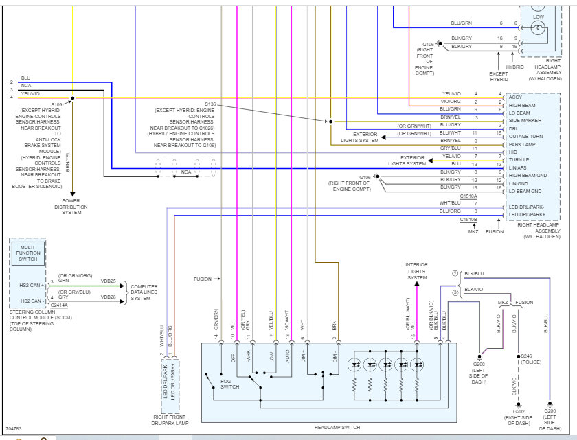
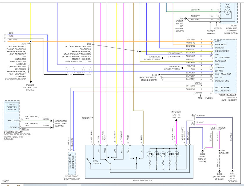
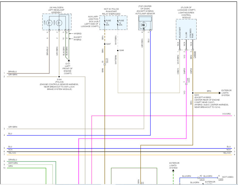
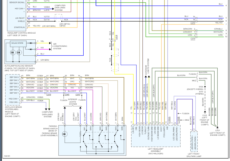
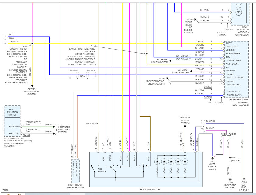
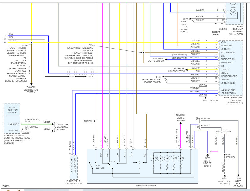
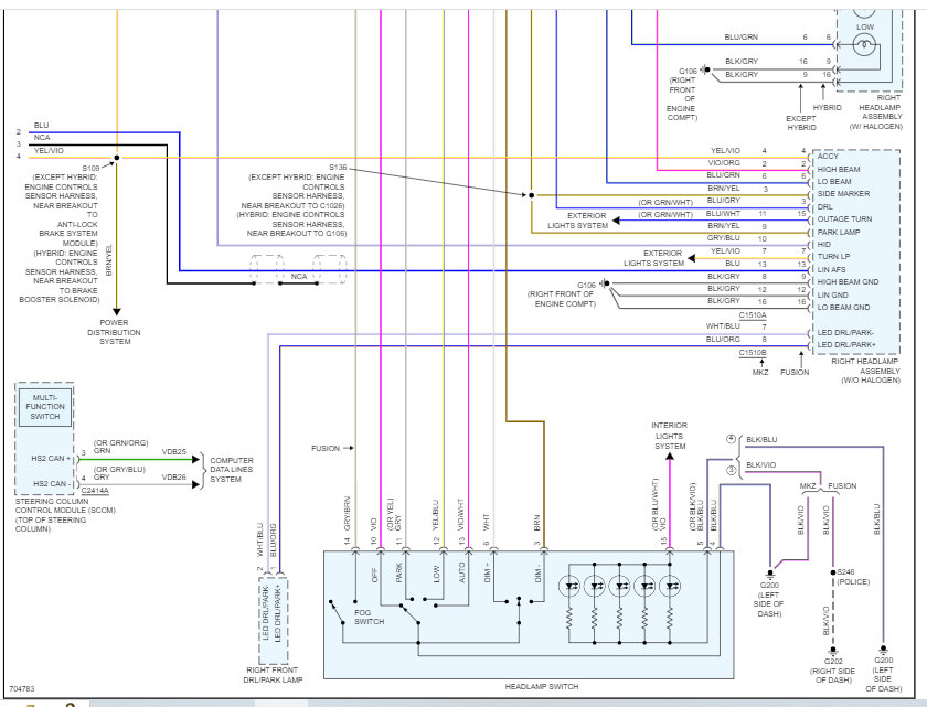
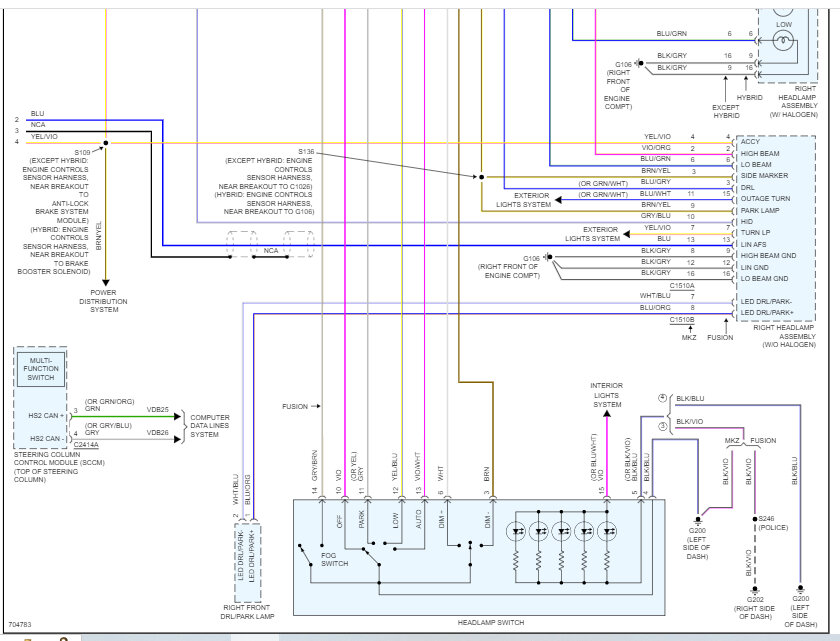
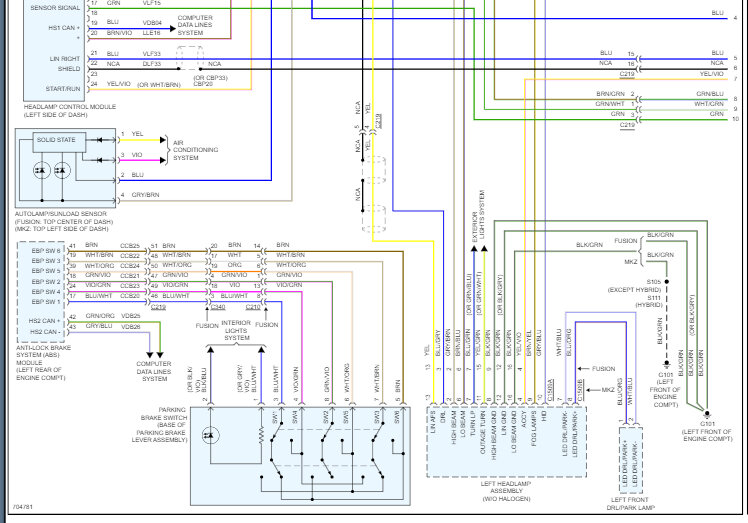
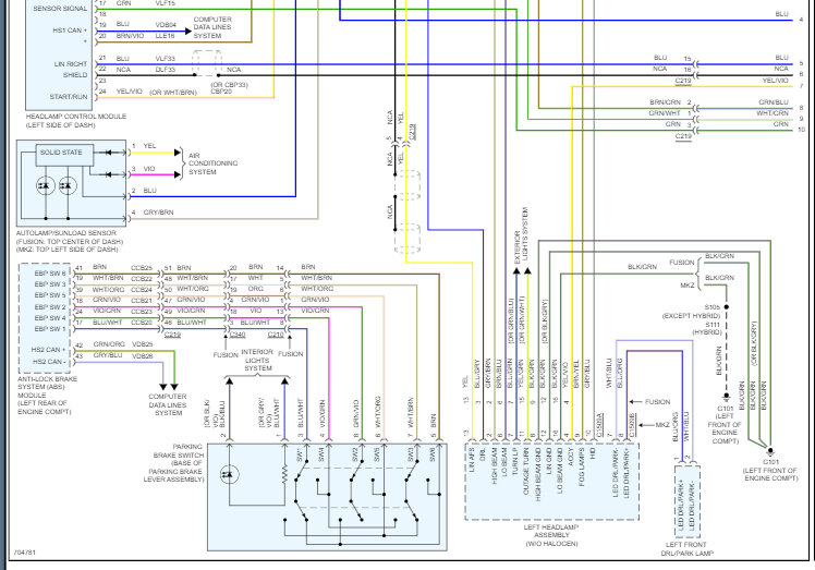
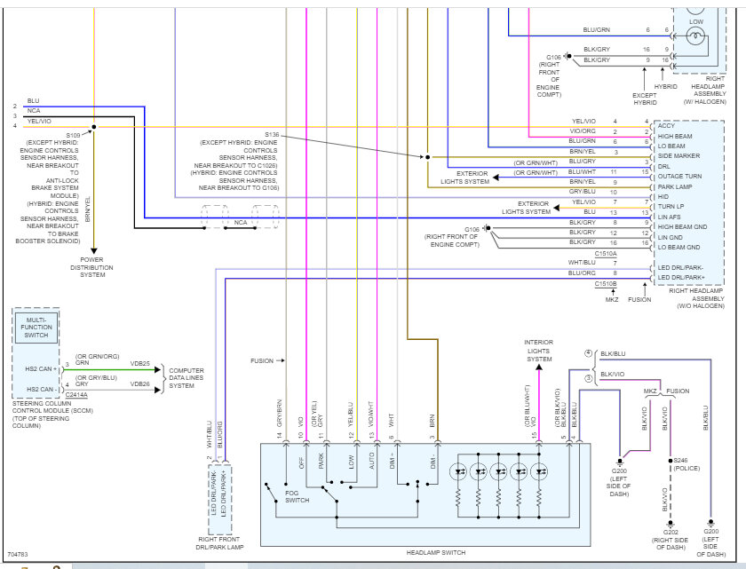
If you look below, I attached the entire headlamp wiring schematic. Take a look through them and let me know if this helps or if you have other questions.

Let me know if you have questions or if I can help.

Take care,

Joe

See pics below. : Note: The schematics were three pages. I cut each one in half to make them readable for you. I did overlap them so you can follow from one to the next.
Was this
answer
helpful?
Yes
No
-2
Friday, May 12th, 2023 AT 10:26 PM
Tiny
LANCE214
  • MEMBER
  • 12 POSTS
The headlight plug from the inside of the headlight plug, the wires are all black and I can't figure out where they go to the outside plug where they plug into the plug under the hood the one with all the colored wires.
Was this
answer
helpful?
Yes
No
Saturday, May 13th, 2023 AT 12:11 PM
Tiny
LANCE214
  • MEMBER
  • 12 POSTS
That's the plug from inside the headlight.
Was this
answer
helpful?
Yes
No
Saturday, May 13th, 2023 AT 12:17 PM
Tiny
LANCE214
  • MEMBER
  • 12 POSTS
There are 2 black wires from the side marker light which one I believe goes to the turn signal bulb the other goes to the harness. The turn signal bulb has 3 black wires hooked to it which only 2 go to the harness. There are 2 black wires coming from the low beam to the harness. There are 2 black wires coming from the high beam to the harness. All on inside of headlight assembly to the headlight assembly harness plug. That plug plugs into the under-hood harness that has multiple-colored wires. I just need to know where each black wires go so I can put my headlight assembly back together and in the car. The pictures are nice but don't know where the 2 harnesses plug back together on the pictures. Sorry if I'm confusing you but I'm super confused about all the black wires inside the assembly.
Was this
answer
helpful?
Yes
No
Saturday, May 13th, 2023 AT 4:05 PM
Tiny
LANCE214
  • MEMBER
  • 12 POSTS
I guess I'm asking which black wires goes to what pin on the assembly harness plug.
Was this
answer
helpful?
Yes
No
Saturday, May 13th, 2023 AT 4:07 PM
Tiny
JACOBANDNICKOLAS
  • MECHANIC
  • 110,192 POSTS
Hi,

As far as a solid black wire, the schematic doesn't show one. There is one that is black with a green tracer.

If you look below, I attached the pinout of the left headlamp assembly. Take a look and let me know if that helps at all.

Joe

See pics below.
Was this
answer
helpful?
Yes
No
Sunday, May 14th, 2023 AT 7:21 PM
Tiny
LANCE214
  • MEMBER
  • 12 POSTS
My plug has 16 pins not 12.
Was this
answer
helpful?
Yes
No
Monday, May 15th, 2023 AT 2:57 PM
Tiny
JACOBANDNICKOLAS
  • MECHANIC
  • 110,192 POSTS
Hi,

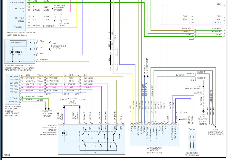
There are two different connectors used. I have no idea why. I did find the 16-pin connector. I attached pics below that provide what you need. It is connector number C1509A.

Note: Because of the number of pins, I had to break the pic into 4 parts. Take a look and let me know if that helps.

Take care,

Joe

See pics below.
Was this
answer
helpful?
Yes
No
Monday, May 15th, 2023 AT 7:46 PM
Tiny
LANCE214
  • MEMBER
  • 12 POSTS
I didn't realize my car is a 2.5 liter. I'm not sure if they used the same harness and wire colors? I believe I have matched it all together right but just wanted to double check with you. Thanks for the help.
Was this
answer
helpful?
Yes
No
Monday, May 15th, 2023 AT 11:20 PM
Tiny
JACOBANDNICKOLAS
  • MECHANIC
  • 110,192 POSTS
Hi,

Yes, the harness is still the same one. Is everything working properly for you now? Is the above connector the correct one for your vehicle?

Let me know.

Joe
Was this
answer
helpful?
Yes
No
Tuesday, May 16th, 2023 AT 7:30 PM
Tiny
LANCE214
  • MEMBER
  • 12 POSTS
The side marker light and parking light are tied together on pin 1. The turn signal is tied to pin 7. On the little socket for the parking/turn signal it snapped off one of the clips. I thought there were only 2 wires on the positive side and 2 on the negative side leaving 1 positive and 1 negative wire to go to the connector pins. So, I tied another wire to the positive side for the turn signal pin. I have not put it back in the car as of yet. So my question is will what I did with the wires make those 3 lights work right? So, I now have 3 wires tied to the positive side of the socket and 2 to the negative side. On the positive side 1 goes to side marker, 1 goes to the parking light pin, and 1 goes to the turn signal pin. Does that sound right? All the diagram pictures I have looked at doesn't show the side marker wires on them. It's a halogen headlight assembly but a LED side marker light. Hopefully, it's right so I can put the darn thing back in. Thank you for your help.
Was this
answer
helpful?
Yes
No
Thursday, May 18th, 2023 AT 1:00 PM
Tiny
JACOBANDNICKOLAS
  • MECHANIC
  • 110,192 POSTS
Hi,

That sounds logical and should work. My only question is if having them together will cause issues with the signal lamp. That should have a separate power supply. See pic below. If you have three wires running to one power supply, either you are going to have a constant power supply, or it will only work with the signal

Can you let me know which pins have been modified?

Joe

See pic below.
Was this
answer
helpful?
Yes
No
Friday, May 19th, 2023 AT 9:11 PM
Tiny
LANCE214
  • MEMBER
  • 12 POSTS
The wires are blue/gray for the turn signal and blue/green for park and side marker. This is the way I just put it together and everything works except the turn signal. But when I turn off the lights the turn and side marker both blink. I turn the lights on everything works except for the turn signal. I'm going to try and wire up the turn signal to the next wire in line. I mean it has to be one of the two or three wires. I'm guessing one of them will work right. I'm just buying time doing this until I buy a whole new headlight assembly for the darn thing.
Was this
answer
helpful?
Yes
No
Saturday, May 20th, 2023 AT 12:28 AM
Tiny
JACOBANDNICKOLAS
  • MECHANIC
  • 110,192 POSTS
Hi,

Looking at the schematic, the two should be separate. Are there two separate bulbs related to the signal and park light? It sounds like you have both power supplies going to the same wire.

Let me know.

Joe
Was this
answer
helpful?
Yes
No
Saturday, May 20th, 2023 AT 9:03 PM
Tiny
LANCE214
  • MEMBER
  • 12 POSTS
There is one wire for the turn signal bulb and one wire for the side marker light tied together on the socket (positive side). One positive wire needs to go to turn signal pin and one wire goes to the parking light alongside the side marker light pin. One ground wire coming from the side marker is on the ground side of socket with another connected to the ground side leading to pin 9 I believe. So, the parking light and side marker light comes on when I turn on the parking lights. The headlights are both working fine. Now the turn signal will not blink with the lights. But when I turn off the lights the turn signal bulb and the side marker light both blink. I think I just have to swap the positive wire for the turn signal bulb pin to the other wire coming from the turn signal/ parking light. What do you think about it? It is the only other way I can think of it starting to work correctly. My thoughts are that I tapped into the side marker/ parking light positive wire instead of the turn signal bulb wire.
Was this
answer
helpful?
Yes
No
Sunday, May 21st, 2023 AT 8:49 PM
Tiny
JACOBANDNICKOLAS
  • MECHANIC
  • 110,192 POSTS
Hi,

That is what sounds like happened. The two need to be separate and can't be tied together. The signal wire is exclusive to the signal bulb and can't be powered with the park lights.

The park lights have constant power when the lights are on. Therefore, you don't see the flash. When the lights are turned off, then power is on/off to cause it to flash and is visible.

Let me know if you are able to get it.

Take care,

Joe
Was this
answer
helpful?
Yes
No
Sunday, May 21st, 2023 AT 9:58 PM

Please login or register to post a reply.