Monday, November 7th, 2022 AT 10:33 PM
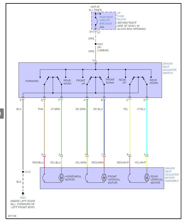
I need the wiring diagram for the driver seat power switch and motor. The seat was rusted and moves forward and backward with difficulty, but it does not move at all up or down. When the switch is turned on, the sound of the motor is heard but nothing happens. I am assuming mechanical problem but would like to test each motor separately.


