Wiring diagram for driver window Master controller needed?

Tiny
JIMMYHGM
  • MEMBER
  • 2007 GMC SIERRA
  • 4.8L
  • V8
  • 2WD
  • AUTOMATIC
  • 118,000 MILES
I have the truck listed above Classic Crew Cab the last model of the GMT800) and have no power to my driver master window controller. Is there a diagram that I may use to troubleshoot?

Thanks in advance.
Tuesday, January 28th, 2025 AT 2:27 PM

5 Replies

Tiny
KEN L
  • MASTER CERTIFIED MECHANIC
  • 55,538 POSTS
There is a circuit breaker style fuse that runs the system. I would use a test light to see if you have power on both sides.

https://www.2carpros.com/articles/how-to-use-a-test-light-circuit-tester

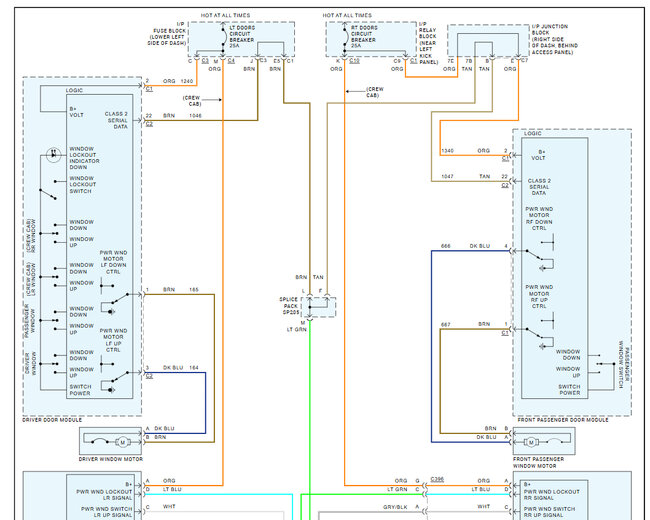
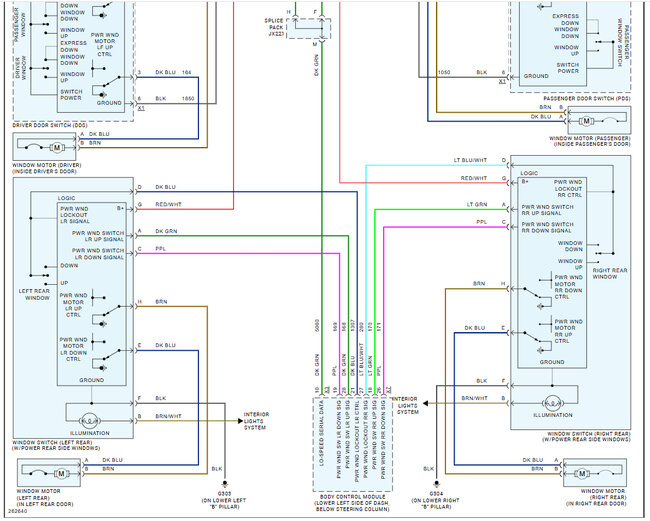
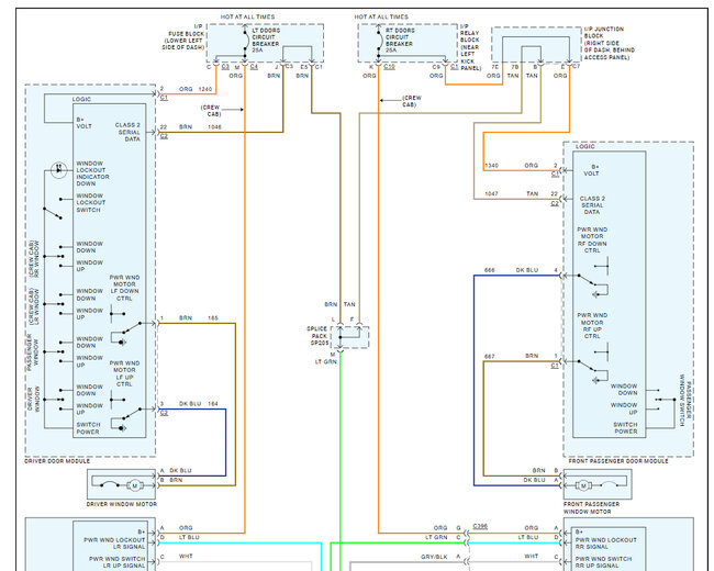
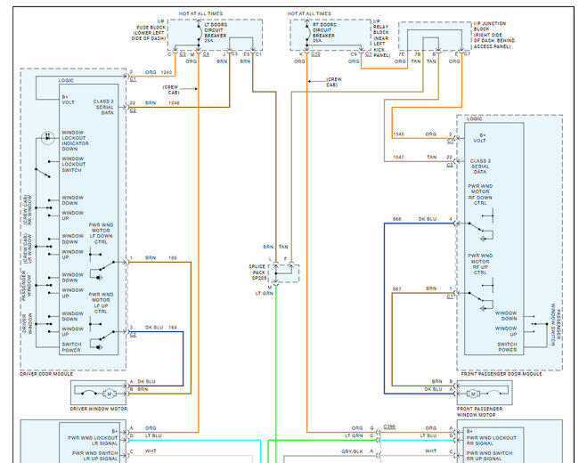
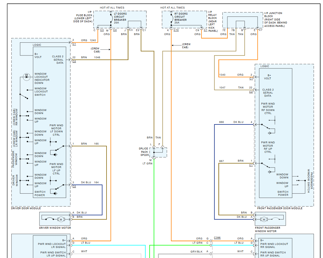
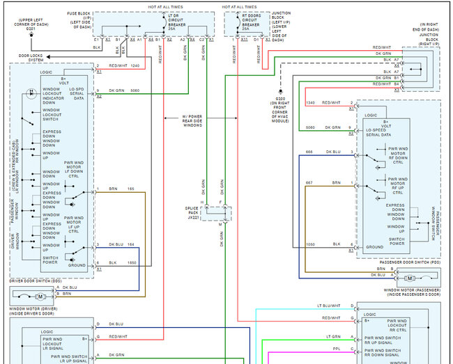
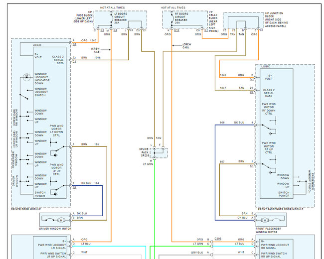
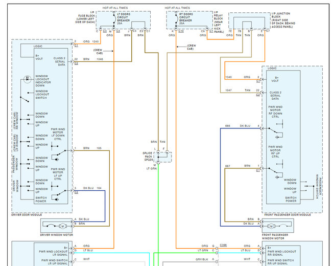
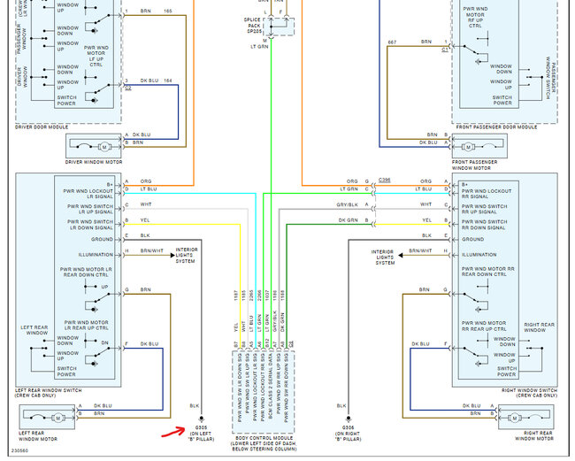
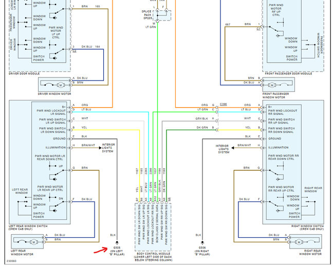
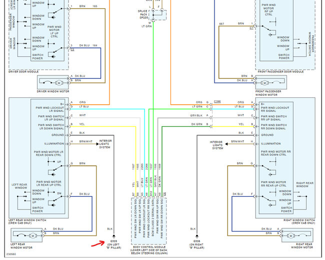
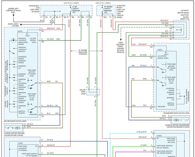
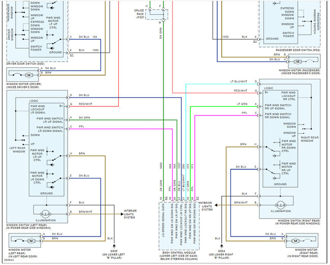
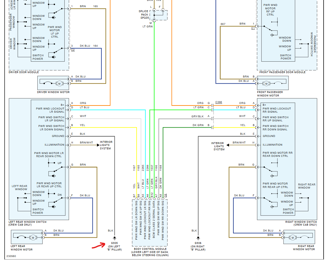
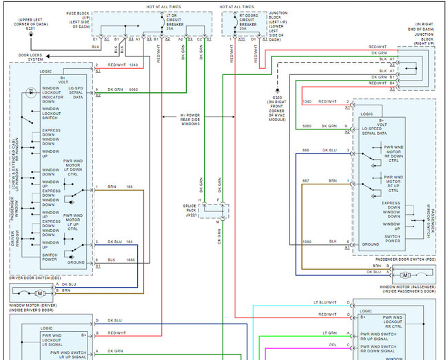
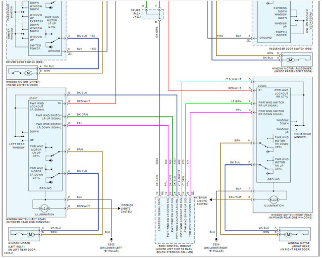
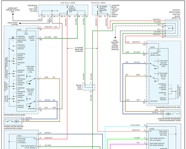
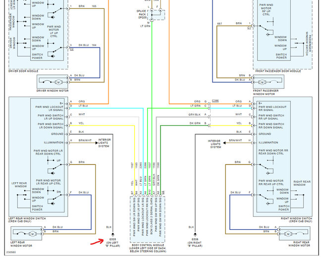
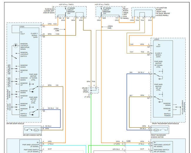
Here is the location of the breaker and the window wiring diagrams so you can see how the system works. Check out the images (below). Let us know how it goes.
Was this
answer
helpful?
Yes
No
Wednesday, January 29th, 2025 AT 10:50 AM
Tiny
JIMMYHGM
  • MEMBER
  • 3 POSTS
Thanks for the suggestion of a circuit light tester. It's a helpful tool. I verified that I do have power to the door with the tester. In addition to the main power feed to the door, I also verified that the DDM had power. I backed out the boot from the body and door and looked at the first inch of wire each side. I wasn't able to see any worn, damaged or broken wires. I also verified the 25A CB fuse was good. I've included a pic of my fuses as well as an image of the diagram. In the fuse block diagram image, a slash indicates that a fuse is unbroken but no active circuit. The X on the diagram indicates that relay does not exist in my fuse block. My plan is to work on it this weekend and remove the large wrap and chase the wires. The diagrams / schematics provided don't seem to fit with the 2007 GMC Sierra Classic. Maybe there are different diagrams / schematics for the 2006 GMC Sierra 4.8 2WD. If so, I'd be very grateful if they were posted. Thanks for the support.
Was this
answer
helpful?
Yes
No
Thursday, February 6th, 2025 AT 11:44 AM
Tiny
KEN L
  • MASTER CERTIFIED MECHANIC
  • 55,538 POSTS
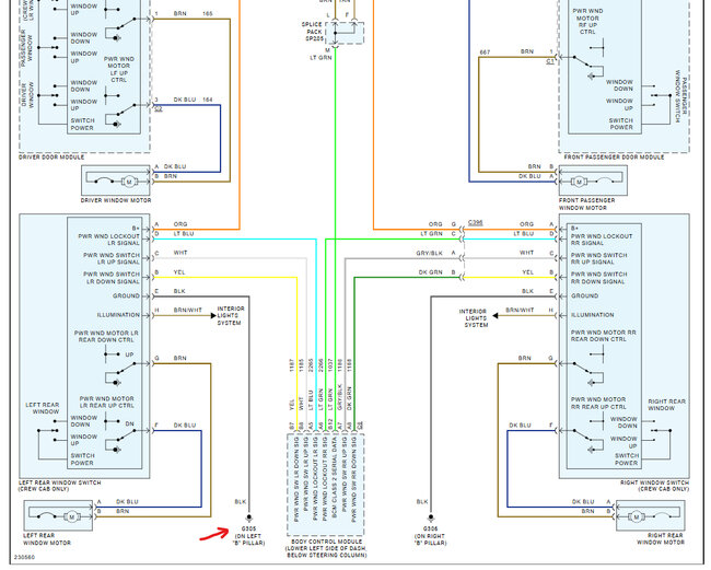
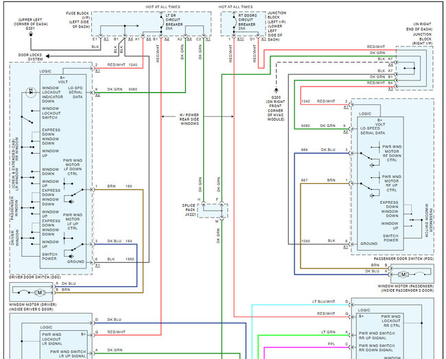
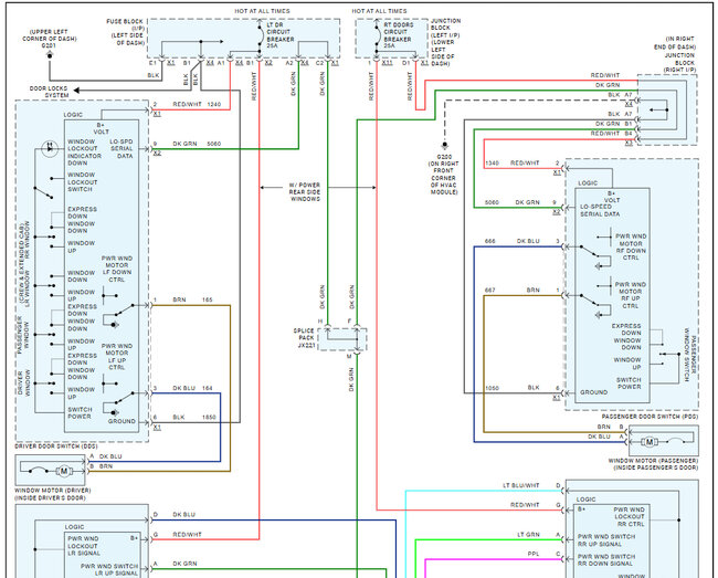
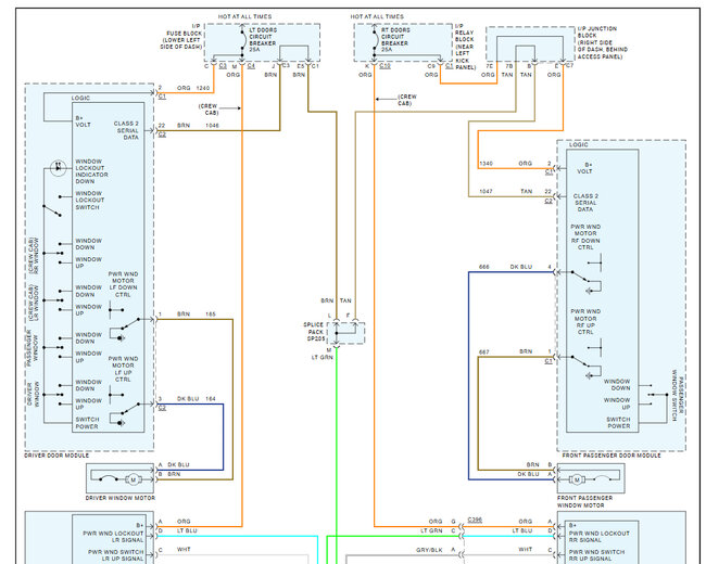
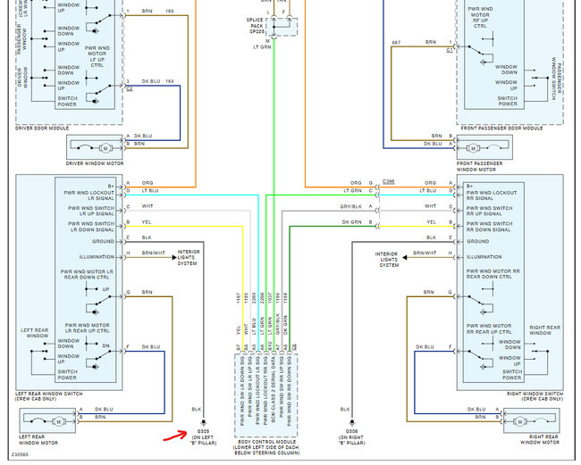
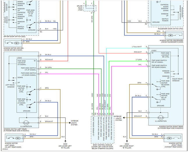
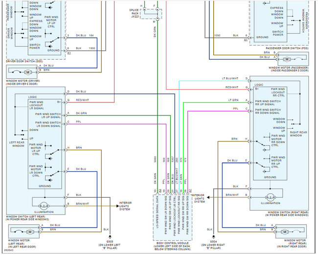
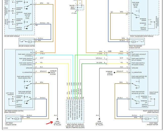
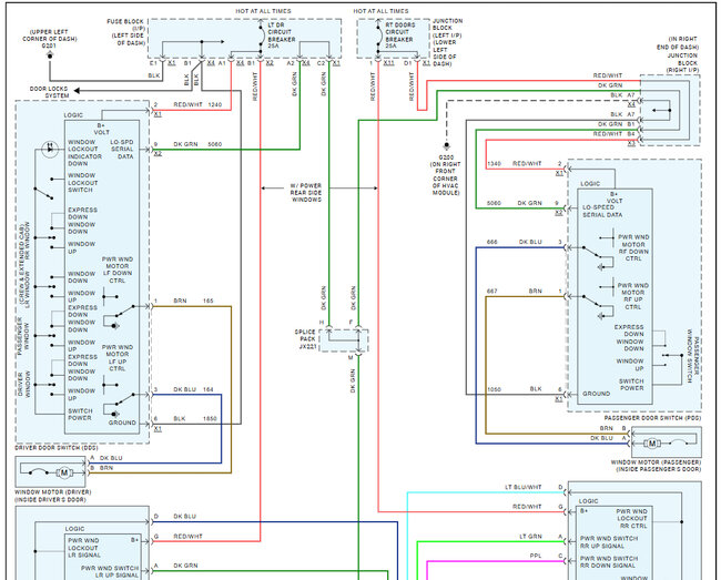
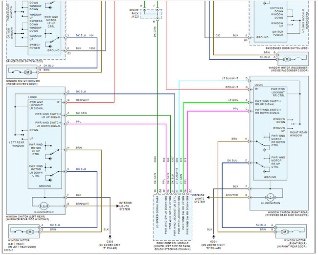
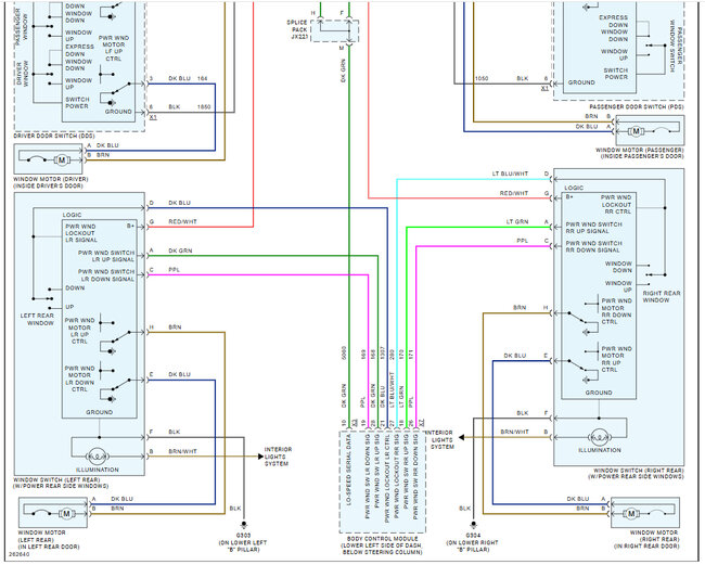
Here is the wiring diagrams for the 2006 which is a little different. See if there is power at the ORN wire at the switch and let me know, I would check the grounds also. Check out the images (below). Let us know how it goes
Was this
answer
helpful?
Yes
No
Friday, February 7th, 2025 AT 5:48 PM
Tiny
JIMMYHGM
  • MEMBER
  • 3 POSTS
Thanks for the responses. I found the issue where the ground and speaker wire had become completely severed in the boot between the body and door. Three other wires were exposed as well. I soldered and sleeved with heat shrink. All works great now. Thanks!
Was this
answer
helpful?
Yes
No
Tuesday, February 25th, 2025 AT 10:55 AM
Tiny
KEN L
  • MASTER CERTIFIED MECHANIC
  • 55,538 POSTS
You are welcome, please use 2CarPros anytime we are here to help. Can you please leave us a rating?

https://g.page/r/CZdEnyCkGgm6EB0/review

and

https://www.sitejabber.com/reviews/2carpros.com

Thank you!
Was this
answer
helpful?
Yes
No
Wednesday, February 26th, 2025 AT 8:31 AM

Please login or register to post a reply.