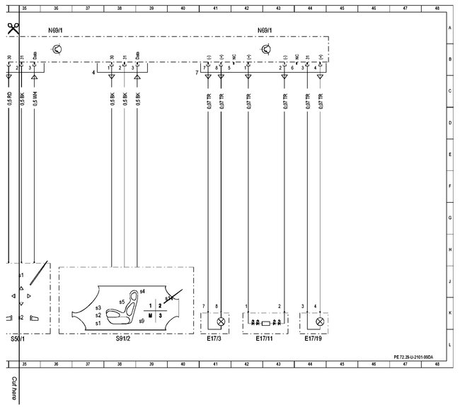
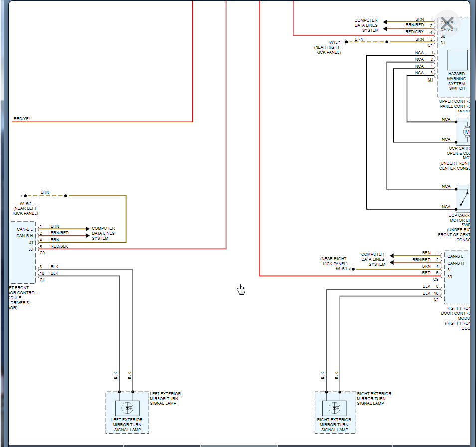
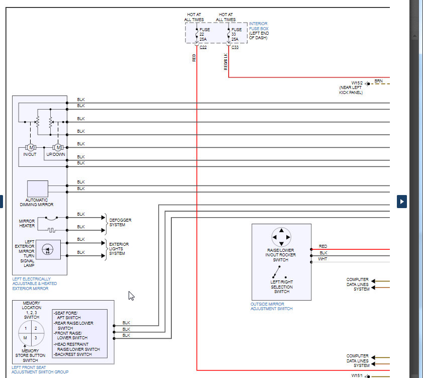
Wiring diagram drivers side power mirror, heater and turn signal wiring diagram to the DCM

Tiny
RANDY ALBRIGHT2
  • MEMBER
  • 2009 MERCEDES BENZ E350
  • 125,000 MILES
I need the wiring diagram for the DCM to the driver side mirror. For the power heated mirror and turn signal indicator. Thanks
Sunday, February 16th, 2020 AT 3:57 PM

14 Replies

Tiny
JACOBANDNICKOLAS
  • MECHANIC
  • 110,192 POSTS
Hi,

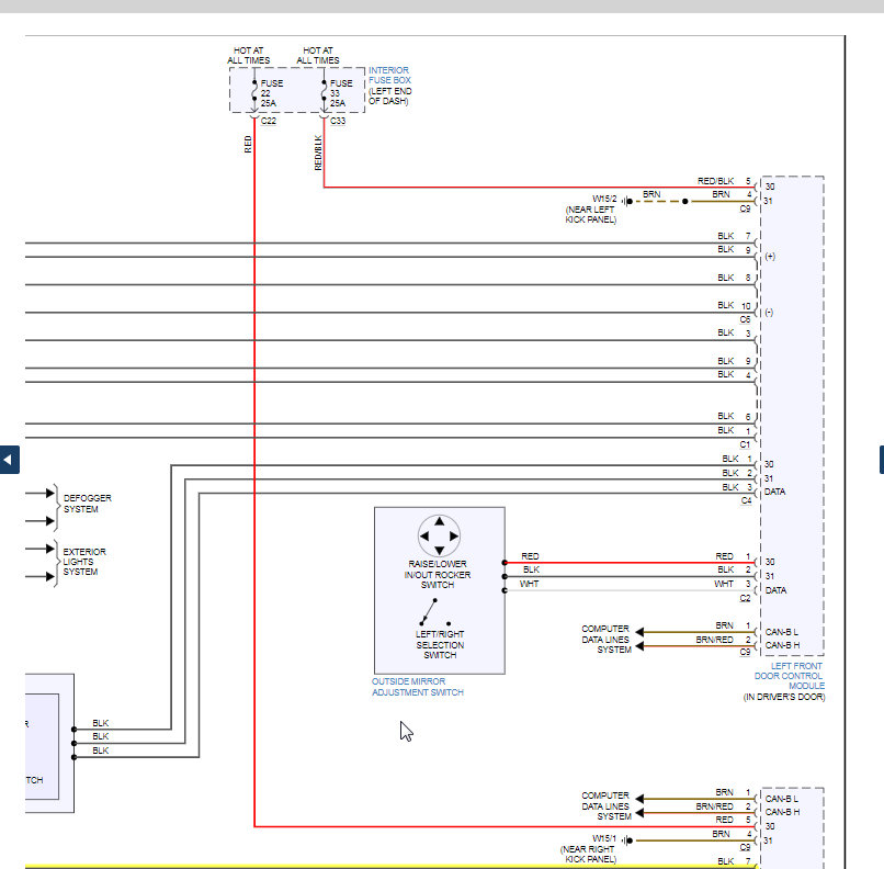
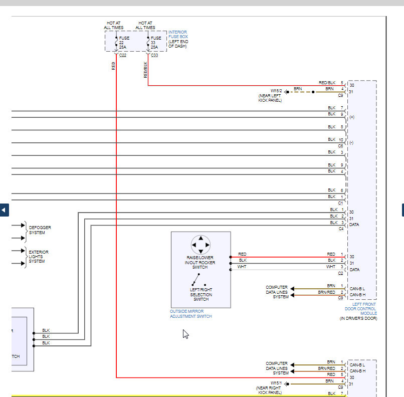
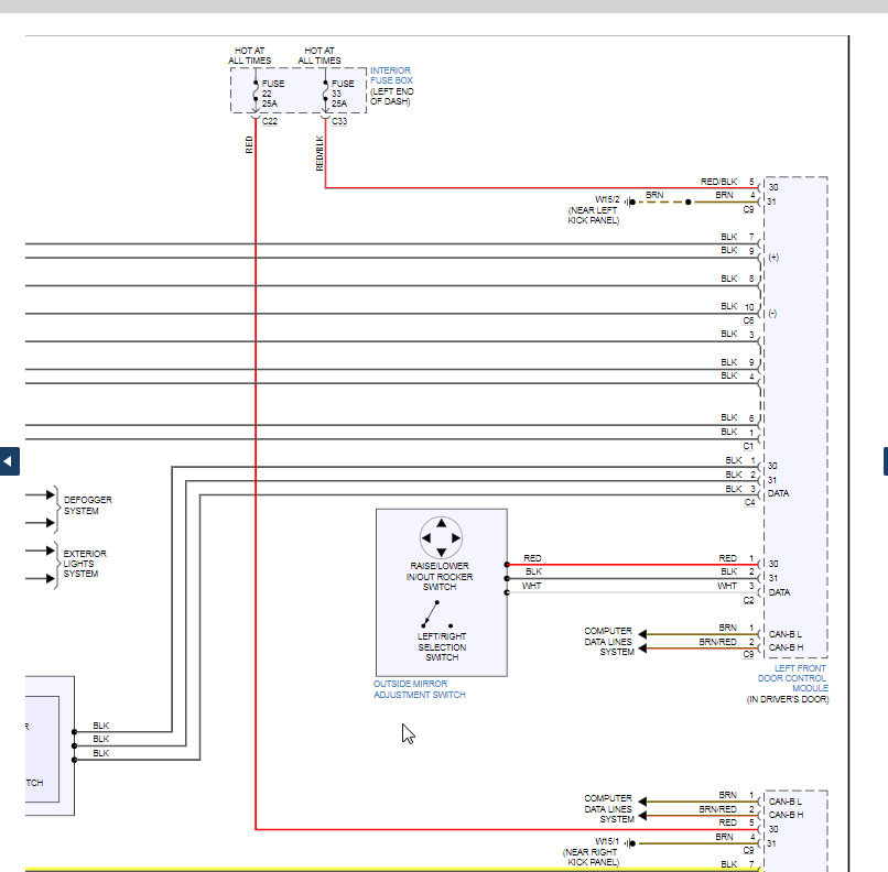
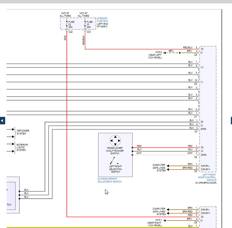
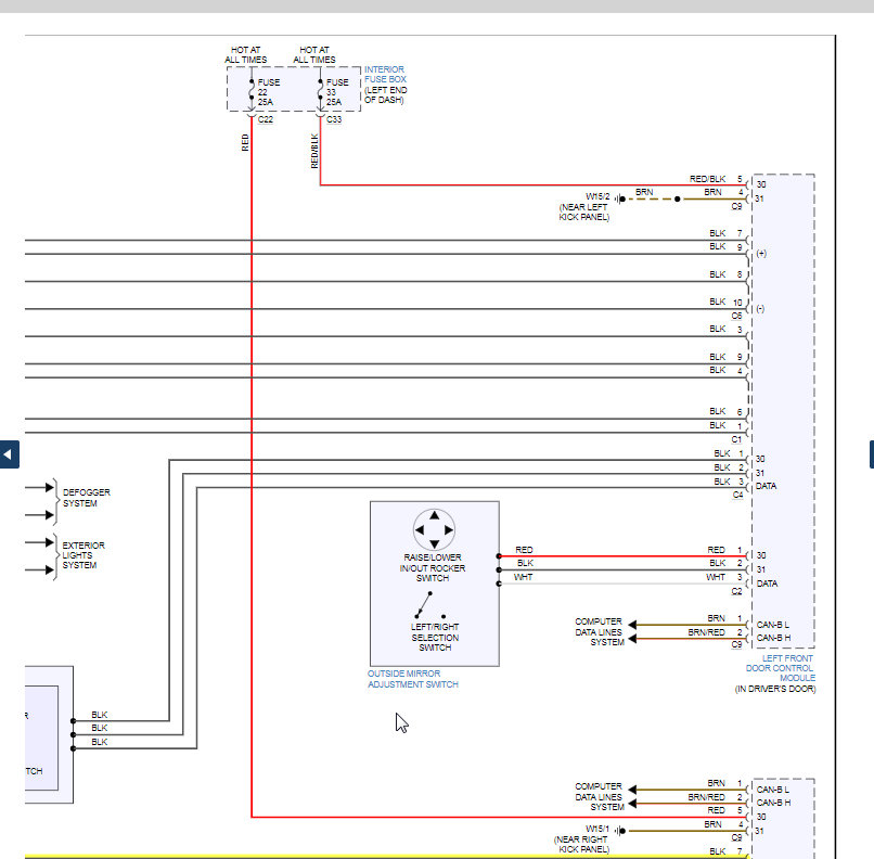
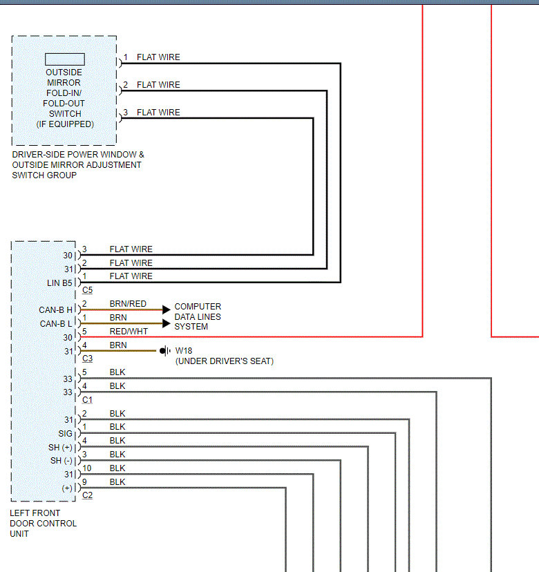
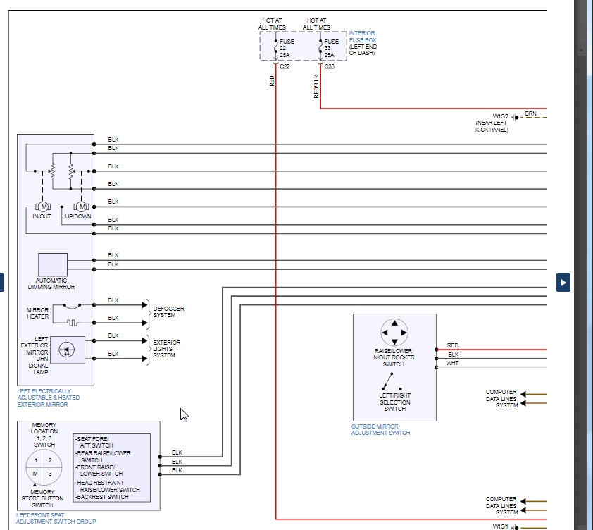
I attached the DCM schematic for the left door. Let me know if it helps.

Joe
Was this
answer
helpful?
Yes
No
+3
Sunday, February 16th, 2020 AT 4:31 PM
Tiny
KASEKENNY
  • MECHANIC
  • 18,907 POSTS
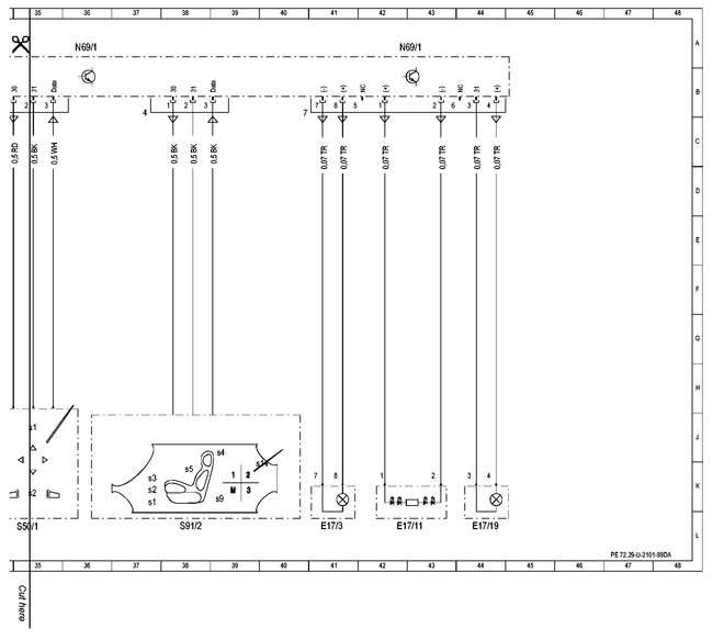
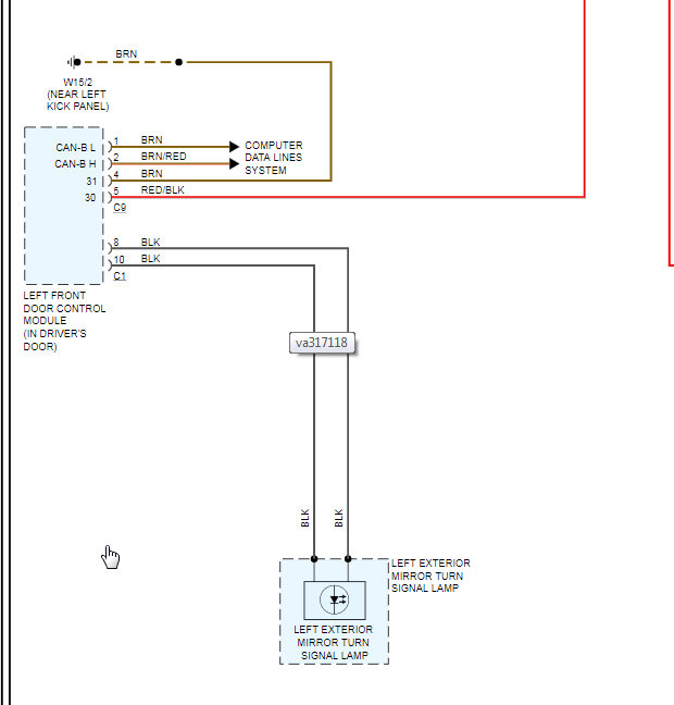
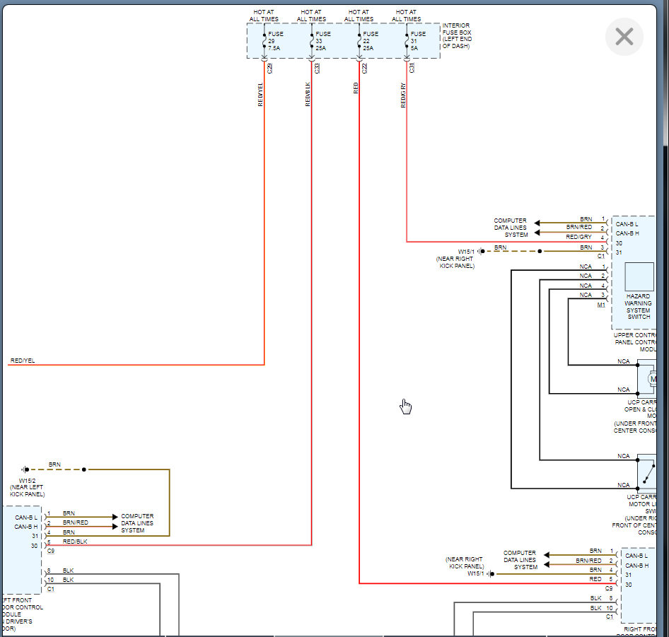
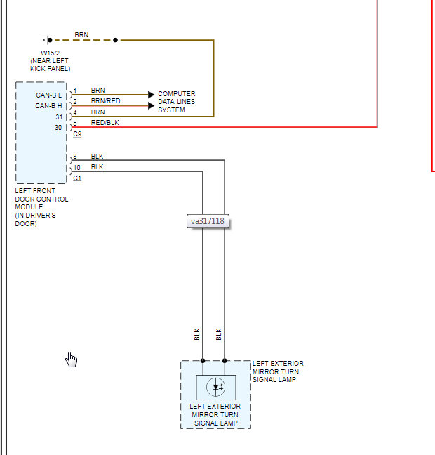
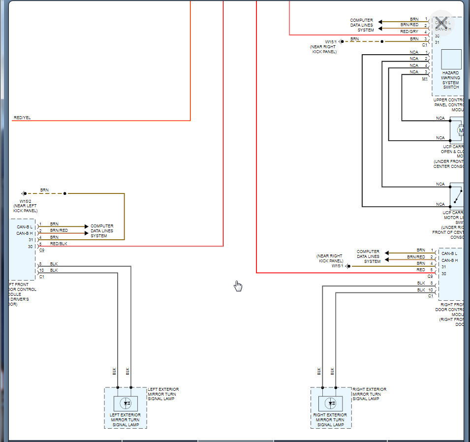
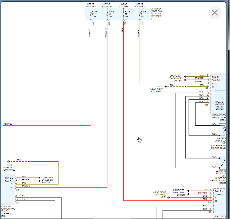
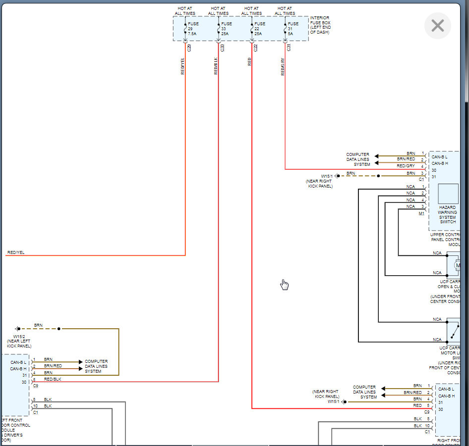
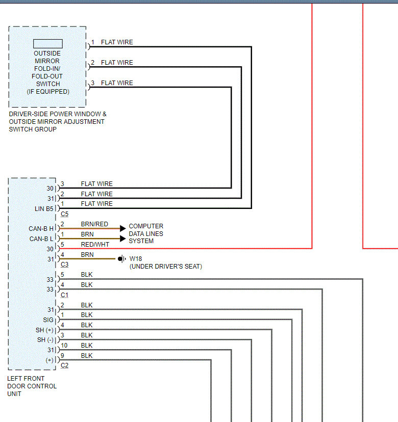
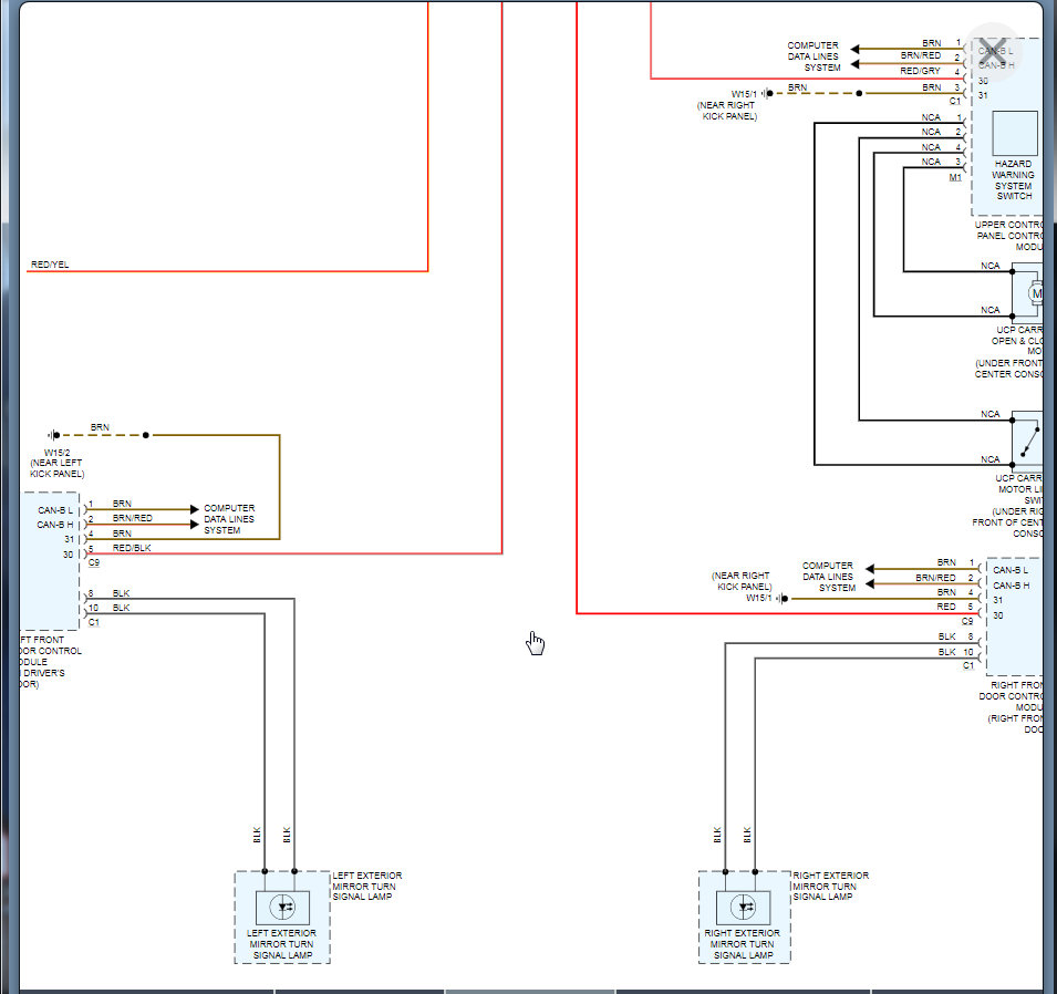
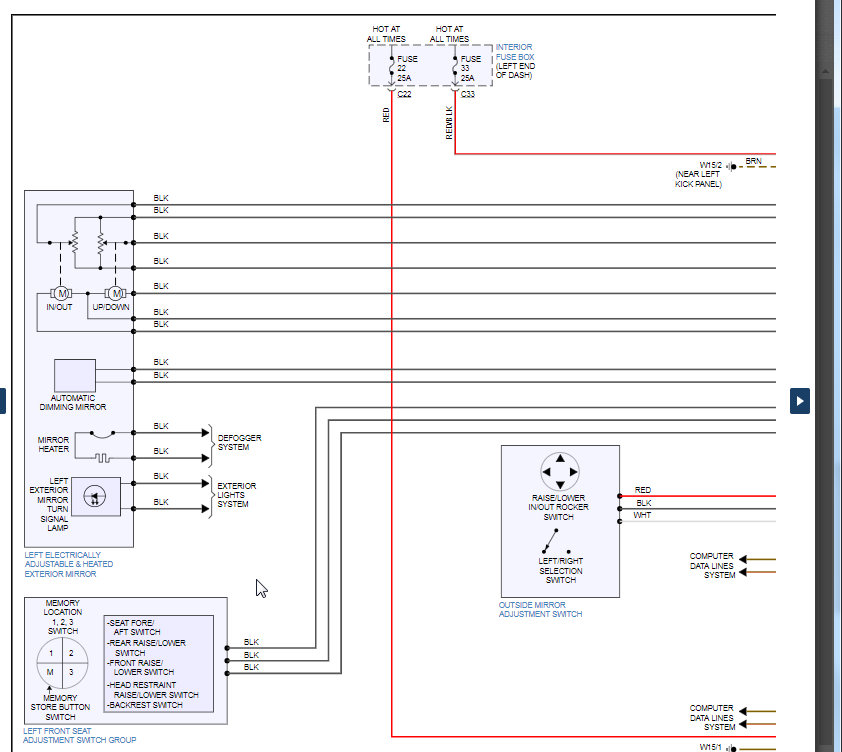
Here is the diagram for the DCM to the heated mirrors and the last two are for the turn signals in the mirrors. Let me know if you need more. Thanks
Was this
answer
helpful?
Yes
No
+1
Sunday, February 16th, 2020 AT 5:00 PM
Tiny
RANDY ALBRIGHT2
  • MEMBER
  • 11 POSTS
I still need the pin out leaving the DCM on 1 and 6 going to left side miror where it connects to 4 different functions. The turn signal(done), the mirror heater, the mirror motor, and dimming feature. The mirror motor uses a plug with 7 wires while the other three use only 2 wires. That’s 13 wires total to terminate using module 1 and 6 from the DCM. So a pin out for these or a diagram sure would help. Thanks again.
Was this
answer
helpful?
Yes
No
Monday, February 17th, 2020 AT 3:00 AM
Tiny
KASEKENNY
  • MECHANIC
  • 18,907 POSTS
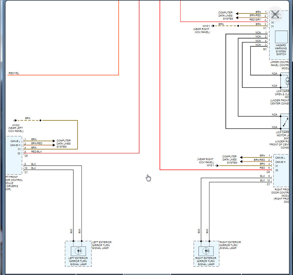
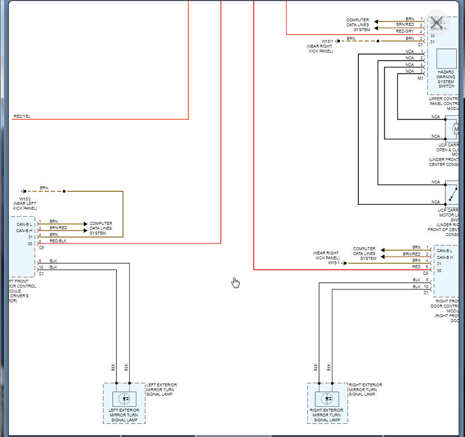
Unfortunately, I could not find a connector view which would be great. So I think I got all the circuits you need for the front left door control module.

Let us know if we missed something and we can go after that. Thanks
Was this
answer
helpful?
Yes
No
+1
Monday, February 17th, 2020 AT 8:01 AM
Tiny
RANDY ALBRIGHT2
  • MEMBER
  • 11 POSTS
Thanks but still need wiring diagram for the drivers side mirror motor that moves mirror.
Also module 6 on the dcm. Also module 1 from the DCM. I need to know the config. For the 8 pin connector that goes to side mirror motor. And module 6 on DCM and where it terminates. Thanks again.
Was this
answer
helpful?
Yes
No
Monday, February 17th, 2020 AT 8:44 AM
Tiny
RANDY ALBRIGHT2
  • MEMBER
  • 11 POSTS
I need the wiring that goes into the side view mirror motor. Thanks. This is for 7 wires in a 8 pin module.
Was this
answer
helpful?
Yes
No
Monday, February 17th, 2020 AT 9:50 AM
Tiny
RANDY ALBRIGHT2
  • MEMBER
  • 11 POSTS
I need the wiring that goes into the side view mirror motor. Thanks
Was this
answer
helpful?
Yes
No
Monday, February 17th, 2020 AT 11:12 AM
Tiny
JACOBANDNICKOLAS
  • MECHANIC
  • 110,192 POSTS
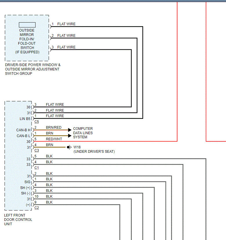
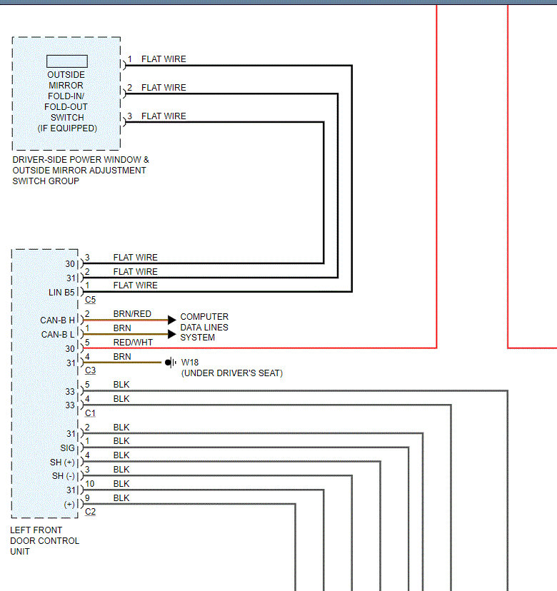
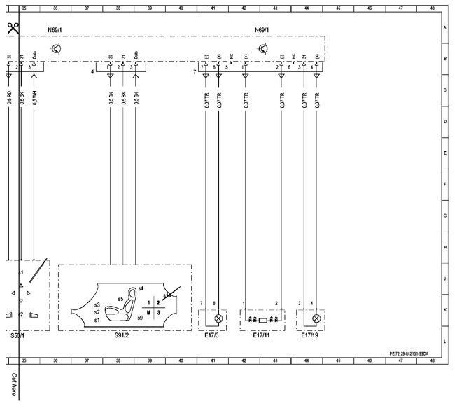
Let me know if this is what you are looking for. I have schematics all over the place. LOL

Joe
Was this
answer
helpful?
Yes
No
+1
Monday, February 17th, 2020 AT 1:20 PM
Tiny
RANDY ALBRIGHT2
  • MEMBER
  • 11 POSTS
Howdy thanks for the help. I am still looking to see schematics for the c6 on the DCM. And she what it supplies.
Was this
answer
helpful?
Yes
No
Monday, February 17th, 2020 AT 1:57 PM
Tiny
RANDY ALBRIGHT2
  • MEMBER
  • 11 POSTS
Schematics for c1 And c2 on the DCM? Thanks
Was this
answer
helpful?
Yes
No
Monday, February 17th, 2020 AT 1:59 PM
Tiny
KASEKENNY
  • MECHANIC
  • 18,907 POSTS
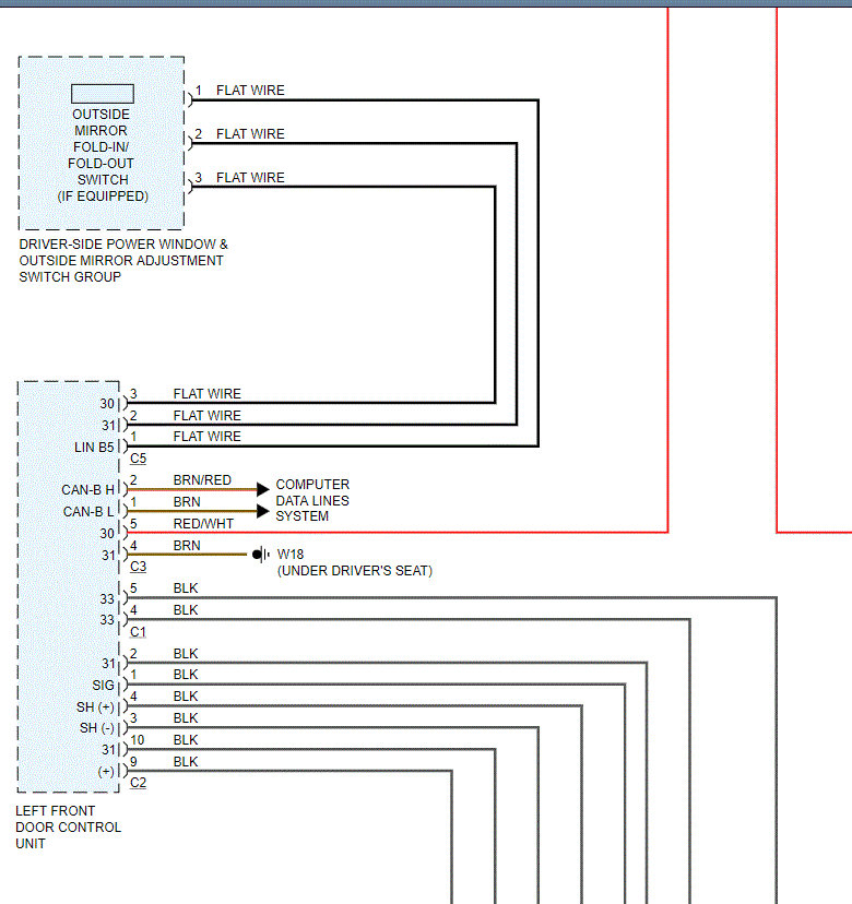
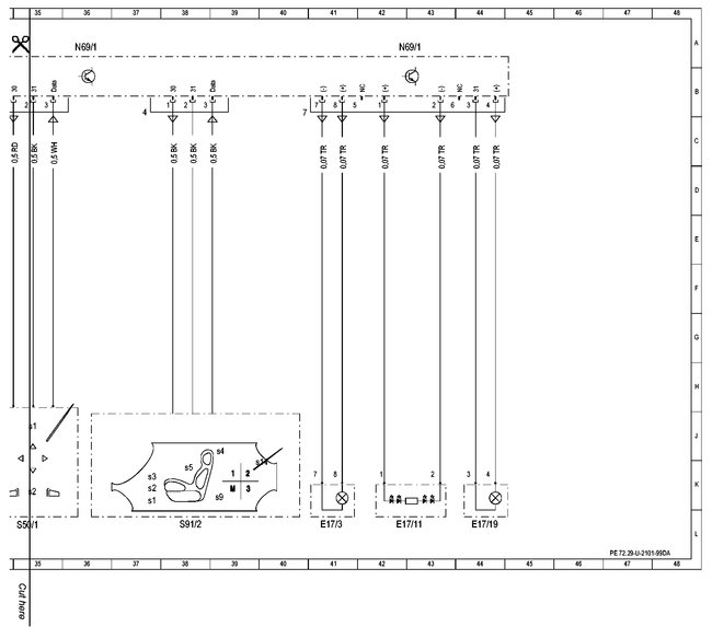
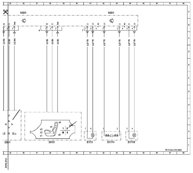
Okay. I switched from AllData to Mitchell and they seem to have more diagrams. Here is C6 from the DCM to the Power Mirror motor.

C1 for the dimming function. However, it only has Pin 1 and 6. I am looking for the others.

C2 Pin 1-3 are included and it appears that is all on that connect. Is that correct according to the vehicle?
Was this
answer
helpful?
Yes
No
+2
Monday, February 17th, 2020 AT 3:35 PM
Tiny
RANDY ALBRIGHT2
  • MEMBER
  • 11 POSTS
I’m sorry but I meant c6 not c2. C6 is what has been the missing link.
Was this
answer
helpful?
Yes
No
Monday, February 17th, 2020 AT 3:55 PM
Tiny
RANDY ALBRIGHT2
  • MEMBER
  • 11 POSTS
Never mind I see the c6. You are awesome to stick with it. Many thanks now I won’t do the work 5 times.
Was this
answer
helpful?
Yes
No
Monday, February 17th, 2020 AT 4:04 PM
Tiny
KEN L
  • MASTER CERTIFIED MECHANIC
  • 55,322 POSTS
Please let us know what you find. We are interested to see what it is.
Was this
answer
helpful?
Yes
No
Monday, February 17th, 2020 AT 5:40 PM

Please login or register to post a reply.