Rear view mirrors wiring diagram

Tiny
SIMONE MIOTTO
  • MEMBER
  • 2008 HONDA CRV
  • 2.2L
  • 4 CYL
  • TURBO
  • 4WD
  • MANUAL
  • 100,000 MILES
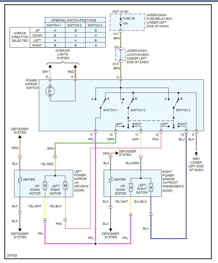
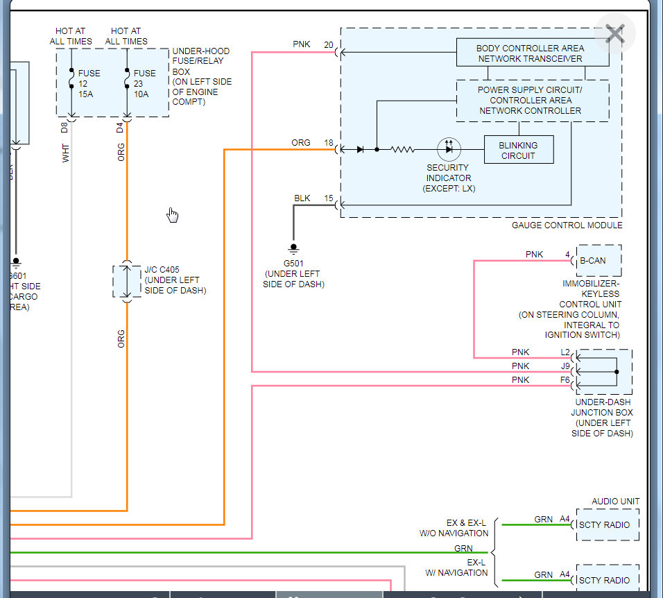
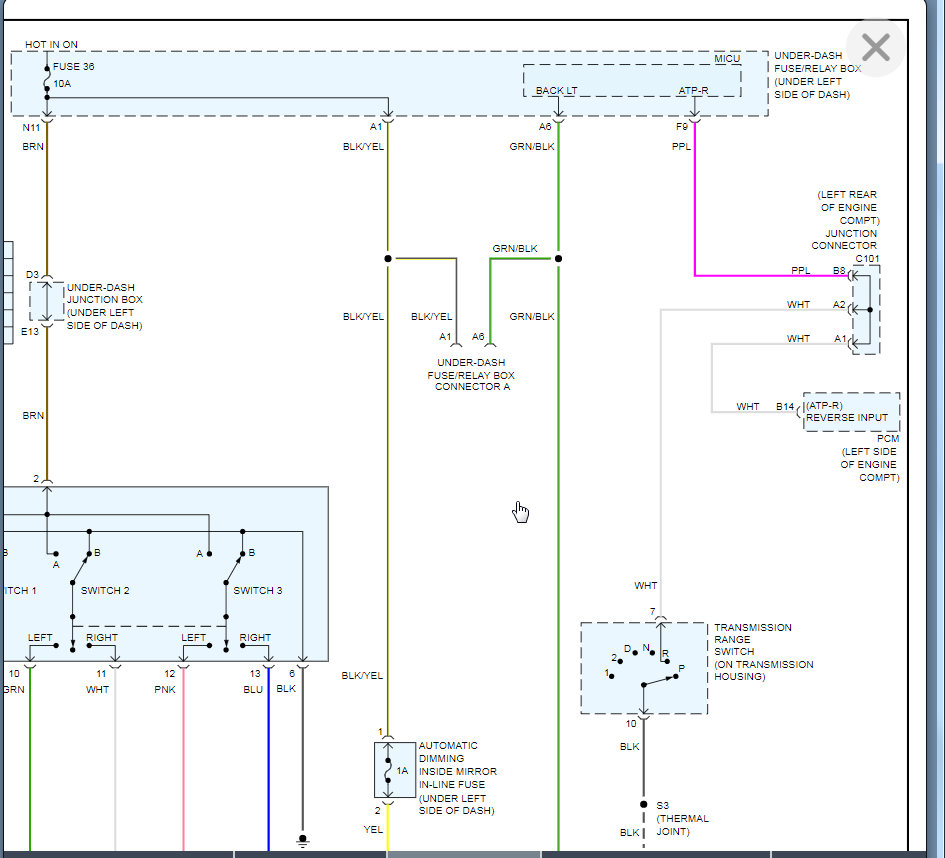
Hello everyone, I need the wiring diagram of the rear view mirrors of the vehicle listed above 140 hp re6.
thanks for the replies.
Wednesday, June 3rd, 2020 AT 1:44 PM

8 Replies

Tiny
KASEKENNY
  • MECHANIC
  • 18,907 POSTS
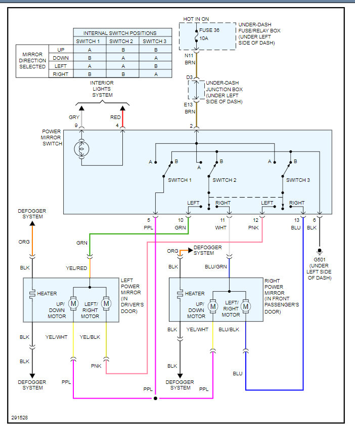
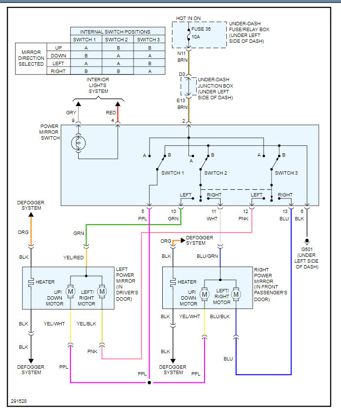
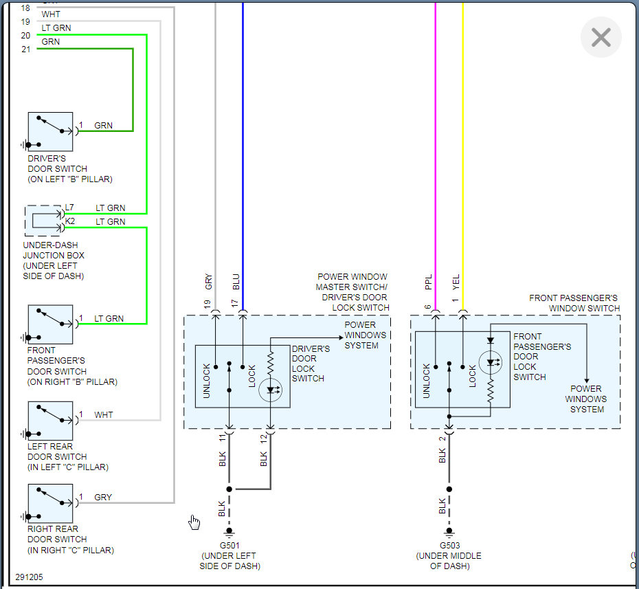
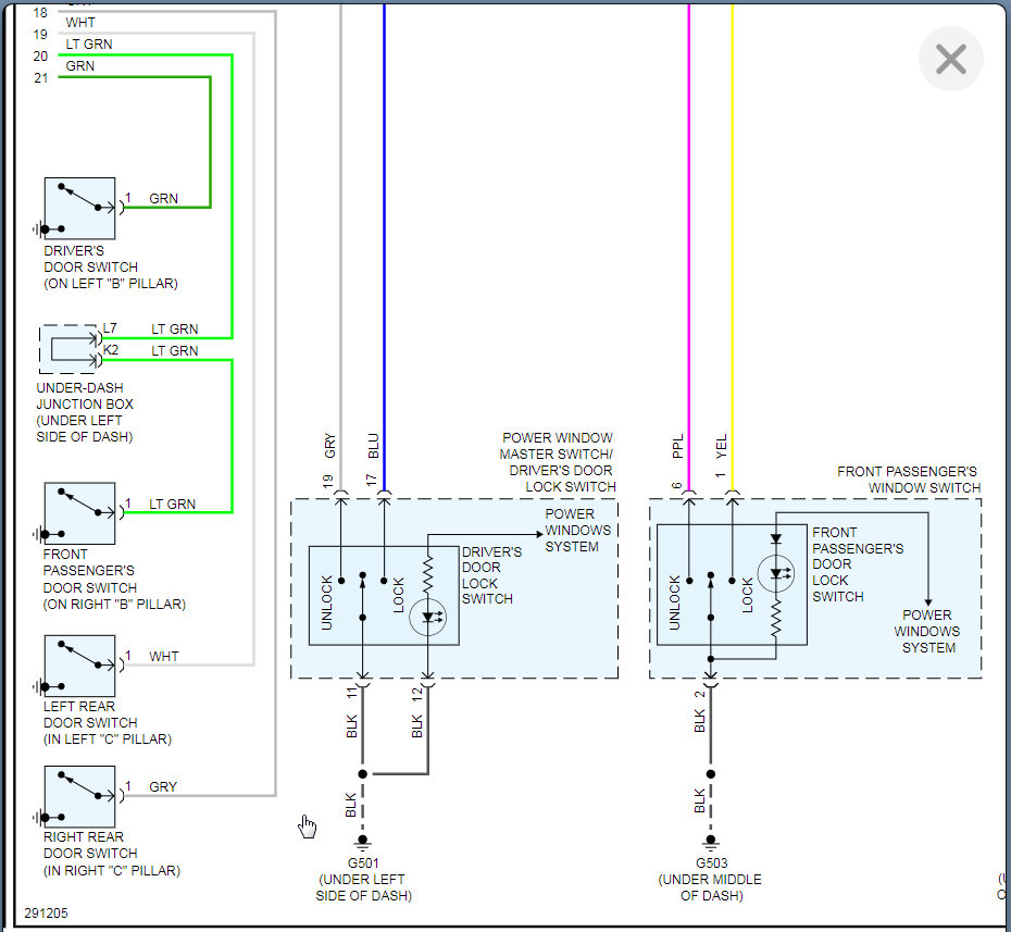
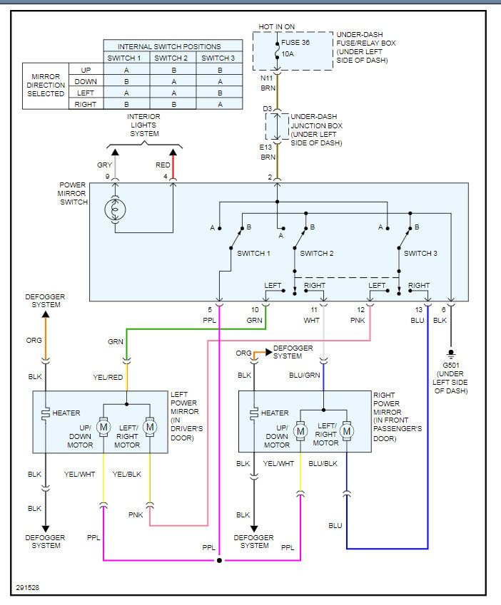
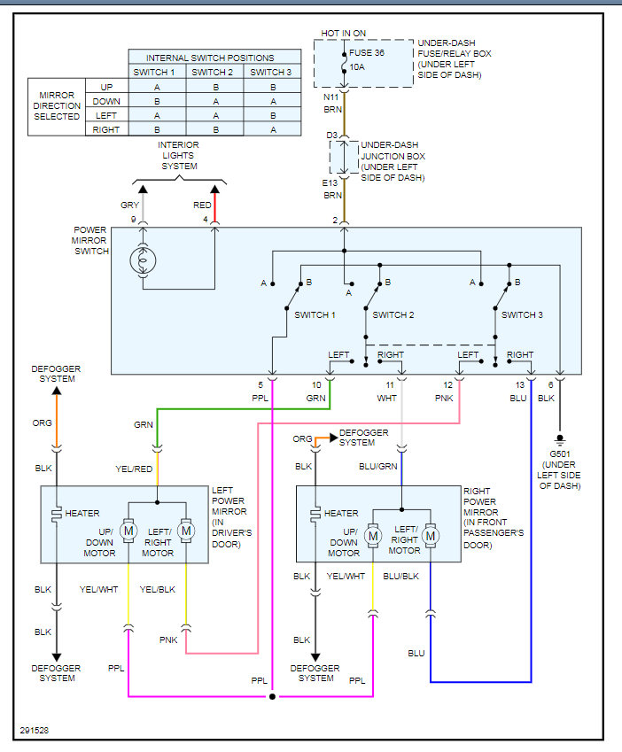
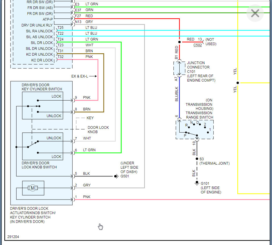
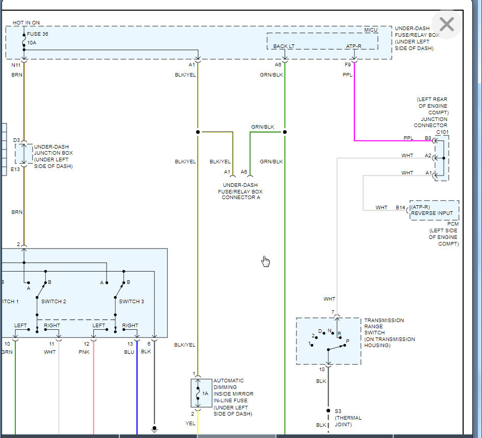
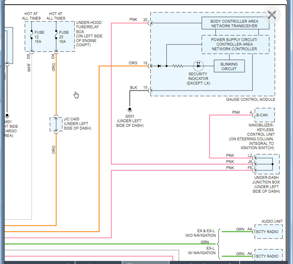
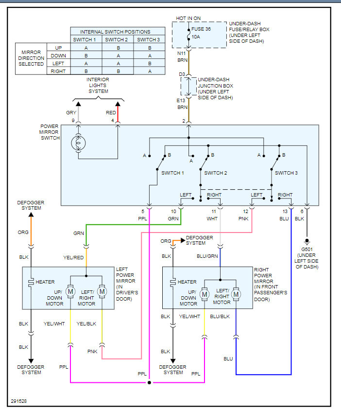
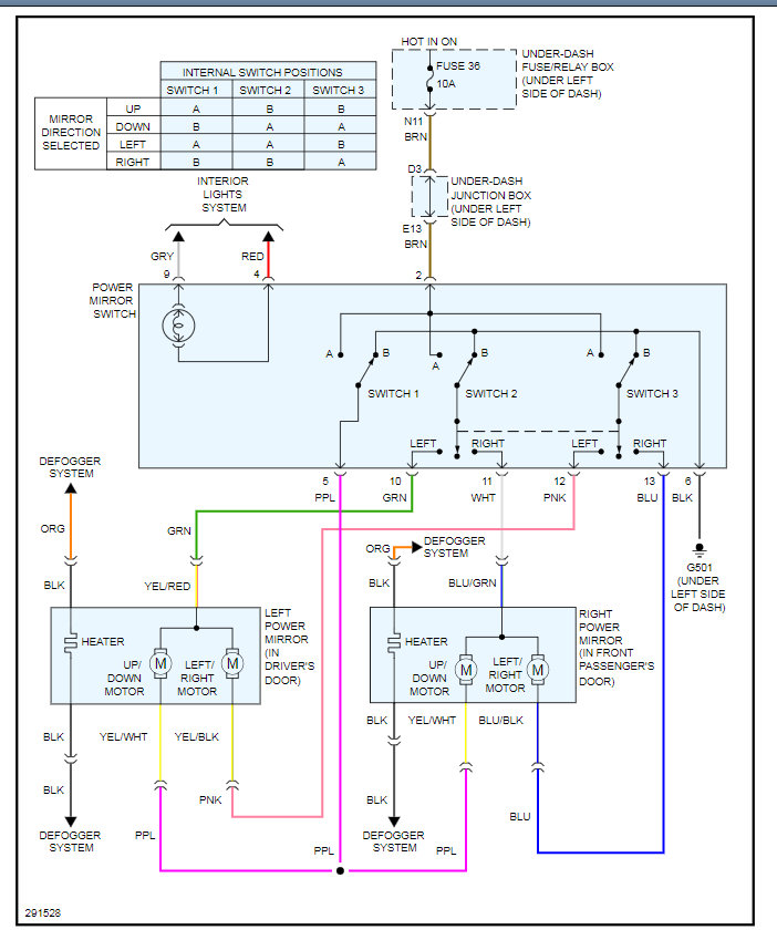
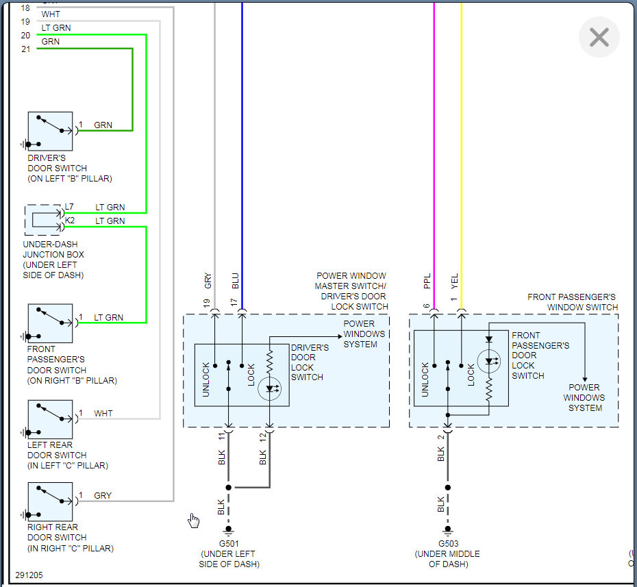
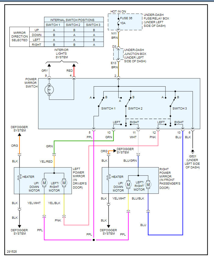
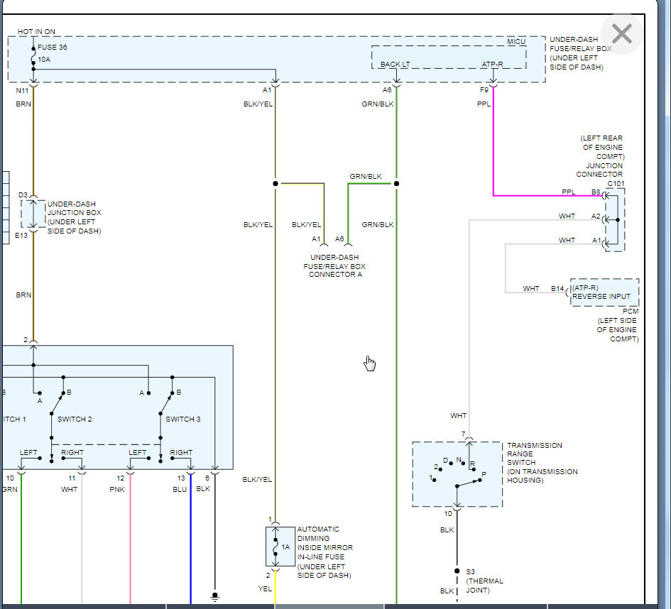
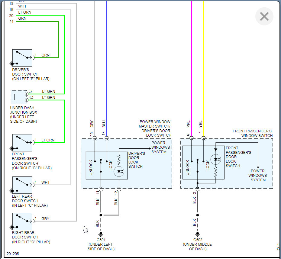
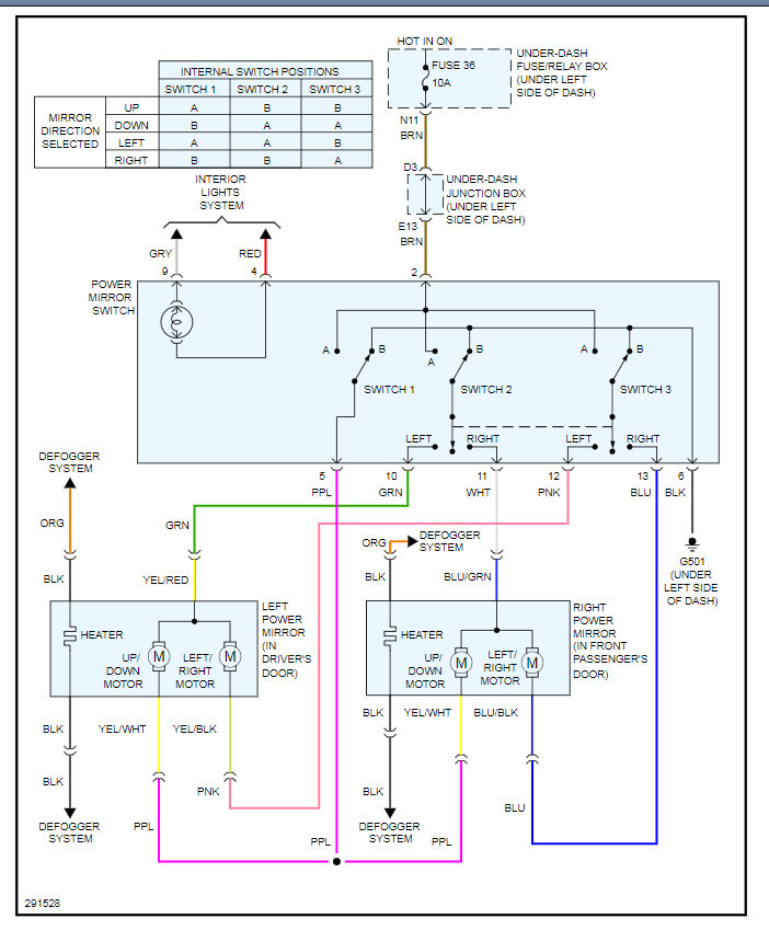
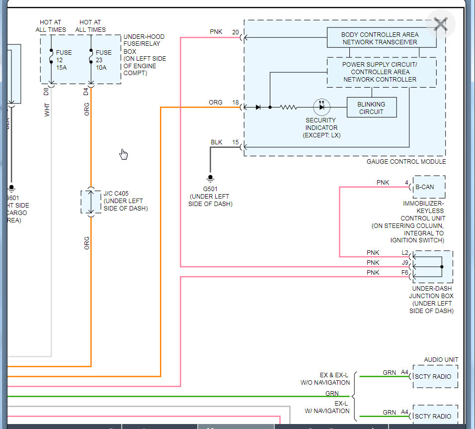
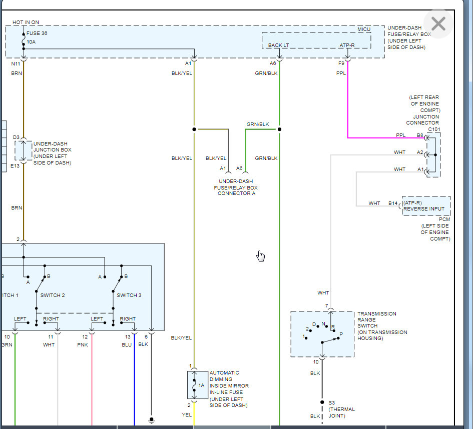
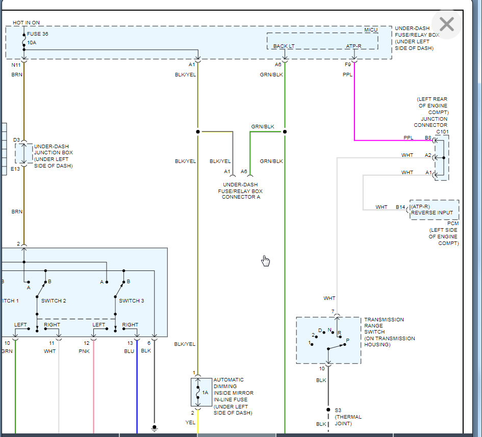
The first 4 attachments are for mirrors with auto dimming. I had to break it into sections because it was a larger diagram and it was pretty small for one screen shot.

The last is without auto dimming.

Let us know if you need more info. Thanks
Was this
answer
helpful?
Yes
No
Wednesday, June 3rd, 2020 AT 6:46 PM
Tiny
SIMONE MIOTTO
  • MEMBER
  • 5 POSTS
Thanks for the reply.
I need the wiring diagram because I would like to close the external mirrors when I close the car. Does anyone know how I can fix it?
Thanks for your help.
Was this
answer
helpful?
Yes
No
Friday, June 5th, 2020 AT 8:32 AM
Tiny
KASEKENNY
  • MECHANIC
  • 18,907 POSTS
Just to clarify what you are wanting to do. When you turn the vehicle off and exit then close the door, you want the mirrors on the doors to fold in?

If this is the case then this can only be done by a software program that would tell the mirrors when to fold in. This is not something that you will be able to accomplish with just changing the wiring. Basically you need the body control module to recognize that it is the correct time to fold them in and then it sends the command to fold them in.

Let me know if I am not understanding correctly and we can figure something else out or maybe come up with a way to accomplish it but I am sure it would involve a separate switch.
Was this
answer
helpful?
Yes
No
Friday, June 5th, 2020 AT 7:56 PM
Tiny
SIMONE MIOTTO
  • MEMBER
  • 5 POSTS
Hi, I hope I can explain myself. I am Italian and my English is not good. I would like the mirrors to fold in when I close the car with the key button. I hope I can do it.
Was this
answer
helpful?
Yes
No
Friday, June 5th, 2020 AT 11:33 PM
Tiny
SIMONE MIOTTO
  • MEMBER
  • 5 POSTS
I would like to ask you if it is possible to have all the workshop manual for my CRV 2008 re6. Thank you so much.
Was this
answer
helpful?
Yes
No
Friday, June 5th, 2020 AT 11:40 PM
Tiny
KASEKENNY
  • MECHANIC
  • 18,907 POSTS
I understand. If you are looking to press the lock button and have the mirrors fold in as well then again this is going to have to be programmed into the vehicle. Unfortunately there isn't a way to re-wire the vehicle in order to get this to happen. Basically the mirrors have to be "told" to fold in and just putting power to them will not do that. Even if you could wire them to the lock circuit it still would not work. Again you need to have the vehicle software changed to perform this function which may not be possible either if this function was not an option originally from the manufacturer. If this is possible, the dealer would have to go into the computer and enable the function and then update the vehicle.

As for the service manual, that is a very large document and it is not possible to attach the whole thing. If there are specific things you need, just start a post for each thing you need. We need to keep each post to one topic so that others that have the same issue can find the solution as well.

https://www.2carpros.com/questions/new
Was this
answer
helpful?
Yes
No
Saturday, June 6th, 2020 AT 7:09 AM
Tiny
SIMONE MIOTTO
  • MEMBER
  • 5 POSTS
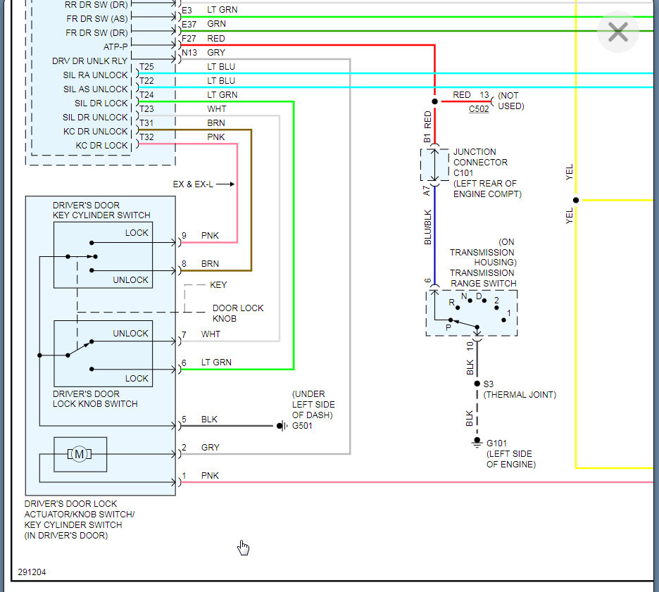
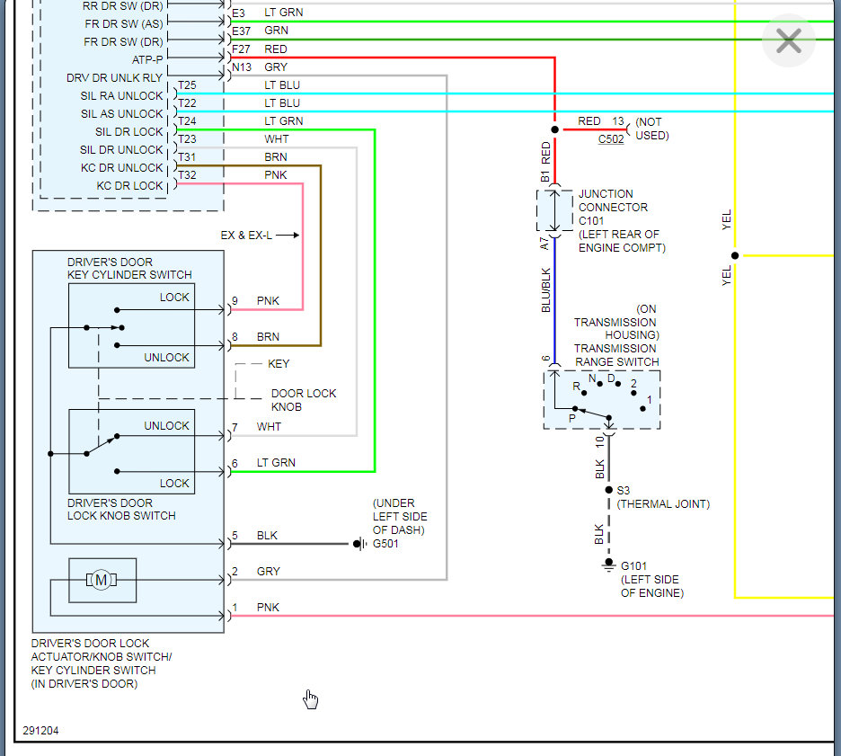
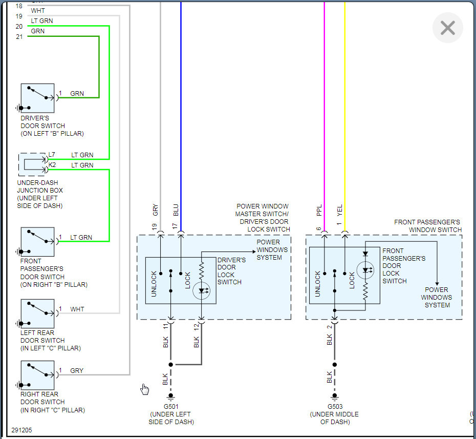
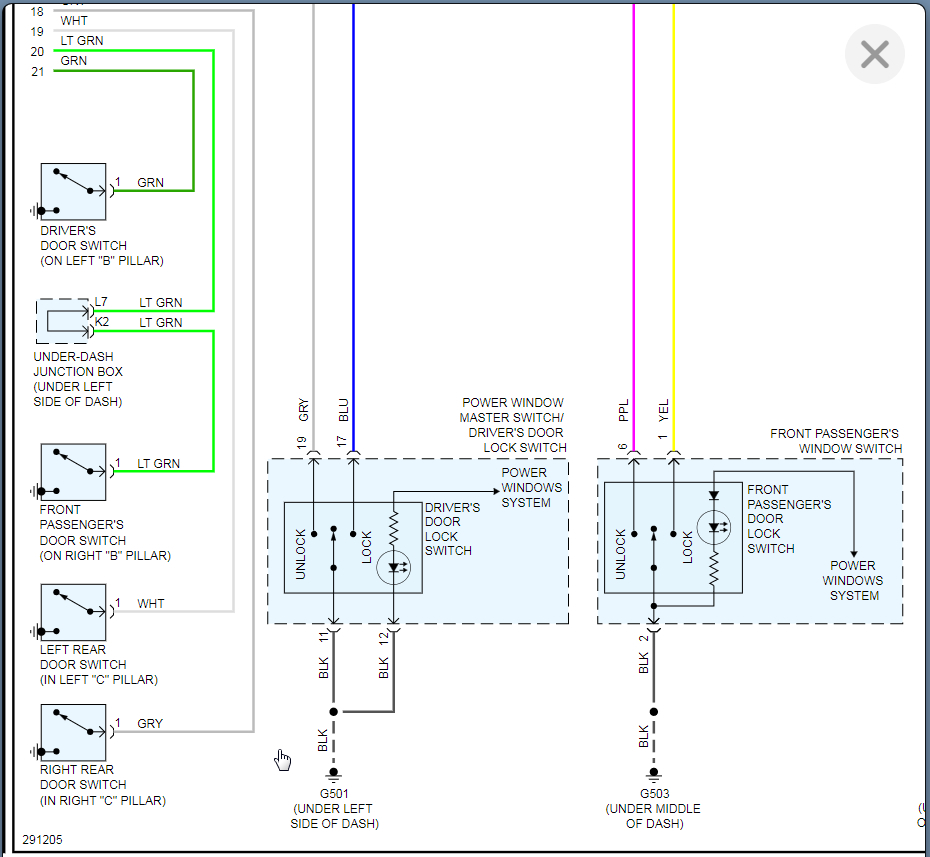
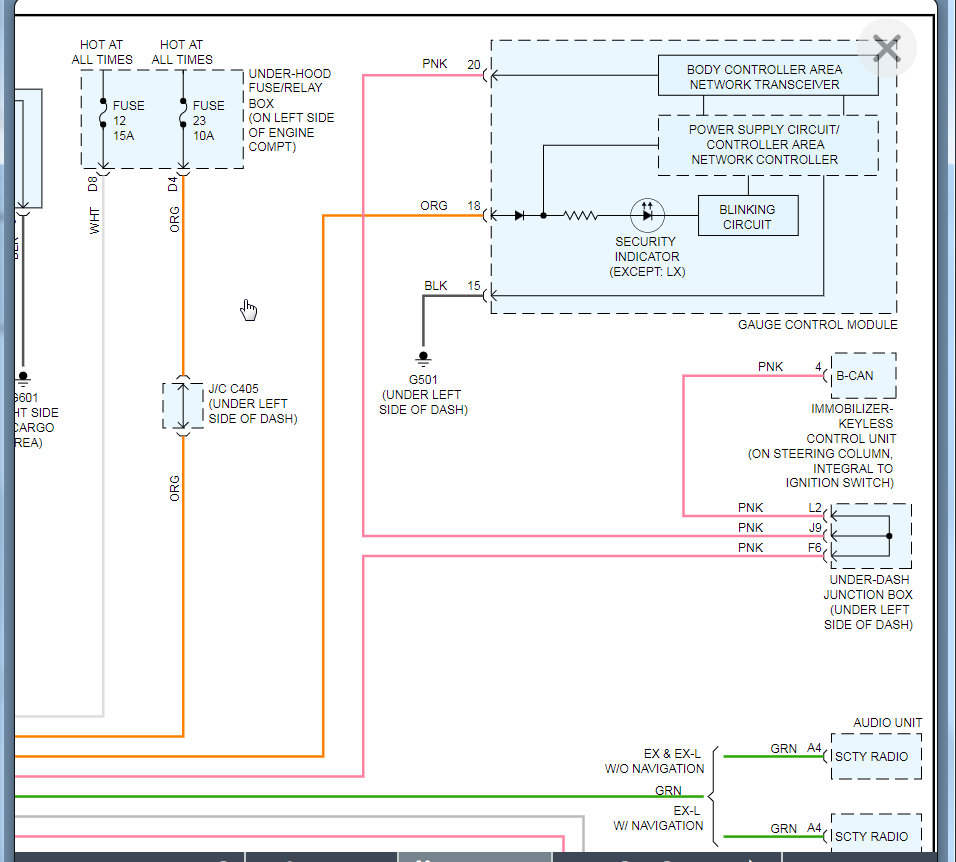
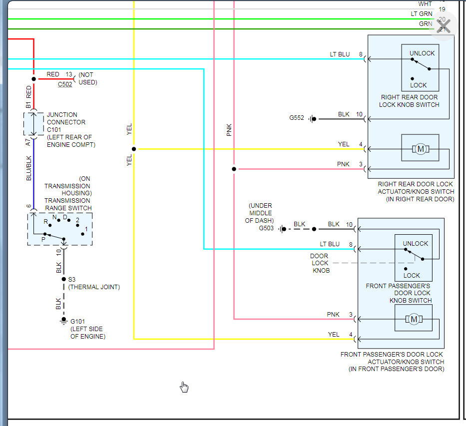
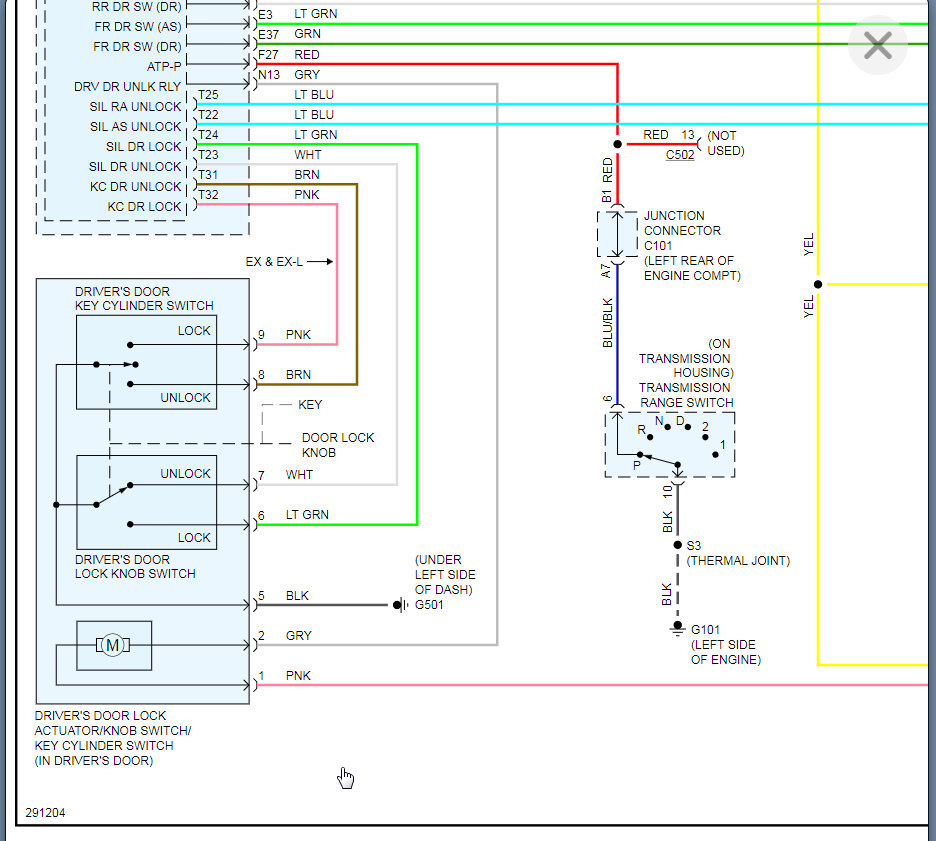
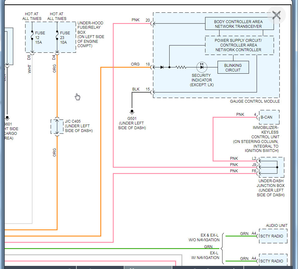
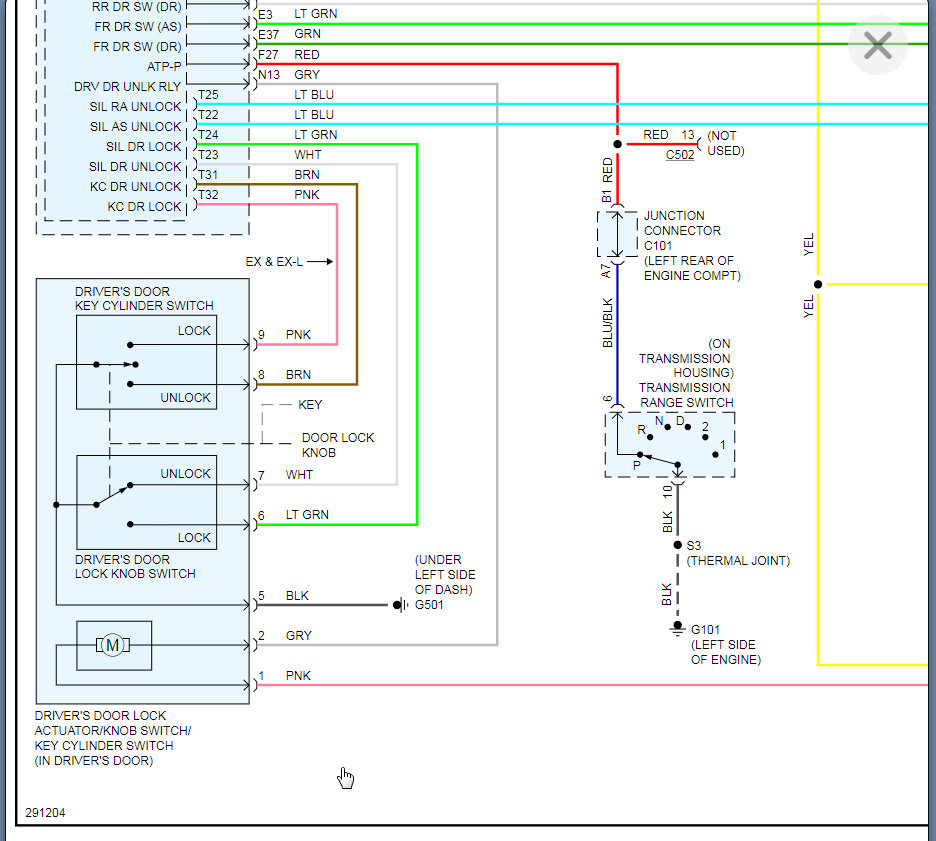
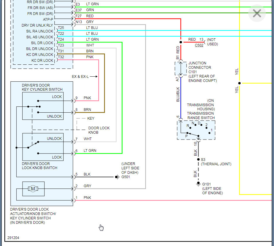
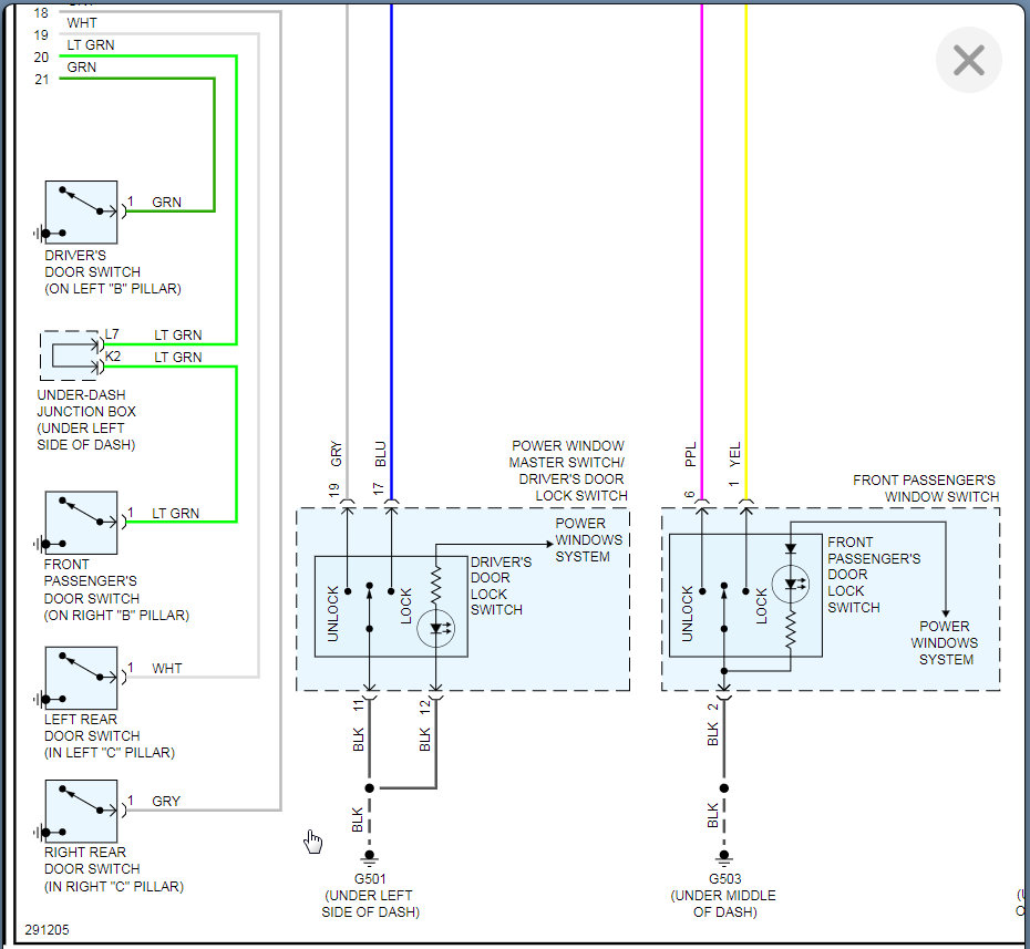
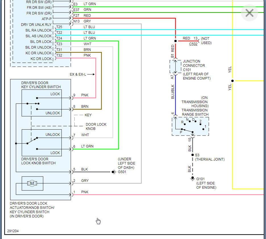
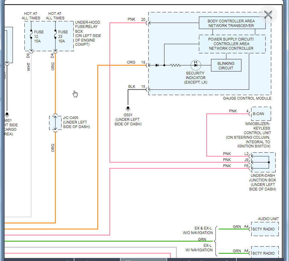
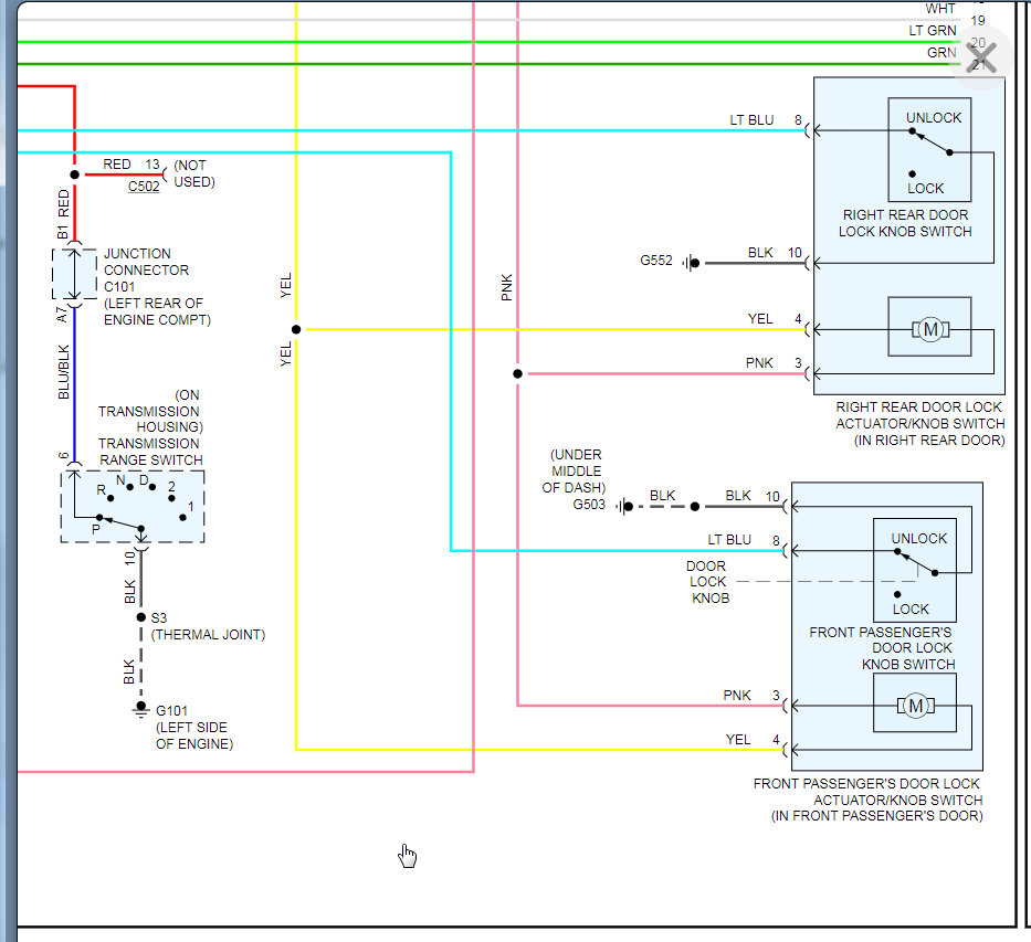
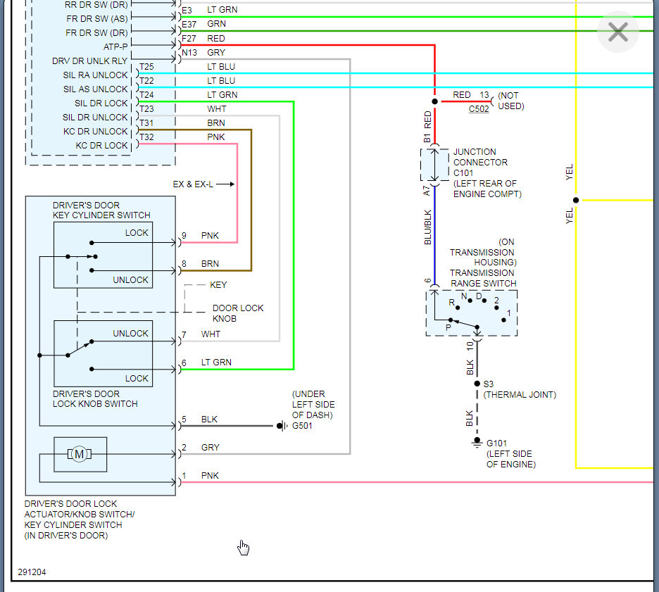
Thanks for the reply, I would like to ask you one last thing, can you post me Power Door Lock wiring diagram? Thank you
Was this
answer
helpful?
Yes
No
Monday, June 8th, 2020 AT 9:19 AM
Tiny
KASEKENNY
  • MECHANIC
  • 18,907 POSTS
You are welcome. Thanks for using 2CarPros and come back in the future if you have other issues.
Was this
answer
helpful?
Yes
No
Tuesday, June 9th, 2020 AT 5:36 PM

Please login or register to post a reply.