HVAC wiring diagram needed

Tiny
GLEN1960
  • MEMBER
  • 1999 DODGE VAN
  • 5.2L
  • V8
  • 250,000 MILES
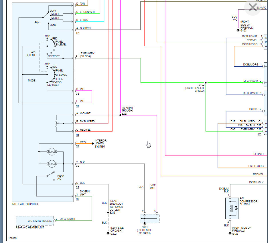
Compressor not running, has adequate refrigerant. Do you have an HVAC wiring diagram?
Wednesday, May 13th, 2020 AT 2:15 PM

1 Reply

Tiny
KASEKENNY
  • MECHANIC
  • 18,907 POSTS
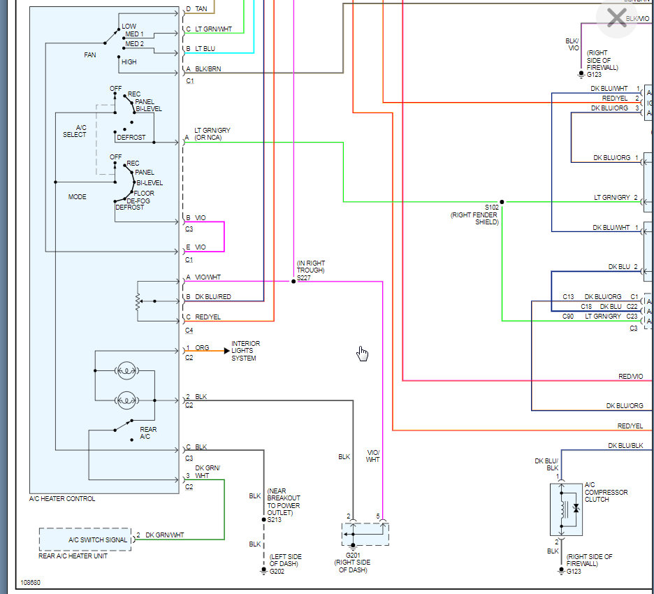
I attached the wiring diagram for this vehicle. Check out the diagrams (Below). Please let us know if you need anything else to get the problem fixed. Let us know if you need more info. Thanks
Was this
answer
helpful?
Yes
No
Wednesday, May 13th, 2020 AT 3:03 PM

Please login or register to post a reply.