HOME
ASK A QUESTION
REPAIR GUIDES
BECOME A MEMBER
LOG IN
Login with Facebook
OR
Remember me
NOT A MEMBER?
FORGOT PASSWORD?
CONTACT US
PRIVACY POLICY
TERMS AND CONDITIONS
☰
Home
Dodge
Ram
Interior
Instrument Cluster
Wiring
Cluster Wiring diagram?
TFCOX
MEMBER
2000 DODGE RAM
200,000 MILES
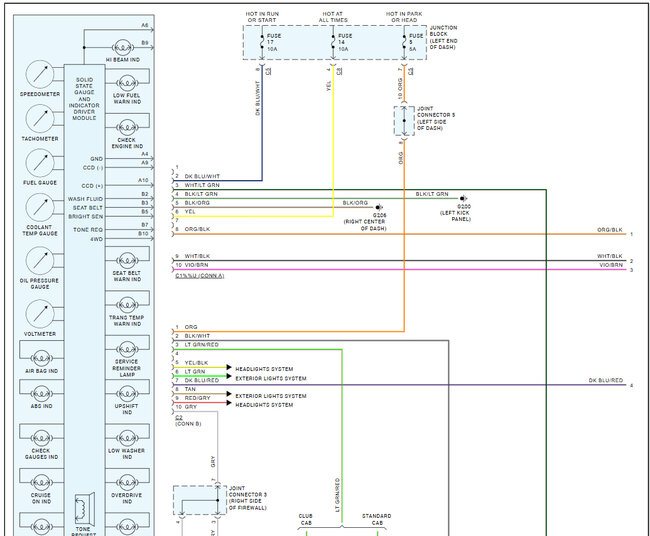
My friend says he's rewiring a cluster on a 2000 Dodge ram 1500 and I'm looking for a diagram. Or anything useful please
Tuesday, September 16th, 2025 AT 9:32 PM
1 Reply
KEN L
MASTER CERTIFIED MECHANIC
54,137 POSTS
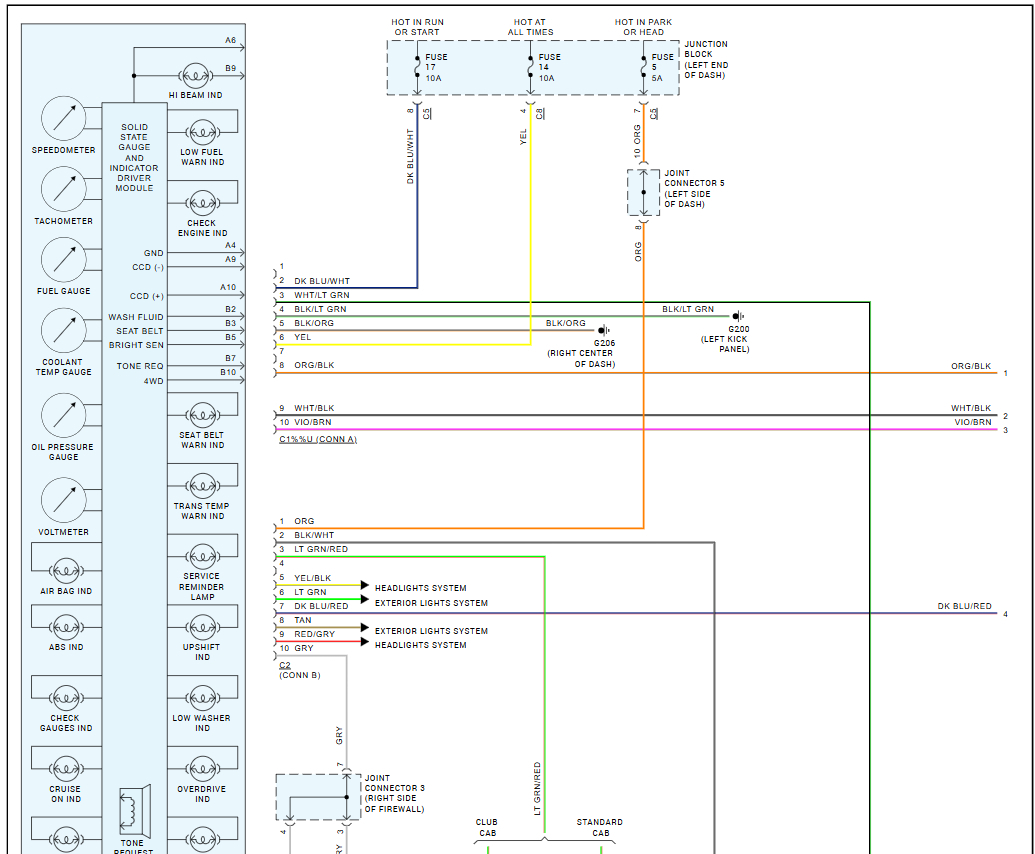
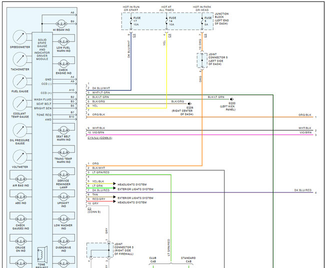
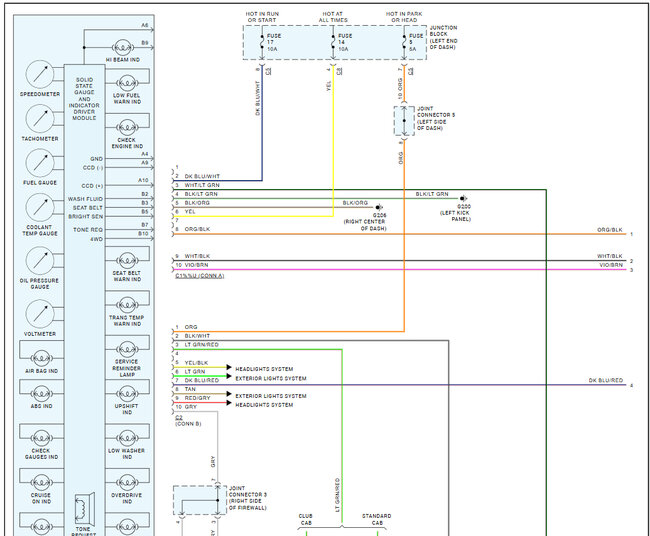
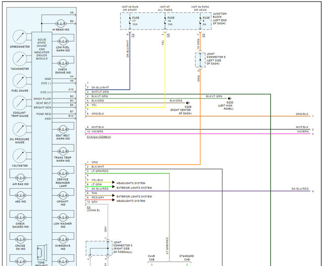
Hello,
Here is the wiring daigrams for the instrument cluster as requested. Check out the images (below). Let us know if you need anything else.
Images (Click to make bigger)
Was this
answer
helpful?
Yes
No
Wednesday, September 17th, 2025 AT 8:58 AM
Please
login
or
register
to post a reply.
Related Instrument Cluster Wiring Content
Gauge Cluster Not Working?
My Gauge Cluster Doesn't Work. It Lights Up And I Have My Tach And Thats It. No Other Gauges Work. Ive Been Chasing Wires With Wiring...
Asked by
pri_i_oh
·
56 ANSWERS
7 IMAGES
2008
DODGE RAM
Why When I Dim Up The Cluster Lights My Fuse Goes Down...
When I Turn The Headlight Switch On Theres No Light In The Instrument Panel. I Found The Fuse Blown, And Change It And When I Dim The Light...
Asked by
paulru
·
3 ANSWERS
1999
DODGE RAM
03 Dodge Ram, 2500hd, Check Gauges Light Coming On
Ive Got An 03 Dodge 2500 Hd Pick-up With The 300 Ho Cummins Motor In It, Its A Manual Transmission, And Ive Got About 65,500 Miles On It...
Asked by
Snocat
·
1 ANSWER
2012
DODGE RAM
2004 Dodge Ram Check Gauges Light
I Have A 2004 Ram When You Start Truck Sometimes Check Gauges Light Stays On And Oil Pressure Gauge Doesnt Go Up Shut Truck Off Start Again...
Asked by
archeryprimetime
·
1 ANSWER
2004
DODGE RAM
Check Gages Light
I Drive A '00 Dodge Ram 1500 And While I'm Driving The Check Gages Light Turns On
Asked by
ravenlovely
·
1 ANSWER
DODGE RAM
VIEW MORE
Ask a Car Question. It's Free!
Instrument Cluster Replacement
How to Use a Test Light
Blend Door Actuator Replacement