Sunday, September 3rd, 2023 AT 1:29 PM
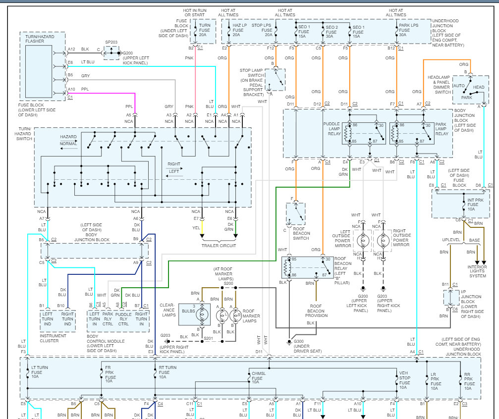
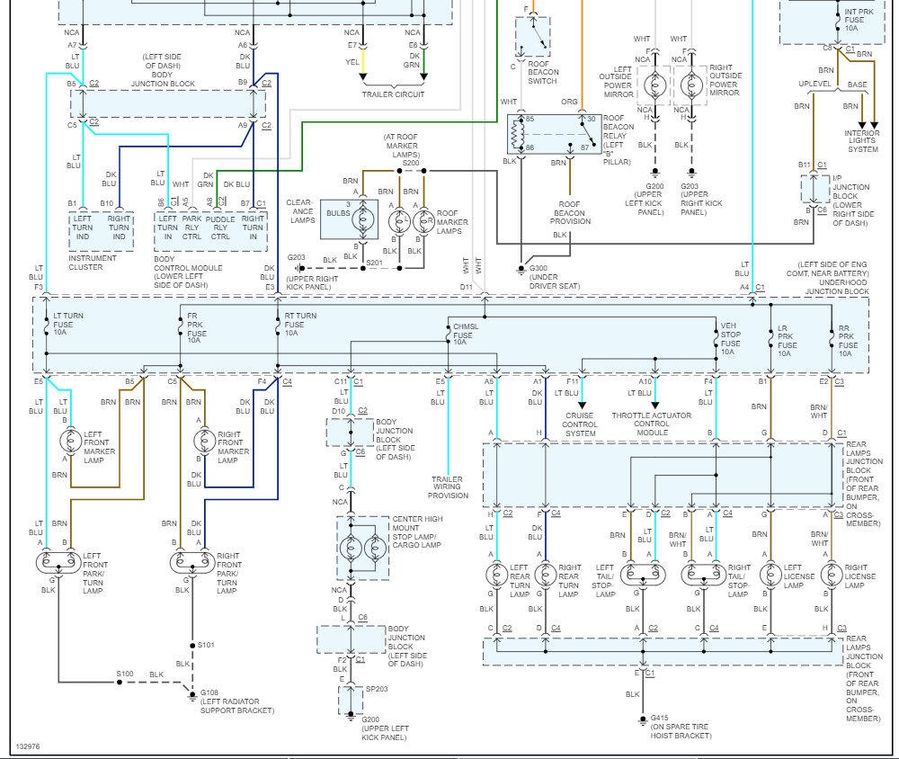
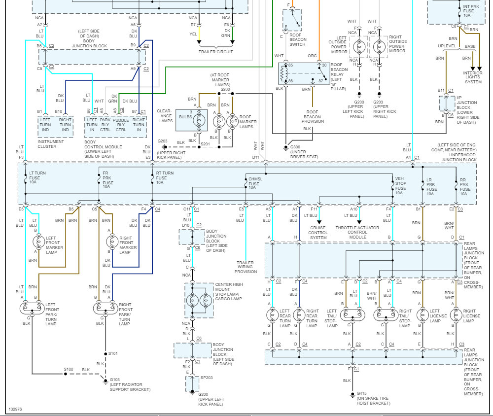
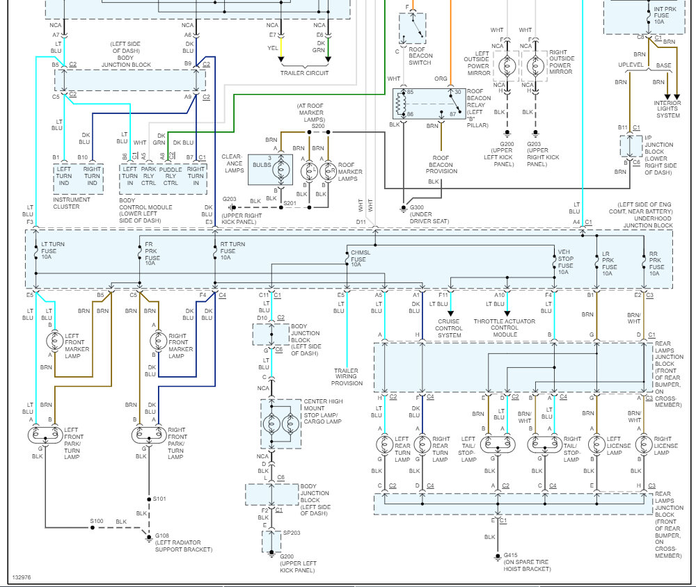
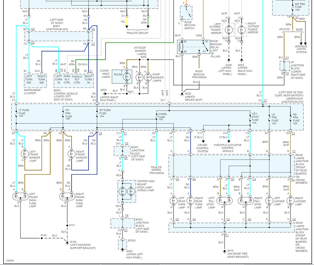
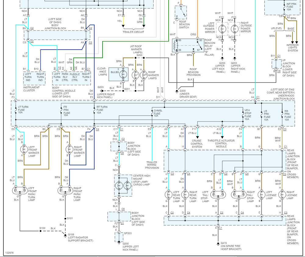
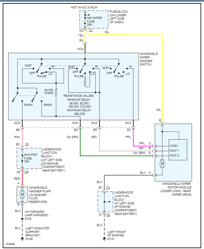
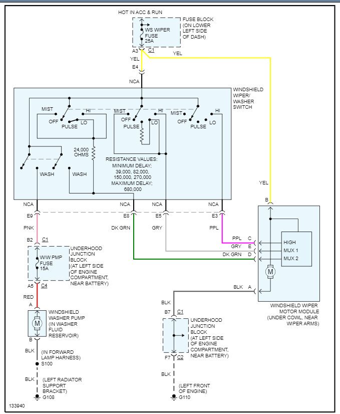
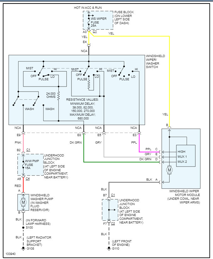
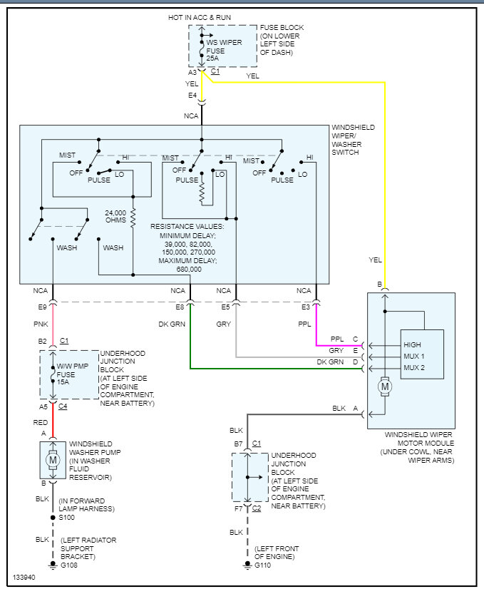
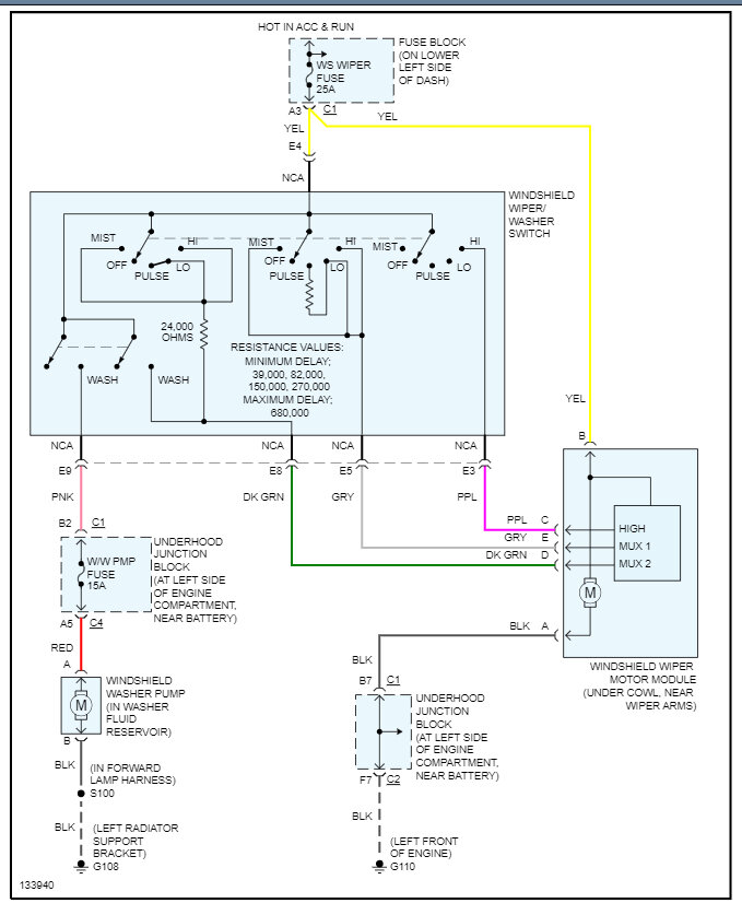
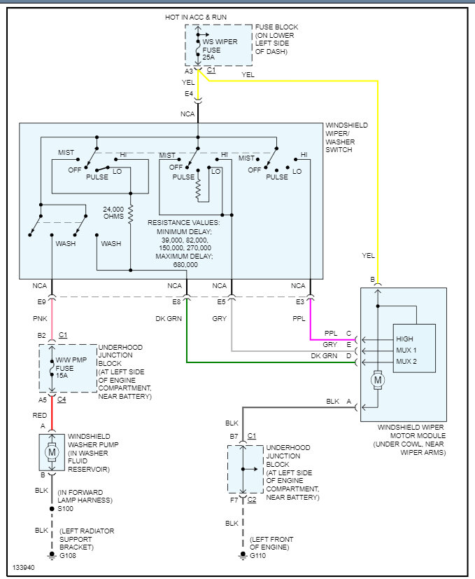
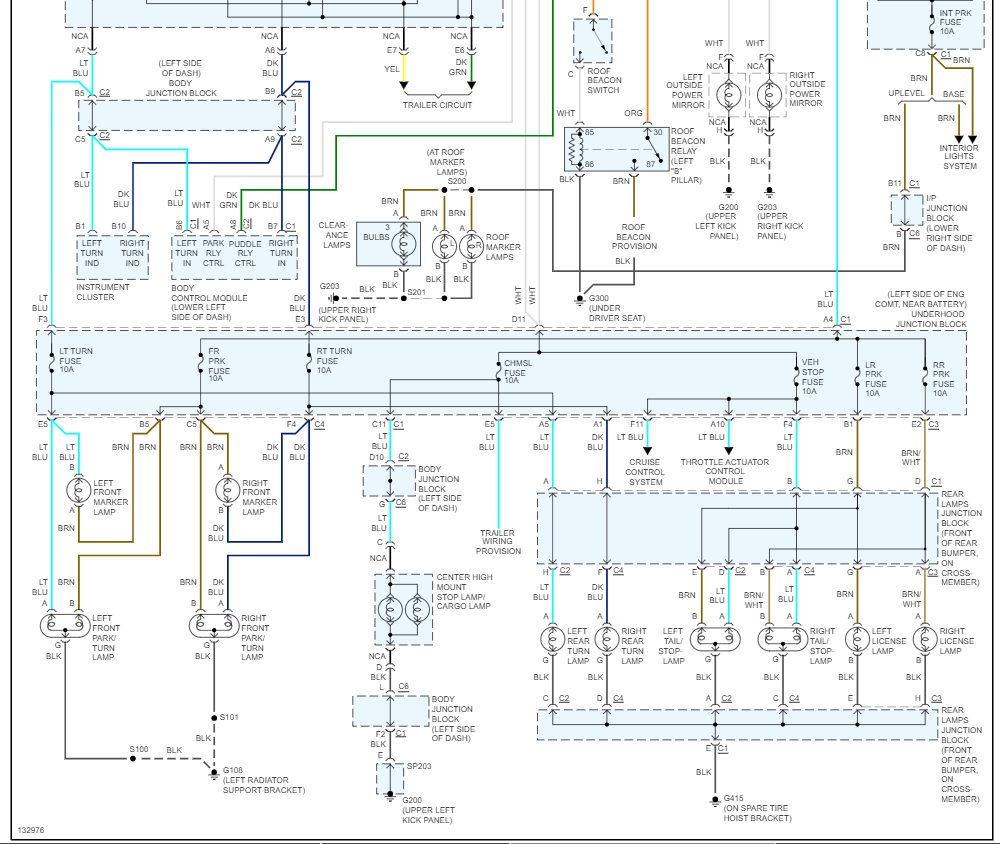
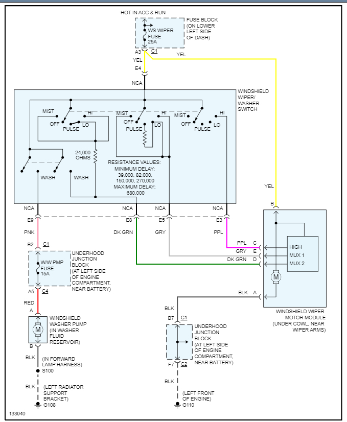
I am replacing my multi-function switch for blinkers, cruise control, wipers, hazard lights. On the switch I'm putting in has 2 plug Ina on it. One has 2 rows of wires to plug in behind the blinker handle sticking out another plug with one row on back behind the hazard switch you push down to work. The plug has 12 wires. I need to know what order the wires go on color by color.













