Motorhome engine compartment wiring diagram needed?

Tiny
187HASSLE
  • MEMBER
  • 1982 FORD E-SERIES VAN
  • 5.9L
  • V8
  • 2WD
  • AUTOMATIC
  • 67,000 MILES
I need complete wiring for the engine compartment, with dual battery. This is a motorhome.
Thursday, November 3rd, 2022 AT 6:44 PM

9 Replies

Tiny
JACOBANDNICKOLAS
  • MECHANIC
  • 110,194 POSTS
Hi,

Because of the model year, schematics are difficult to come by. Also, the body company that installed the camper likely changed things.

I'm not sure if this is an E250 or E350. Also, I need confirmation on the engine size. I believe you meant a 5.8L. Please confirm.

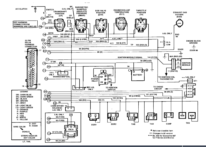
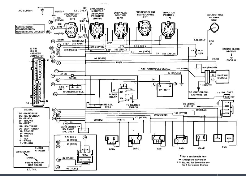
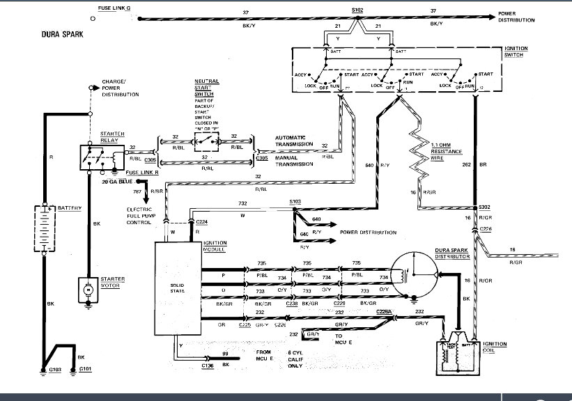
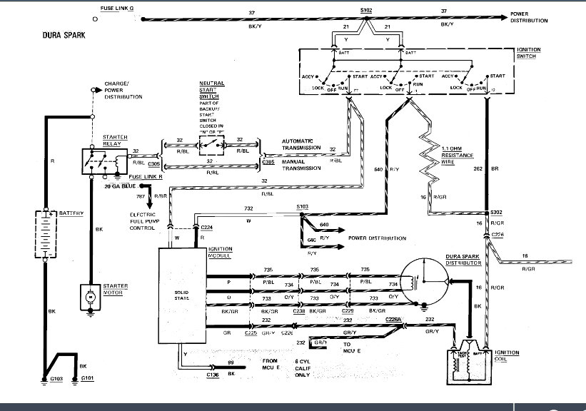
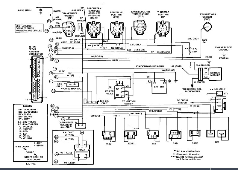
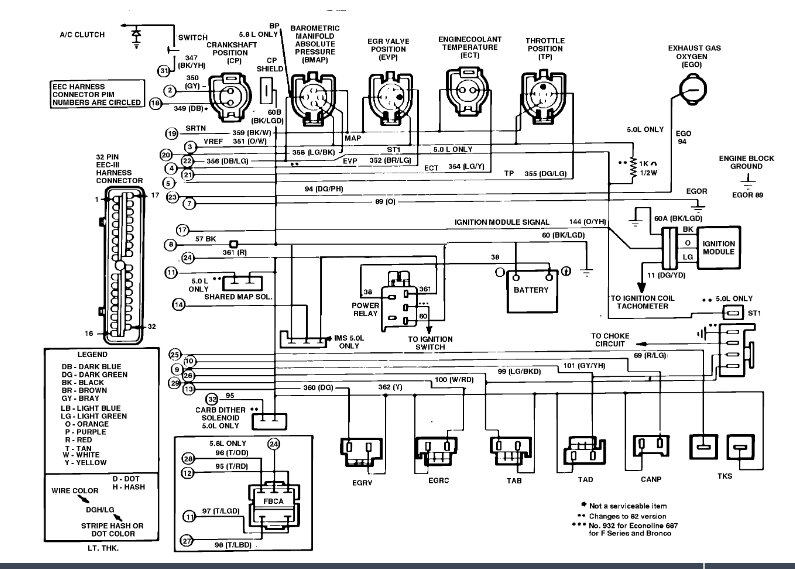
I attached what I have for the powertrain management schematics below. They are for the engine I mentioned.

Let me know.

Joe

See pic below.
Was this
answer
helpful?
Yes
No
-1
Friday, November 4th, 2022 AT 8:26 PM
Tiny
187HASSLE
  • MEMBER
  • 4 POSTS
It's a e 350, 460c.I.
Was this
answer
helpful?
Yes
No
Friday, November 4th, 2022 AT 10:36 PM
Tiny
JACOBANDNICKOLAS
  • MECHANIC
  • 110,194 POSTS
Hi,

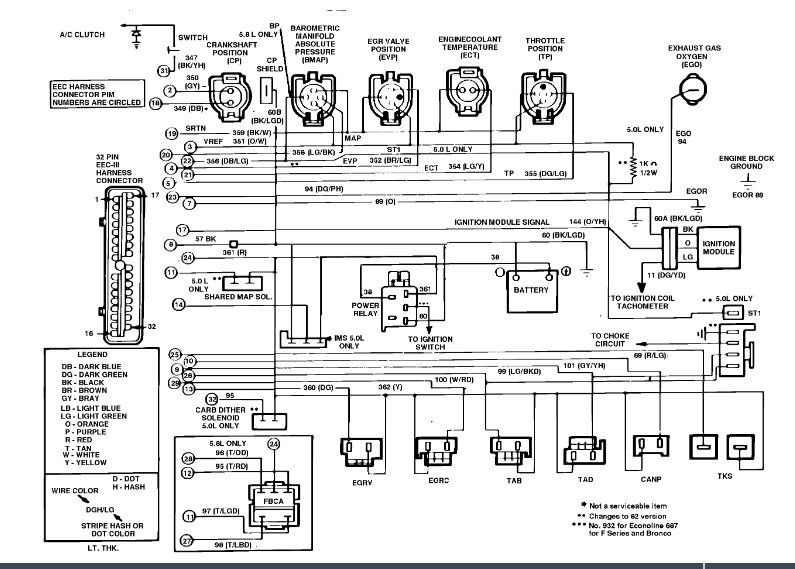
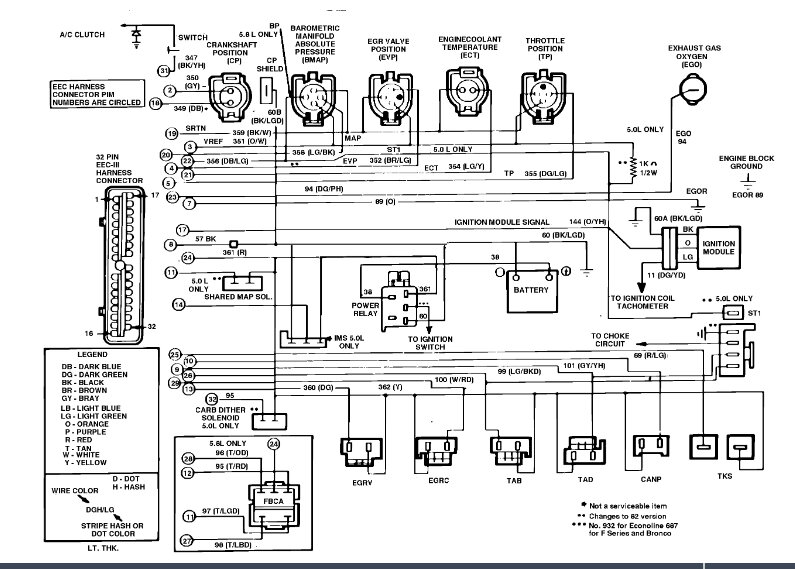
I tried, but there is nothing specific to the powertrain management circuits. I added the list I have below. See if there is anything there that will help.

Let me know.

Joe

See pic below.
Was this
answer
helpful?
Yes
No
-1
Saturday, November 5th, 2022 AT 6:10 PM
Tiny
187HASSLE
  • MEMBER
  • 4 POSTS
I misinformed you about the engine size. It's a 351W. Yes, the ignition system. Someone had rewired under the hood with whatever was lying around, then had a fire(surprise). I have no experience with dual battery systems. I have all the lights, nothing but a clunk sound from one of the starter relay when key is turned.
Was this
answer
helpful?
Yes
No
Saturday, November 5th, 2022 AT 7:15 PM
Tiny
JACOBANDNICKOLAS
  • MECHANIC
  • 110,194 POSTS
Hi,

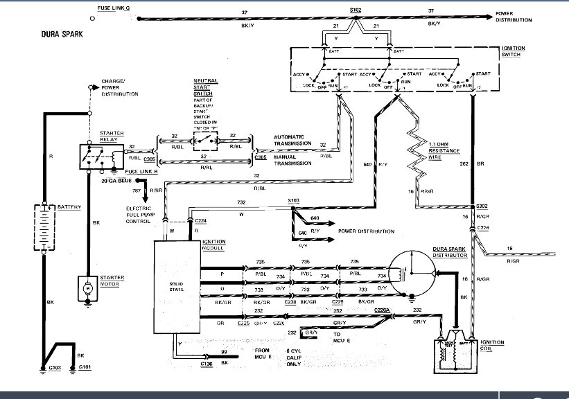
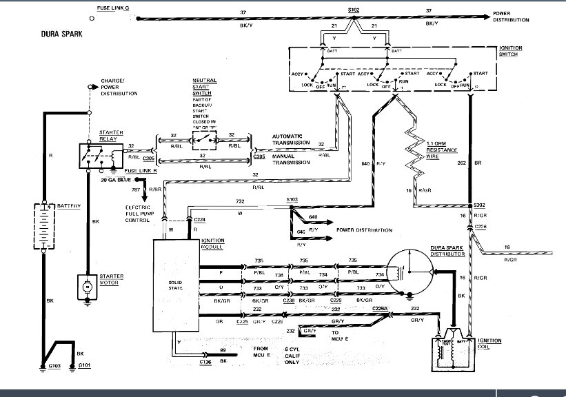
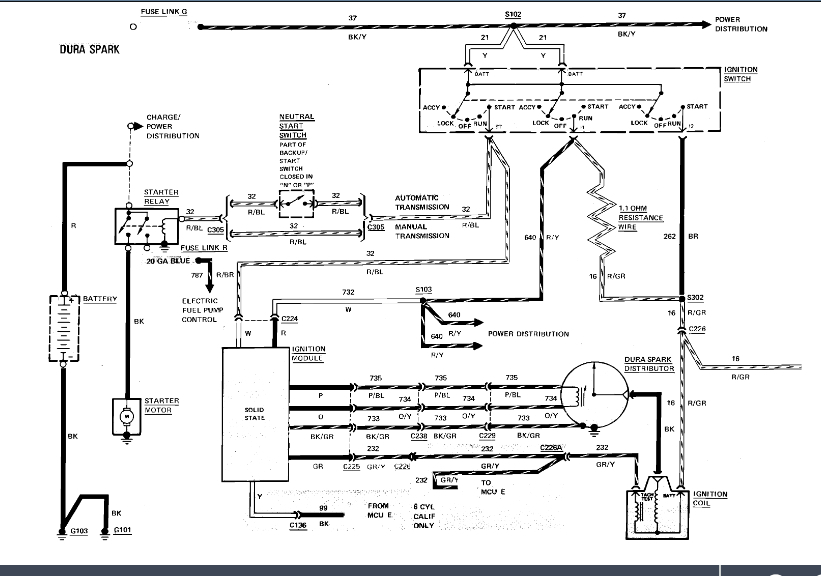
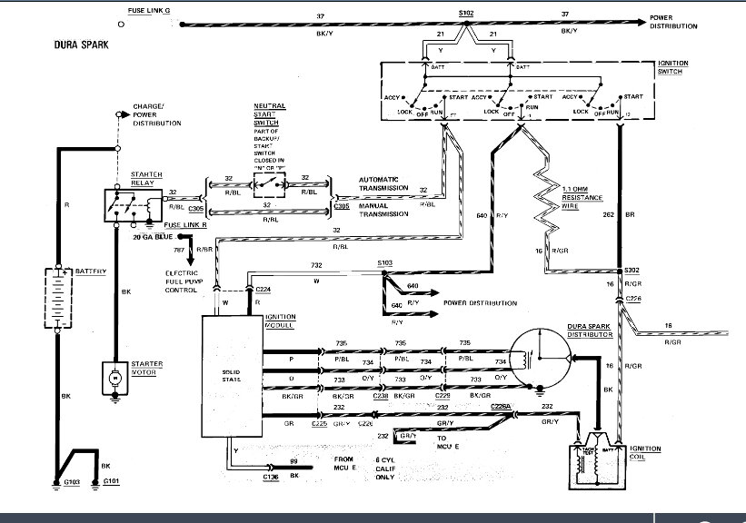
You are going to laugh at me, but the 351 wasn't used on the E350. The 460 was. LOL See the pic below.

Let me know.

Joe
Was this
answer
helpful?
Yes
No
-1
Saturday, November 5th, 2022 AT 10:02 PM
Tiny
187HASSLE
  • MEMBER
  • 4 POSTS
Here you can laugh at both of us now because it's a 400 and 6.6 l do you have any electrical schematics on the engine compartment.
Was this
answer
helpful?
Yes
No
+1
Sunday, November 6th, 2022 AT 10:48 PM
Tiny
JACOBANDNICKOLAS
  • MECHANIC
  • 110,194 POSTS
Hi,

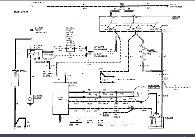
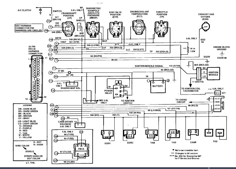
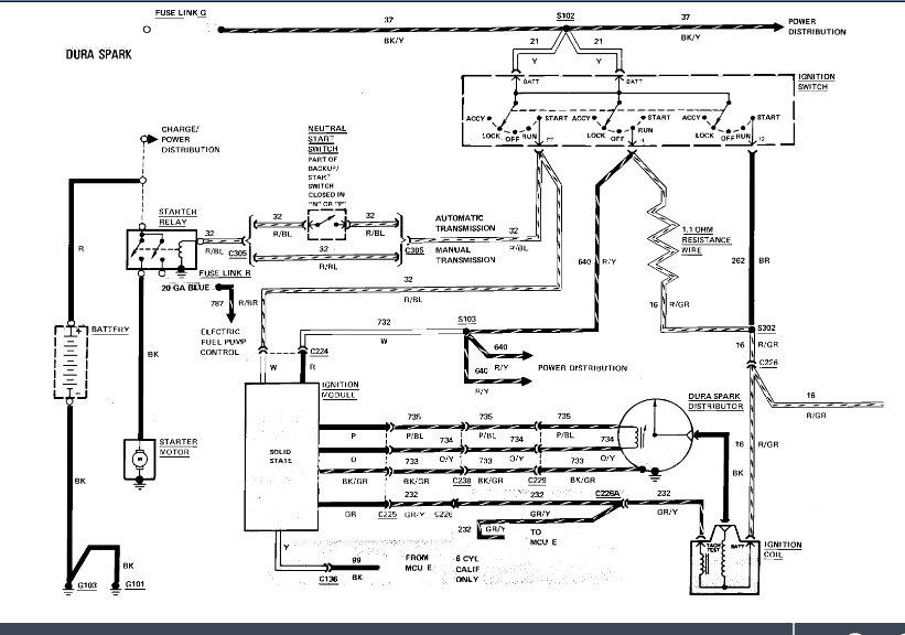
No problem. I attached what I have as far as the powertrain control circuits. Pics 1 and 2 are of the ignition system. The last pic shows what I have available. There really isn't too much because of the model year.

If you see something in pic 3 you need, let me know.

Take care,

Joe

See pics below.
Was this
answer
helpful?
Yes
No
+1
Monday, November 7th, 2022 AT 6:23 PM
Tiny
187HASSLE
  • MEMBER
  • 4 POSTS
Hello,

Thanks very much if you would the" ignition ' one probably wouldn't hurt to have.

I just got to tell you,
You guys are awesome, you have helped me out more than once.

Cheers
Was this
answer
helpful?
Yes
No
Monday, November 7th, 2022 AT 7:04 PM
Tiny
JACOBANDNICKOLAS
  • MECHANIC
  • 110,194 POSTS
Hi,

Thank you and you are very welcome. As far as the ignition system, that is the one I attached above. Is there something other you need?

Let me know.

Joe
Was this
answer
helpful?
Yes
No
Monday, November 7th, 2022 AT 7:25 PM

Please login or register to post a reply.