Wiring diagram

Tiny
BERNIE_DU
  • MEMBER
  • 2005 CHEVROLET SUBURBAN
  • 5.3L
  • V8
  • 2WD
  • AUTOMATIC
  • 250,000 MILES
Can you please provide a wiring diagram for the auxiliary power outlet in the cargo area.
Sunday, August 17th, 2025 AT 4:20 PM

2 Replies

Tiny
AL514
  • MECHANIC
  • 5,597 POSTS
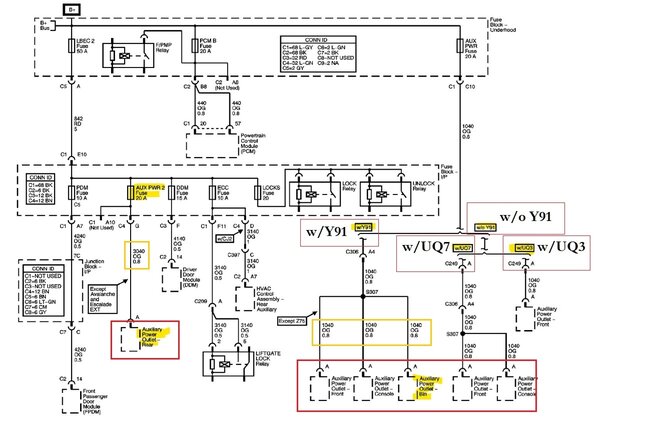
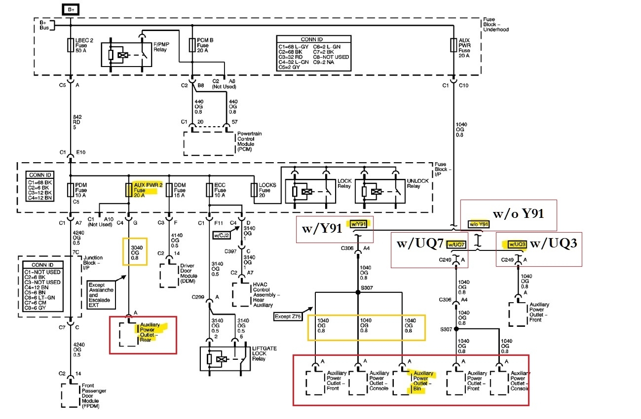
Hello, hopefully this is what you are looking for, this is page 2 of the Power Distribution wiring diagrams (top & bottom). If you need more pages, there are 6 altogether for Power Distribution. Looks like the aux power outlets are on the same fuse.
Was this
answer
helpful?
Yes
No
Sunday, August 17th, 2025 AT 4:56 PM
Tiny
AL514
  • MECHANIC
  • 5,597 POSTS
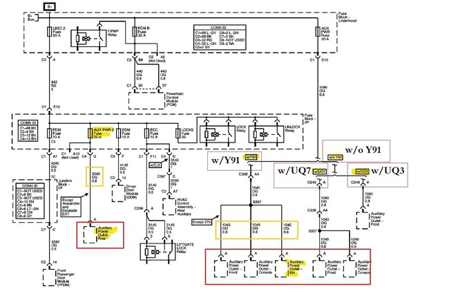
This is the oem wiring diagram which is labelled differently and might be more of what you are looking for. This is fed from the AUX PWR 2 Fuse 20Amp, to the Aux Power Outlet Rear on the left side of the diagram, but notice the other Aux Power Outlets have different RPO codes, there is a list of RPO codes (3 number/digit) codes which help to identify the components the vehicle may or may not have been built with. The RPO list will be somewhere on the vehicle, the owners manual should list where its located, and you are just looking to see if, for example in the list there is a Y91, which on the right side of the diagram branches off to a different set of Aux Power Outlets. But I would check the AUX PWR 2 fuse in the IP fuse block (dash fuse panel). See if that 20Amp fuse has power with the key on. But all the Aux Outlets have Orange wiring to them with what looks to be a Black wire for Ground. Let us know what you find or if you need any other info.
Was this
answer
helpful?
Yes
No
Sunday, August 17th, 2025 AT 5:12 PM

Please login or register to post a reply.