install a aftermarket stereo wiring diagram?

2002 CHEVROLET SILVERADO
140,000 MILES • 5.3L • V8 • 4WD • AUTOMATIC
Avatar
DT0WN86
  • MEMBER
  • 7 POSTS
I need some help with finding a wiring diagram or shop manual I could download or something. I've looked everywhere with no luck. I'm trying to install a aftermarket stereo without a harness and I think I need to run a wire for the ignition because it's run with databus I think. There's just wires everywhere and I need help figuring out what's what. Thank you
Jan 14, 2025 at 7:29 PM
Repair Safety Notice: This information is for general instructional purposes only. Vehicle repair can be dangerous. Verify all information, follow manufacturer service procedures, use proper tools and safety equipment, and consult a qualified repair shop when needed.
Advertisement
Avatar
CARADIODOC
  • CAR REPAIR CONTRIBUTOR
  • 34,308 POSTS
By "wires everywhere", I hope you mean someone already removed the original radio. If not, what I recommend is to unplug the radio first, then check that everything else on the truck works. GM was the first manufacturer to dream up the insane idea that the Body Computer be built into the radio so it can't be removed from the truck, and they started that customer-unfriendly business practice on a few 2002 models. That forces most people to spend way too much money to have their radios repaired through the dealer rather than replaced with high-quality aftermarket units.

If you find such things as cruise control and the audible turn signal "click" are inoperative, there is a way to install your new radio, but the original one must remain in the truck, typically mounted under the front seat with a special wiring harness.

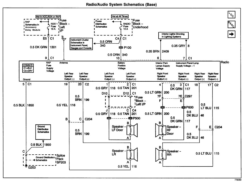
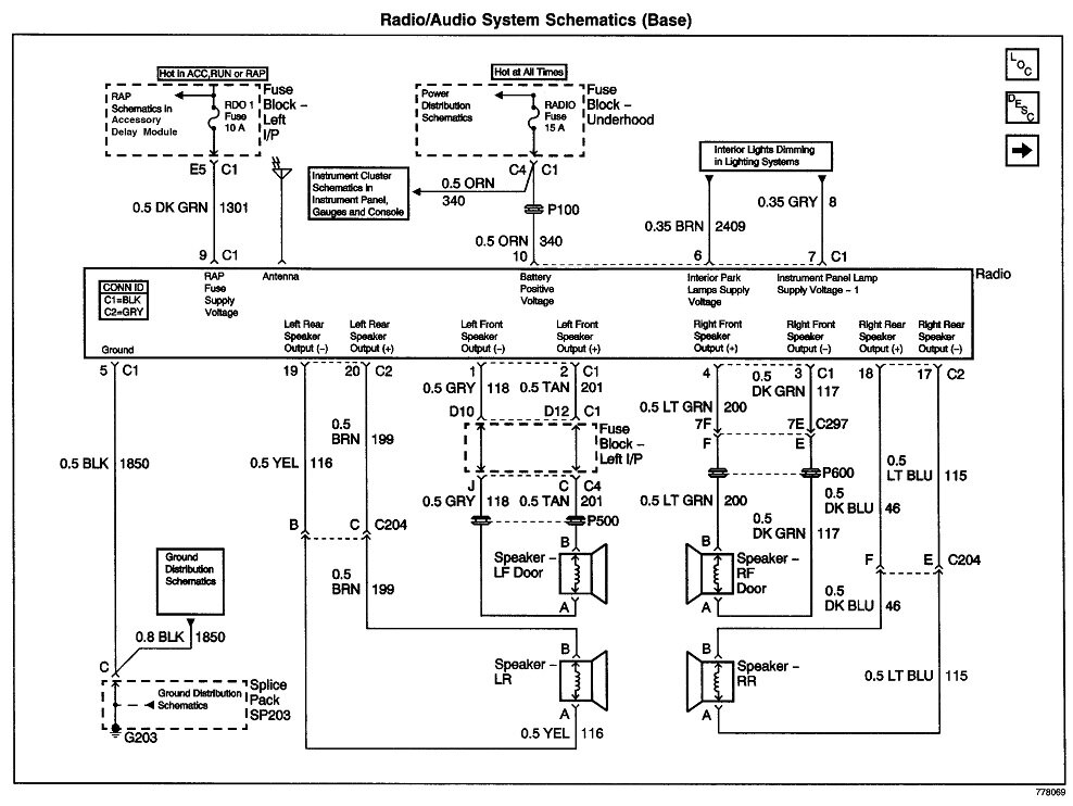
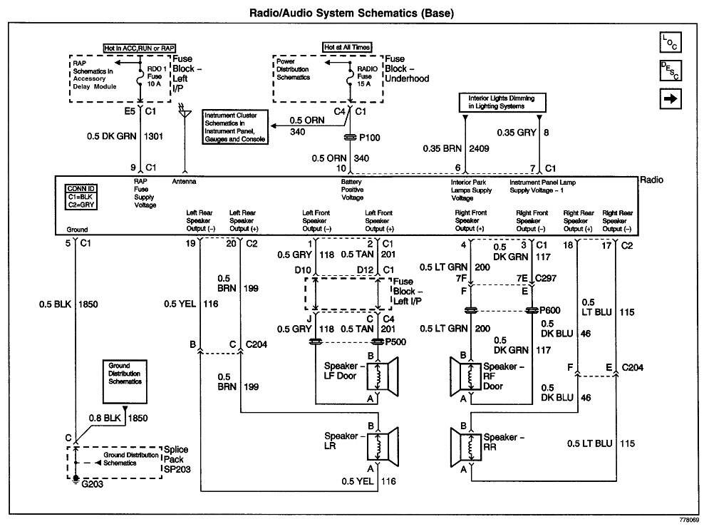
If everything still works with the radio not installed, this diagram is for the base model. Per their standardized wiring color codes, the orange wire is hot all the time. That's for the station presets and clock memory. The dark green wire is the switched 12 volts from the ignition switch.
Jan 14, 2025 at 9:05 PM
Advertisement