wiring Diagram for transmission connector?

2017 HYUNDAI SANTA FE
23,456 MILES • 2.4L • 4 CYL • 4WD • MANUAL
Avatar
ANDRIN ATEM
  • MEMBER
  • 398 POSTS
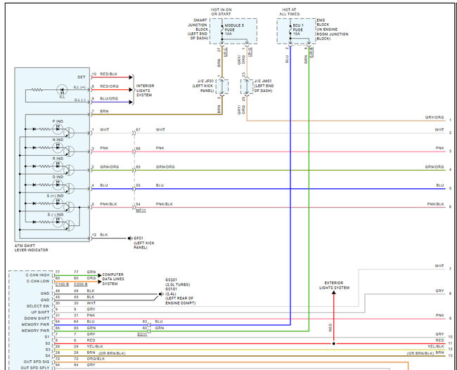
please need Diagram for transmission connector and the pinout for transmission switch range sensor. Thanks!
Jun 28, 2025 at 2:37 PM
Repair Safety Notice: This information is for general instructional purposes only. Vehicle repair can be dangerous. Verify all information, follow manufacturer service procedures, use proper tools and safety equipment, and consult a qualified repair shop when needed.
Advertisement
Avatar
STRAILER
  • CAR REPAIR CONTRIBUTOR
  • 54,189 POSTS
They don't give us the pi outs bad here is the wiring daigrams for the transmission which include the range sensor. Check out the images (below). Let us know if you need anything else.
Jun 29, 2025 at 10:23 AM
Advertisement
Avatar
ANDRIN ATEM
  • MEMBER
  • 398 POSTS
Thank you Ken, this will help out.
Jun 29, 2025 at 11:32 AM
Avatar
STRAILER
  • CAR REPAIR CONTRIBUTOR
  • 54,189 POSTS
You are welcome, please use 2CarPros anytime.
Jun 30, 2025 at 9:59 AM