A/C wiring diagram/video needed?

Tiny
BILL0507
  • MEMBER
  • 2019 CHEVROLET SONIC
  • 64,000 MILES
Field mice ate my A/C wires. I can't find any video that shows how to rewire the A/C wires, or where they go to or come from. Do you have a video for this problem?
Tuesday, July 11th, 2023 AT 4:08 PM

3 Replies

Tiny
JACOBANDNICKOLAS
  • MECHANIC
  • 110,194 POSTS
Hi,

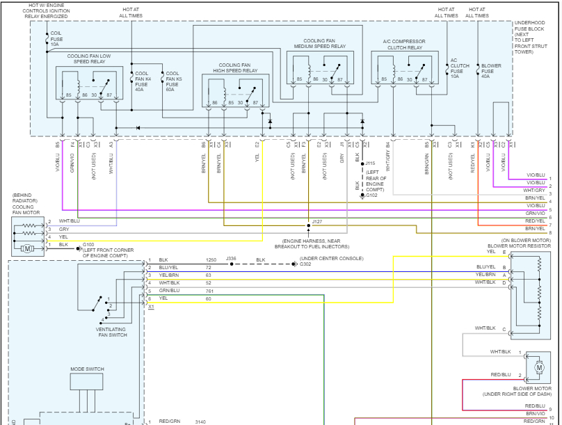
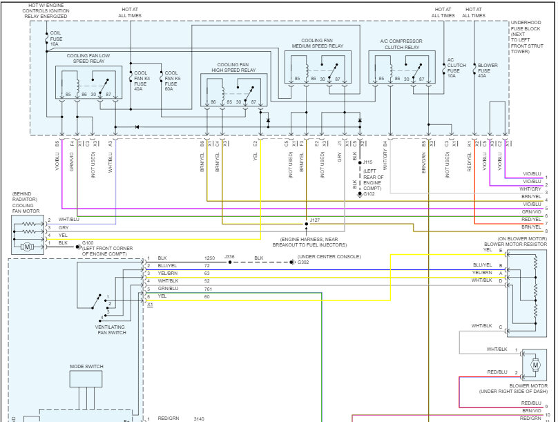
I don't have a video, but I do have the wiring schematics and will help you repair it. I attached the wiring schematics below so that you have a reference. Don't be overwhelmed by them. Half of what is shown is for the radiator fan.

I need to know where the damage was done. Was it under the hood or in the vehicle? Also, usually, mice will eat the insulation and leave the wire. Is that the case?

Let me know. If you could take pictures of the damage and let me know the locations, I should be able to help you through this.

Take care,

Joe

See pics below.
Was this
answer
helpful?
Yes
No
Tuesday, July 11th, 2023 AT 8:21 PM
Tiny
BILL0507
  • MEMBER
  • 2 POSTS
4 images #1= small hole top left had a green wire coming out looks like maybe ground?
#2 = plug for image #4. Image #4 other half for #2. #3 not sure what this for that's all is left. No other wires?
Was this
answer
helpful?
Yes
No
Wednesday, July 12th, 2023 AT 4:39 PM
Tiny
JACOBANDNICKOLAS
  • MECHANIC
  • 110,194 POSTS
Hi,

I'm not seeing anything in pic 1. I copied the pic and circled what I think you are referring to. Is that correct? That is a roll pin. It is holding something together.

Are you able to find other wires having the same colors, minus pic 3? In pic 3, I see a purple wire but can't tell if the other one is gray, brown, or what color it is. Let me know. Also, let me know if the wires are a solid color or if they have a different color tracer through them.

Joe

See pic below.
Was this
answer
helpful?
Yes
No
Wednesday, July 12th, 2023 AT 11:24 PM

Please login or register to post a reply.