Alternator installation instructions needed

Tiny
ROSEKELLER987
  • MEMBER
  • 1993 CHRYSLER FIFTH AVENUE
  • 3.8L
  • 6 CYL
  • 2WD
  • AUTOMATIC
  • 137,000 MILES
Alternator wiring how to hook it up.
Wednesday, January 8th, 2020 AT 1:08 PM

12 Replies

Tiny
ASEMASTER6371
  • MECHANIC
  • 52,796 POSTS
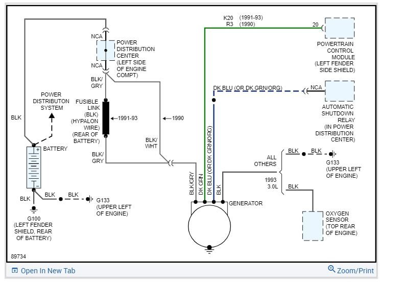
Good afternoon,

I attached the wiring diagram plus the connection view for you as well. Check out the diagrams (Below). Please let us know if you need anything else to get the problem fixed. Let me know if you have any other questions.
Was this
answer
helpful?
Yes
No
Wednesday, January 8th, 2020 AT 1:40 PM
Tiny
BILLIEJO
  • MEMBER
  • 1 POST
  • 1992 CHRYSLER FIFTH AVENUE
  • 118,000 MILES
I am female just ordered a new alternator will be here soon. I will be doing it by myself heard it was simple need to know in detail how to remove then replace the alternator PLEASE
Was this
answer
helpful?
Yes
No
Saturday, December 26th, 2020 AT 10:36 AM (Merged)
Tiny
CARADIODOC
  • MECHANIC
  • 34,463 POSTS
Which engine do you have? Most of the time these alternators develop worn brushes which can be replaced for around ten bucks. You can tell that by measuring the voltages on the two smaller wires on the back while the engine is running.
Was this
answer
helpful?
Yes
No
Saturday, December 26th, 2020 AT 10:36 AM (Merged)
Tiny
JUDI TODD
  • MEMBER
  • 5 POSTS
  • 1987 CHRYSLER FIFTH AVENUE
  • V8
  • 2WD
  • AUTOMATIC
  • 109,000 MILES
Alternator on 1987 Chrysler 5th Ave is cranking out 20 volts and burned out battery. New battery installed and still alt. Cranking 20 volts. Does this car have a votage regulator that can be replaced? Or an EMC?
Was this
answer
helpful?
Yes
No
Saturday, December 26th, 2020 AT 10:37 AM (Merged)
Tiny
SATURNTECH9
  • MECHANIC
  • 30,869 POSTS
It's a external voltage regulator then can be replaced.I posted a diagram of where it is.
Was this
answer
helpful?
Yes
No
Saturday, December 26th, 2020 AT 10:37 AM (Merged)
Tiny
JUDI TODD
  • MEMBER
  • 5 POSTS
Thank you very much for your quick answer. This is what I was hoping, as my son can replace it for me now. I sure appreciate your answer. Merry Christmas to you. Judi
Was this
answer
helpful?
Yes
No
Saturday, December 26th, 2020 AT 10:37 AM (Merged)
Tiny
JUDI TODD
  • MEMBER
  • 5 POSTS
Thank ou saturntech9. Your answer is very much appreciated. Merry Christmas. Judi
Was this
answer
helpful?
Yes
No
Saturday, December 26th, 2020 AT 10:37 AM (Merged)
Tiny
SATURNTECH9
  • MECHANIC
  • 30,869 POSTS
Your welcome hope you had a merry christmas.
Was this
answer
helpful?
Yes
No
Saturday, December 26th, 2020 AT 10:37 AM (Merged)
Tiny
JUDI TODD
  • MEMBER
  • 5 POSTS
My son wanted me to ask you also, if pretty much it sounds like it IS the voltage regulator that is causing the alternator to crank out 20 volts instead of 12 to 13? I mean, it seems like that would be the only thing that it could be. What is an (and I might get this wrong), EMI or EMC? Or if the car has an external VR, it doesn't have this other EMI or EMC? Thanks again for helping with this.
Was this
answer
helpful?
Yes
No
Saturday, December 26th, 2020 AT 10:37 AM (Merged)
Tiny
SATURNTECH9
  • MECHANIC
  • 30,869 POSTS
You have a external voltage regulator I posted the wire diagram to show you that.I also posted how to test the voltage regulator to see if it's bad. You could have a bad voltage regulator but I would do the test I posted to make sure that's what the problem is.
Was this
answer
helpful?
Yes
No
Saturday, December 26th, 2020 AT 10:37 AM (Merged)
Tiny
JUDI TODD
  • MEMBER
  • 5 POSTS
Thank you again for your help. I will forward this info to my son. Again, Happy Holidays! Judi
Was this
answer
helpful?
Yes
No
Saturday, December 26th, 2020 AT 10:37 AM (Merged)
Tiny
SATURNTECH9
  • MECHANIC
  • 30,869 POSTS
Your welcome that's what were here for happy holidays to you too.'
Was this
answer
helpful?
Yes
No
Saturday, December 26th, 2020 AT 10:37 AM (Merged)

Please login or register to post a reply.