How do you wire from fuse panel in engine compartment to battery, starter and alternator?

Tiny
HOAGY56
  • MEMBER
  • 2003 HONDA ACCORD
  • 2.4L
  • 4 CYL
  • 2WD
  • AUTOMATIC
  • 207,000 MILES
How do you wire from fuse panel in engine compartment to battery and starter and alternator?
Friday, April 25th, 2025 AT 7:37 PM

4 Replies

Tiny
KEN L
  • MASTER CERTIFIED MECHANIC
  • 55,285 POSTS
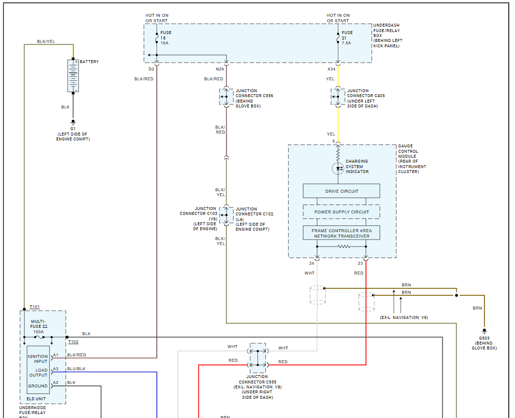
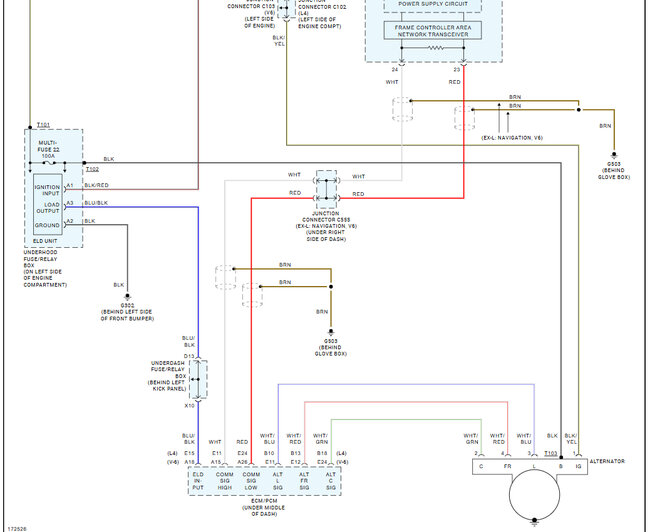
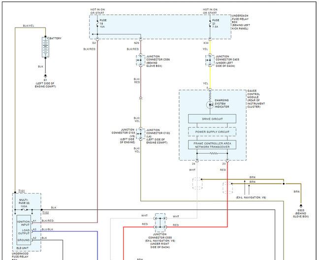
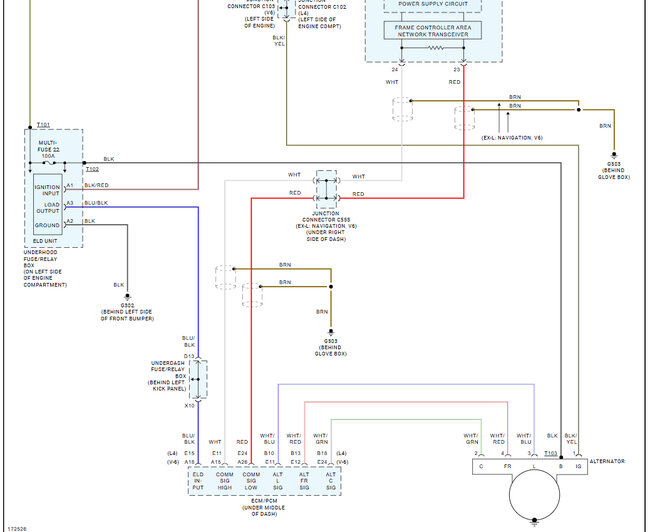
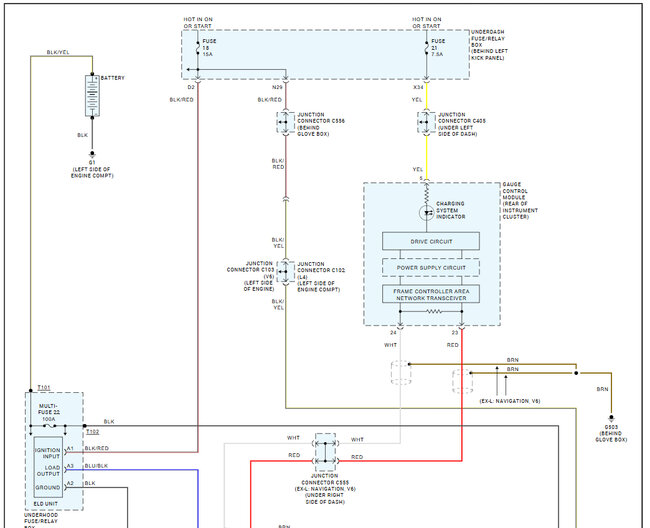
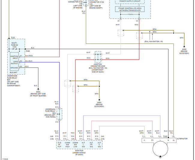
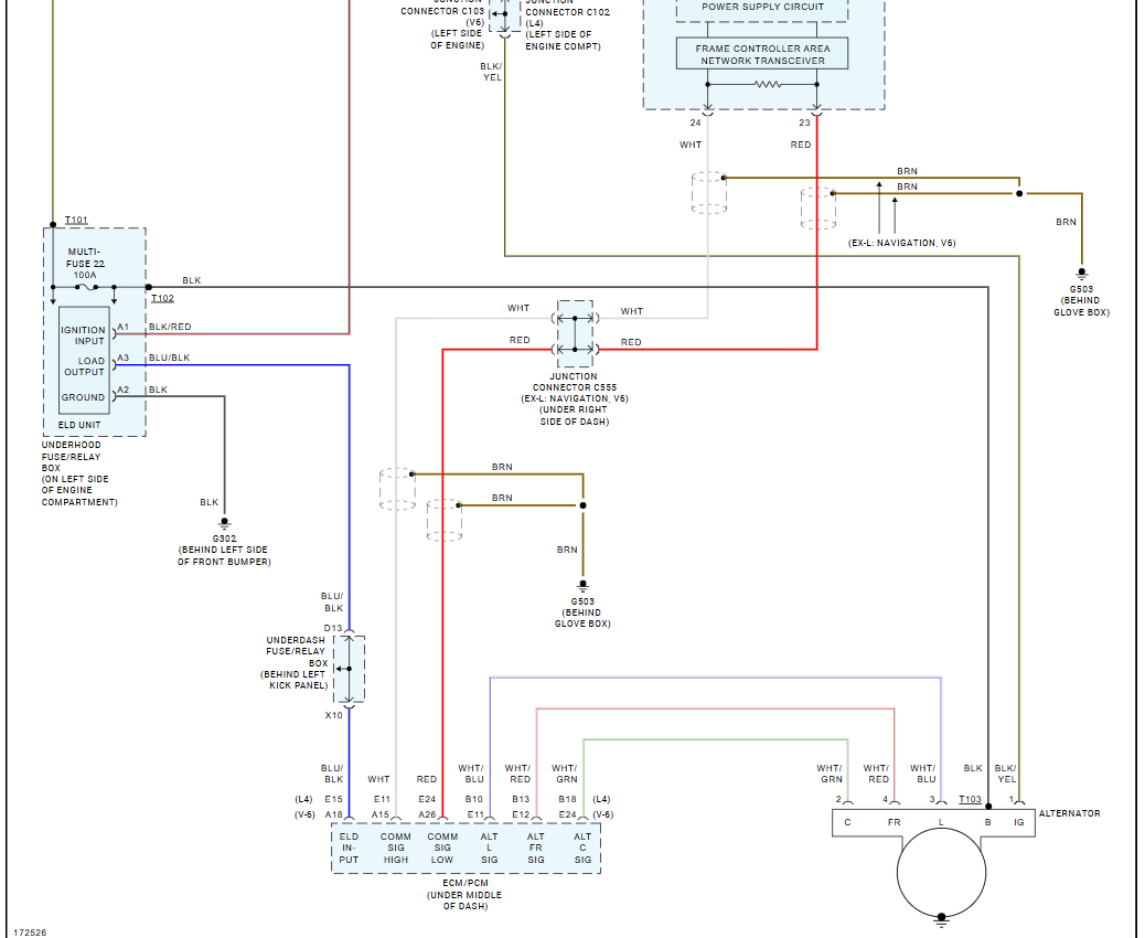
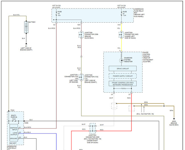
Here are the wiring diagrams for the starter and alternator which show how the system is wires and the fuses involved. Check out the images (below). Let us know if you need anything else.
Was this
answer
helpful?
Yes
No
+1
Sunday, April 27th, 2025 AT 1:18 PM
Tiny
HOAGY56
  • MEMBER
  • 3 POSTS
Thank you very much. Really appreciate this. Ever have plumbing questions, email me.
Lol
Only way I know how to return favor.
Was this
answer
helpful?
Yes
No
Monday, April 28th, 2025 AT 4:42 PM
Tiny
KEN L
  • MASTER CERTIFIED MECHANIC
  • 55,285 POSTS
Lol, sounds good, we help each other, the world is a better place ;)
Was this
answer
helpful?
Yes
No
Tuesday, April 29th, 2025 AT 9:45 AM
Tiny
HOAGY56
  • MEMBER
  • 3 POSTS
Wish a lot more people thought like that. Thank you again.
Was this
answer
helpful?
Yes
No
Wednesday, April 30th, 2025 AT 9:39 AM

Please login or register to post a reply.