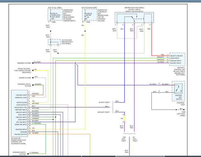
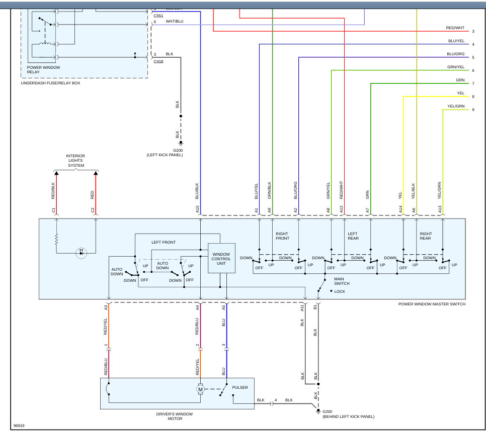
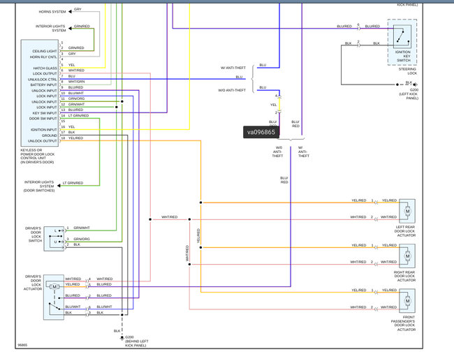
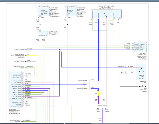
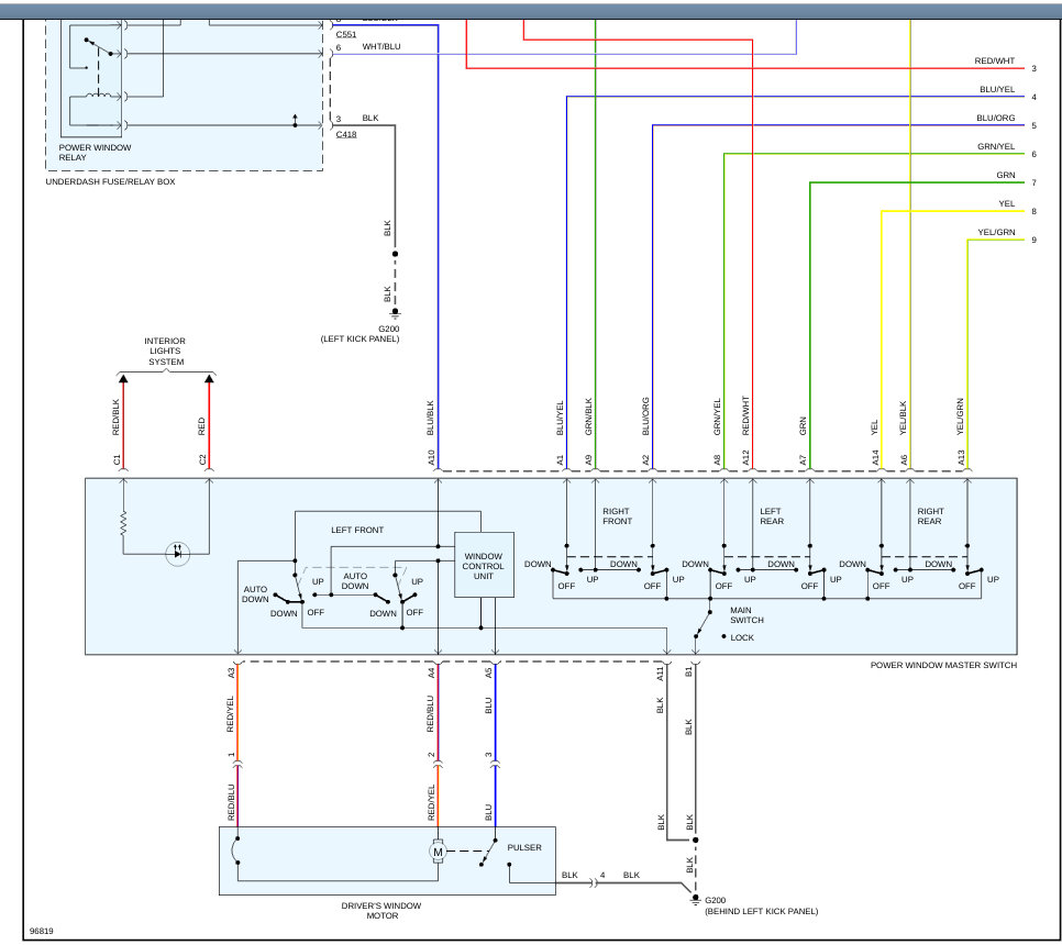
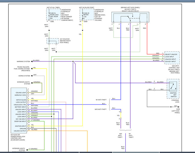
Diagram for the wires on the front passenger door needed

Tiny
COLLIN PERRY
  • MEMBER
  • 1999 HONDA CRV
  • 4 CYL
  • 2WD
  • AUTOMATIC
  • 200,000 MILES
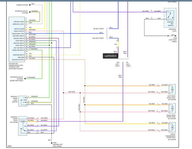
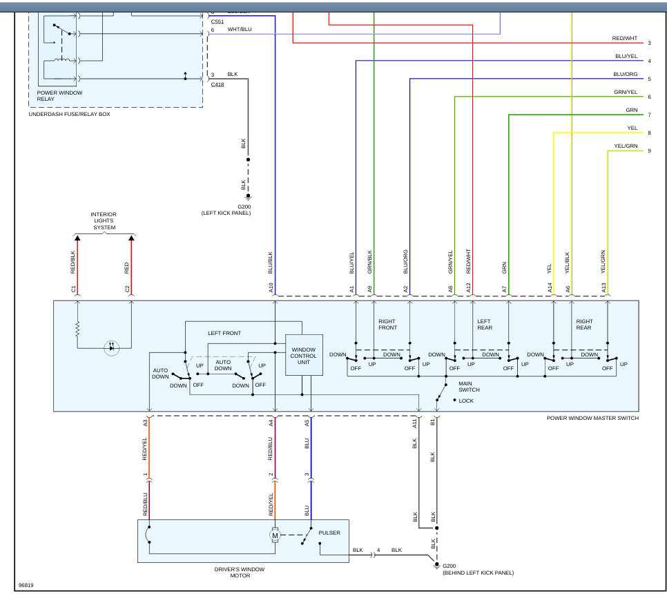
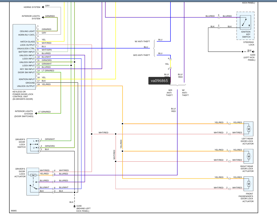
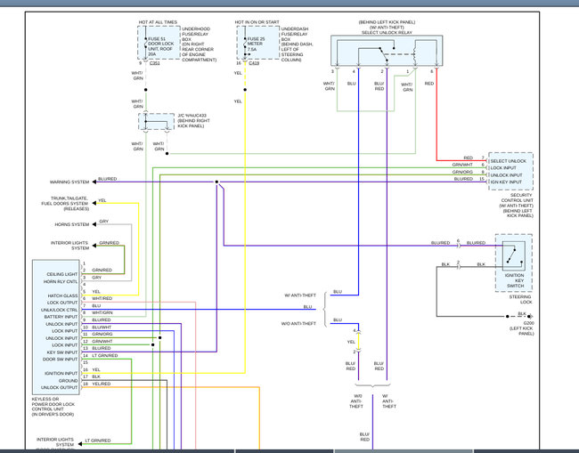
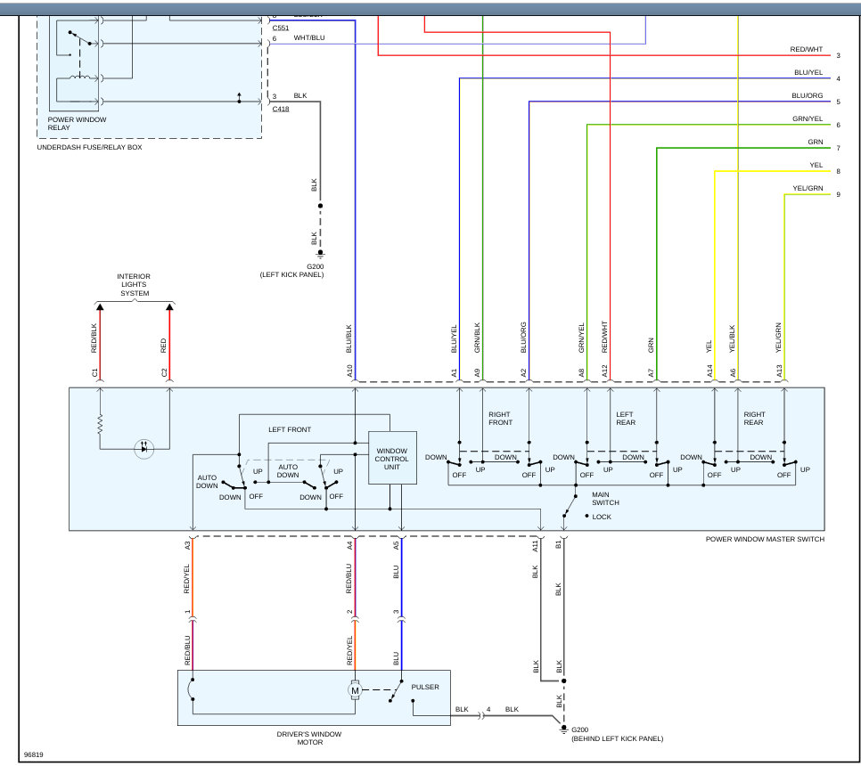
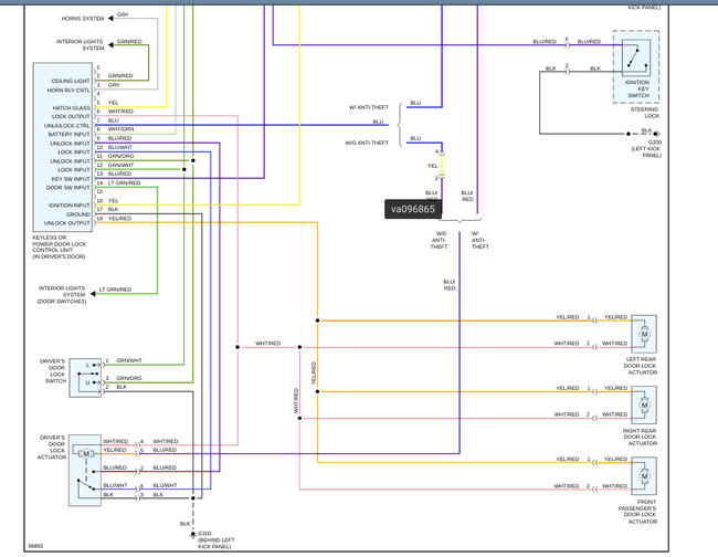
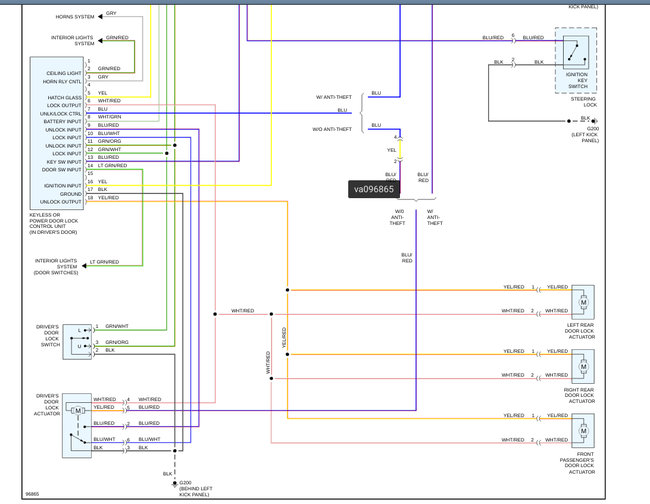
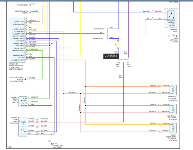
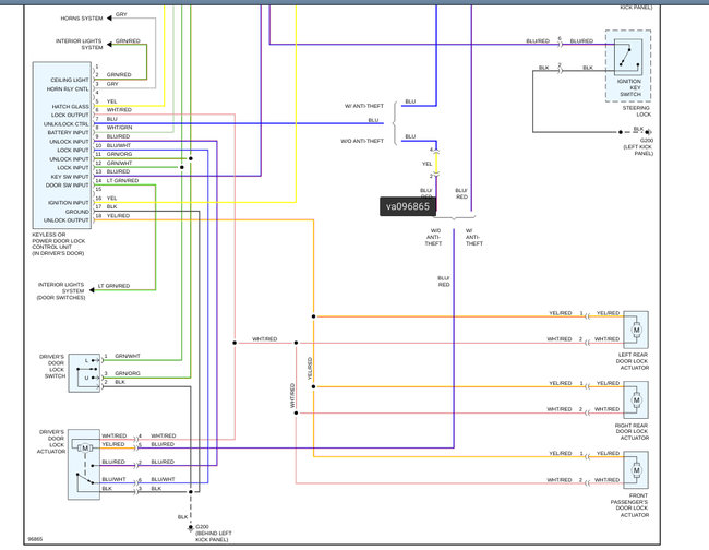
Wiring colors from chassis to door female connector coloring order on front passenger passenger side.
Tuesday, January 14th, 2020 AT 9:05 PM

1 Reply

Tiny
SCGRANTURISMO
  • MECHANIC
  • 4,897 POSTS
Hello,

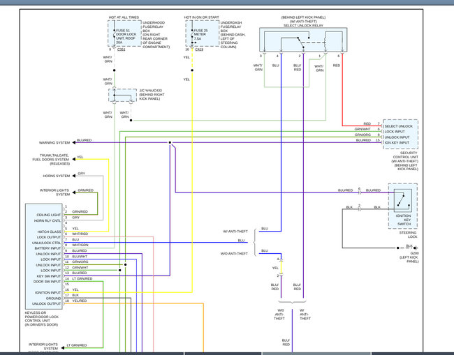
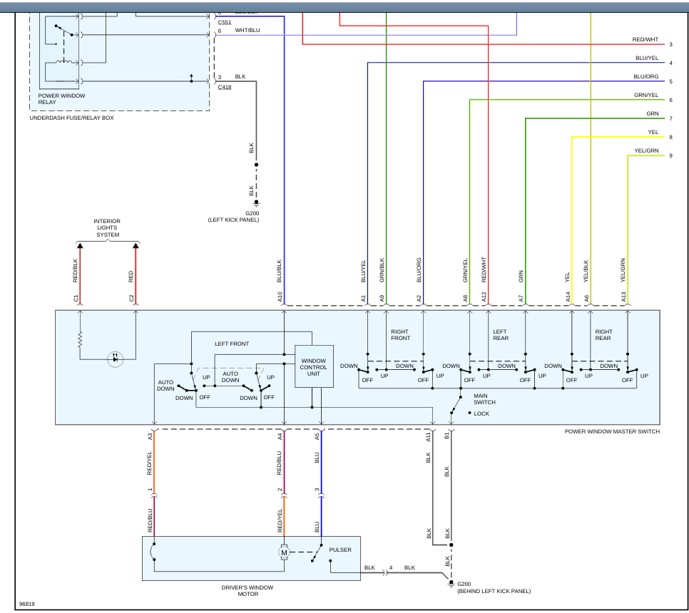
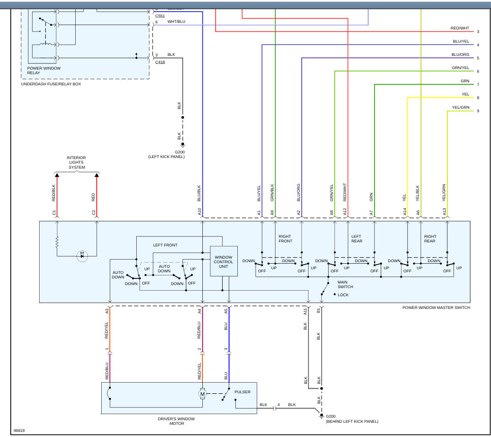
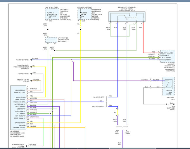
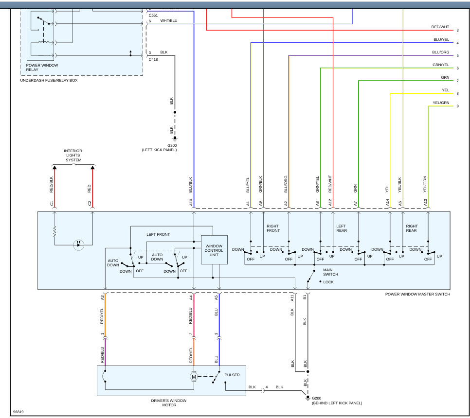
In the diagrams down below I have included the wiring diagrams for the power mirrors,
Power locks and the power windows for your vehicle. I hope that these help. Please go through them and get back to us with how everything turns out.

Thanks,
Alex
2CarPros
Was this
answer
helpful?
Yes
No
-1
Wednesday, January 15th, 2020 AT 3:01 AM

Please login or register to post a reply.