Friday, June 17th, 2016 AT 7:49 AM
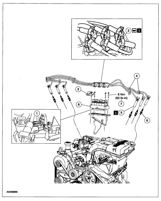
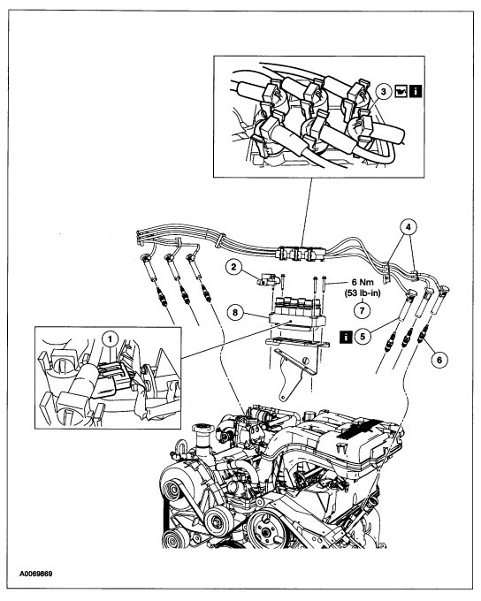
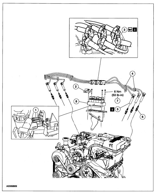
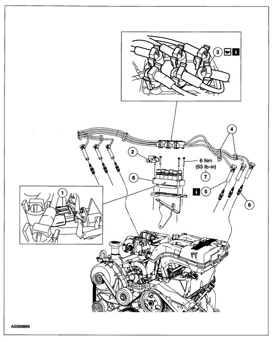
I want to replace my spark plugs and wires since I know my SUV is due for it. But I do not know where the wires are located. I got the idea of how to change the spark plugs, but how do I change the wires? The only video I found was for V8 engine and it looked completely different from mine.




