1996 Ford Explorer Spark Plugs

Tiny
ROSEYJOHNSON
  • MEMBER
  • 1996 FORD EXPLORER
  • 6 CYL
  • AWD
  • AUTOMATIC
  • 18,998 MILES
Where can I find a spark plug wire diagram for a 1996 ford explore? My husband changed the wires, but i'm not sure if he put them back right. Please help. Thank you Rosey
Monday, February 2nd, 2009 AT 2:24 PM

18 Replies

Tiny
JACOBANDNICKOLAS
  • MECHANIC
  • 110,194 POSTS
Hi:
Is the engine missing? If so, most likely they are wrong. I need to know if this has a 4.0L V6

Joe
Was this
answer
helpful?
Yes
No
Tuesday, February 3rd, 2009 AT 8:42 PM
Tiny
ROSEYJOHNSON
  • MEMBER
  • 6 POSTS
Yes it seems like its missing and yes its a v6 4.O. Thanks Rosey
Was this
answer
helpful?
Yes
No
+1
Wednesday, February 4th, 2009 AT 1:17 AM
Tiny
JACOBANDNICKOLAS
  • MECHANIC
  • 110,194 POSTS
Rosey:
Here is the firing order and a picture of the engine cylender layout.


https://www.2carpros.com/forum/automotive_pictures/249084_firing_order_2.jpg



I hope this helps. Let me know if you have other questions.

Joe
Was this
answer
helpful?
Yes
No
+4
Wednesday, February 4th, 2009 AT 3:39 PM
Tiny
ROSEYJOHNSON
  • MEMBER
  • 6 POSTS
I double checked the wires and they are right. Before we put new wires on the explorer was running fine, ever since we changed the wires it idles rough, could it be the we need to change the plugs as well? I called around and to do a tune up it would run around $300. Is this something we can do our self and save some money? My dad was my machanic for all my cars, he's no longer with us and I cant afford $300. Any help would be appreciated, thanks again Rosey
Was this
answer
helpful?
Yes
No
+2
Sunday, February 8th, 2009 AT 1:35 AM
Tiny
JACOBANDNICKOLAS
  • MECHANIC
  • 110,194 POSTS
Replacing plugs isn't hard, Rosey. I would think you would be able to do it. Before you do, make sure the plug wires that you installed are no against metal an arching. Also, be sure the wires are pushed into place tightly (you should hear a slight click)

As far as the plugs, you will either need a 5/8 deep socket or 13/16. Just unplug the wire, loosten and remove the old plug, gap the new plug (if you need help let me know), and replace it. Also, the your Explorer have a distributor cap or do the plug wires just attach directly to coil packs?

Joe
Was this
answer
helpful?
Yes
No
+2
Sunday, February 8th, 2009 AT 12:35 PM
Tiny
ROSEYJOHNSON
  • MEMBER
  • 6 POSTS
I believe its a coil pack. Does that need to be replaced as well?Thanks sooo much for all your help. Rosey
Was this
answer
helpful?
Yes
No
+1
Sunday, February 8th, 2009 AT 9:45 PM
Tiny
ROSEYJOHNSON
  • MEMBER
  • 6 POSTS
How would I beable to tell if the wires are arking against the metal? Could this cause problems and if so what kind of problems? Thanks again Rosey
Was this
answer
helpful?
Yes
No
-1
Sunday, February 8th, 2009 AT 9:48 PM
Tiny
JACOBANDNICKOLAS
  • MECHANIC
  • 110,194 POSTS
Hi:
the easyiest way to check is in the dark. Start the engine and if one of the wires is arching, you will see a spark.

If it is arching, the engine will miss.

JOe
Was this
answer
helpful?
Yes
No
+1
Monday, February 9th, 2009 AT 9:12 AM
Tiny
ROSEYJOHNSON
  • MEMBER
  • 6 POSTS
Does the coil pack need to be replaced as well? Thanks for all your help Rosey
Was this
answer
helpful?
Yes
No
Thursday, February 12th, 2009 AT 11:32 AM
Tiny
JACOBANDNICKOLAS
  • MECHANIC
  • 110,194 POSTS
Hi Rosey,

If the plug wire is arching and not the coil pack, it should be fine. Did you find a problem?

Joe
Was this
answer
helpful?
Yes
No
Thursday, February 12th, 2009 AT 12:06 PM
Tiny
VIVIANA13
  • MEMBER
  • 1 POST
  • 1996 FORD EXPLORER
  • 4.0L
  • V6
  • 4WD
  • AUTOMATIC
  • 18,974 MILES
I need installing instructions on how to change all spark plugs and wires in detail.
Was this
answer
helpful?
Yes
No
Tuesday, May 16th, 2017 AT 12:15 PM (Merged)
Tiny
KEN L
  • MASTER CERTIFIED MECHANIC
  • 55,459 POSTS
Hello,

Here is a guide and some diagrams to help you get the job done.

https://www.2carpros.com/articles/how-to-change-spark-plugs

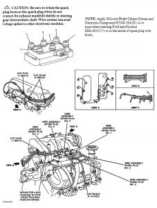
CAUTION: The Generator must be removed to allow for accessibility of the ignition wires that are routed below the generator.

CAUTION: Do not pull on the ignition wire directly as the wire may separate from the connector inside the boot.

Removing Ignition Wires At Coil Pack

REMOVAL
Disconnect ignition wire from spark plug by grasping the boot and twisting slightly in both directions to free it.
Disconnect the ignition wire from the ignition coil by squeezing the locking tabs and twisting while pulling upward.
Remove generator.
Open ignition wire separators and remove ignition wires.
CAUTION: Whenever an ignition wire is removed for any reason from a spark plug or ignition coil or a new ignition wire is installed, coat the entire interior surface of the boot with silicone dielectric compound with a "small clean tool" prior to installation.

CAUTION: Proper installation of ignition wires is critical to vehicle operation. If any ignition wire is improperly installed on spark plug or ignition coil, both spark plugs connected to that coil may not operate under load.

INSTALLATION
Install each ignition wire to the proper terminal on the ignition coils. The terminals on the ignition coils are numbered. Make sure the boots are fully seated and that both locking tabs are engaged.
Route ignition wire through ignition wire separators and close ignition wire separators.
Install generator.
NOTE: Ignition wire spark plug boot must be positioned 45 degrees from crankshaft centerline (outboard and forward) to make sure the boot seal is fully seated.

Please let us know if you need anything else to get the problem fixed.

Cheers, Ken

Was this
answer
helpful?
Yes
No
Tuesday, May 16th, 2017 AT 12:15 PM (Merged)
Tiny
ANGEL215I
  • MEMBER
  • 1 POST
  • 1996 FORD EXPLORER
  • 6 CYL
  • 4WD
  • AUTOMATIC
  • 167,000 MILES
Engine Performance problem
1996 Ford Explorer 6 cyl Four Wheel Drive Automatic 167000 miles

I have tried to change the spark plugs to my ford explorer, however, it is not easily accessable because something is covering the plugs besides the cables. How can I go about changing them?
Was this
answer
helpful?
Yes
No
Tuesday, May 16th, 2017 AT 12:15 PM (Merged)
Tiny
RICKMAR
  • MECHANIC
  • 170 POSTS
Sometimes it makes it much easier if you go through the wheel well.
Jack up the explorer, remove the tire. Make sure the vehicle is supported very well so you will not get injured from the explorer falling.

There is a rubber splash guard that prevents water from entering the engine compartment. Remove the splash guard. You should have a much easier shot at the spark plugs. Do the same on the other side.

Don't forget to re-install the splash guard on each side before putting the tire back on.
Good Luck;
Rick
Was this
answer
helpful?
Yes
No
Tuesday, May 16th, 2017 AT 12:15 PM (Merged)
Tiny
BIG DOG
  • MEMBER
  • 1 POST
  • 1996 FORD EXPLORER
  • 6 CYL
  • 2WD
  • MANUAL
  • 170,000 MILES
Engine Performance problem
1996 Ford Explorer 6 cyl Two Wheel Drive Manual 170000 miles

I replaced my spark plug wires and I gor them switched some how. I am not sure how to lay them in to get it running. Now it backfires. It was running better before I chamged the wires. How can I get the wires llaid beck in to the correct spark plugs?
Big dog
Was this
answer
helpful?
Yes
No
Tuesday, May 16th, 2017 AT 12:15 PM (Merged)
Tiny
DAVE H
  • MECHANIC
  • 13,384 POSTS


https://www.2carpros.com/forum/automotive_pictures/266999_wire2_1.jpg



https://www.2carpros.com/forum/automotive_pictures/266999_wire_3.jpg

Was this
answer
helpful?
Yes
No
+7
Tuesday, May 16th, 2017 AT 12:15 PM (Merged)
Tiny
SMILEYSFV
  • MEMBER
  • 1 POST
  • 1996 FORD EXPLORER
  • V8
  • AWD
  • AUTOMATIC
  • 150,000 MILES
Engine Performance problem
1996 Ford Explorer V8 All Wheel Drive Automatic 150000 miles

i changed my sparkplugs and the wires and the car was running ruff. Diagnostic said #6 missfire. Swaped the coil packs around car would not start. Put them back the same way and now car idle under 1000 and has gotten a bad hickup like a backfire in the front not so much at the tail. And have lost alot of power now. Oh also did not gap sparkplugs either, did not say it was required.
Was this
answer
helpful?
Yes
No
Tuesday, May 16th, 2017 AT 12:15 PM (Merged)
Tiny
RICKMAR
  • MECHANIC
  • 170 POSTS
When you put the coil packs


https://www.2carpros.com/forum/automotive_pictures/433905_coil_packs_1.jpg



back on, are you sure each ignition wire ( 1 3 7 2 6 5 4 8 ) is connected to the coil pack correctly?


https://www.2carpros.com/forum/automotive_pictures/433905_50L_firing_order_1.jpg



The spark plugs need to be gapped!!
(0.052-0.056 inch)
** If a spark plug is removed for inspection, it must be reinstalled in the same cylinder.
Cylinders No. 1, 2, 3 and 4 have a "EG" suffix. Cylinders No. 5, 6, 7 and 8 have a "E" suffix.

Good Luck;
Rick
Was this
answer
helpful?
Yes
No
Tuesday, May 16th, 2017 AT 12:15 PM (Merged)

Please login or register to post a reply.