Wire harness diagram needed?

Tiny
BILLGILL707
  • MEMBER
  • 2000 GMC JIMMY
  • 4.3L
  • 6 CYL
  • 4WD
  • AUTOMATIC
  • 60,000 MILES
I don't know where any of the wires go, I know they are supposed to lay where they go but that's not exactly enough info. I need pictures of the layout of the wire harness and a list of where all the plugs on the harness go to please. I didn't unplug any of the wires. It's been 6 months to a year that it's been sitting and what little I may have known I've forgotten.
Wednesday, February 8th, 2023 AT 2:12 PM

1 Reply

Tiny
JACOBANDNICKOLAS
  • MECHANIC
  • 110,192 POSTS
Hi,

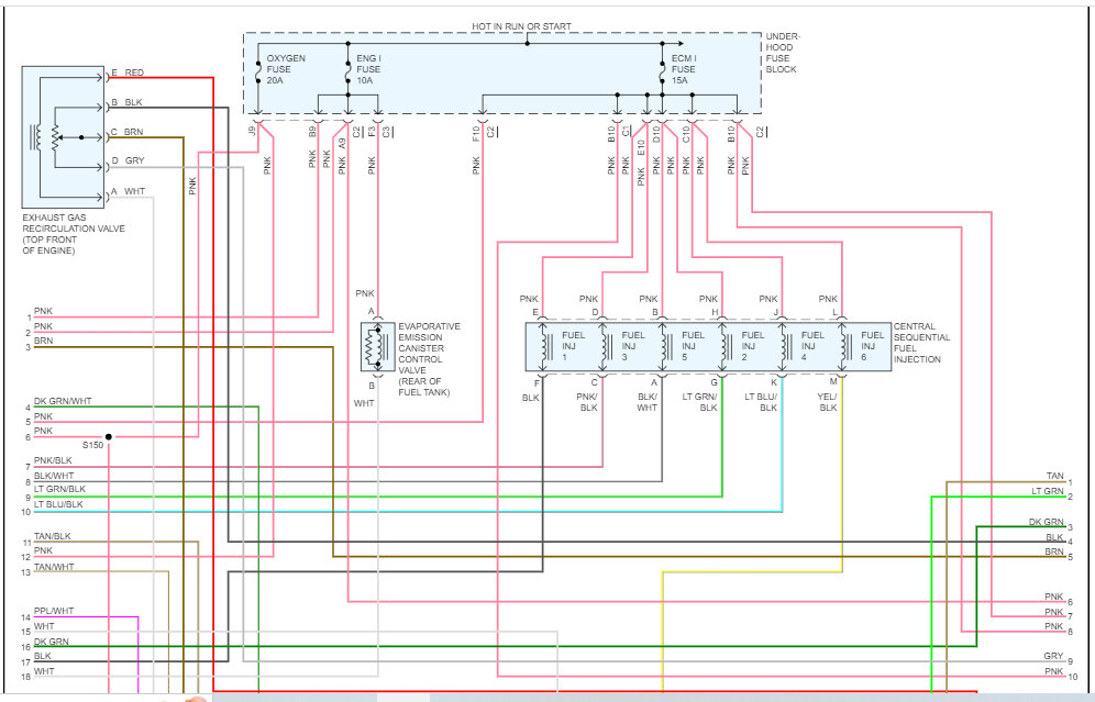
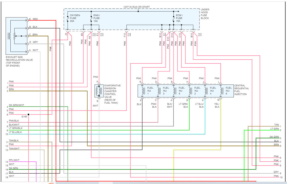
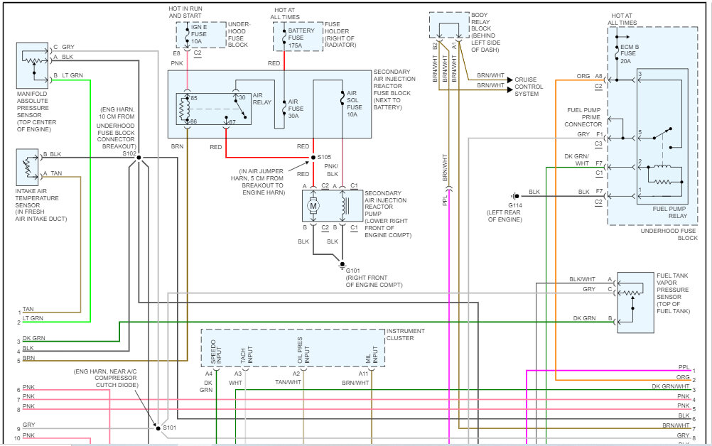
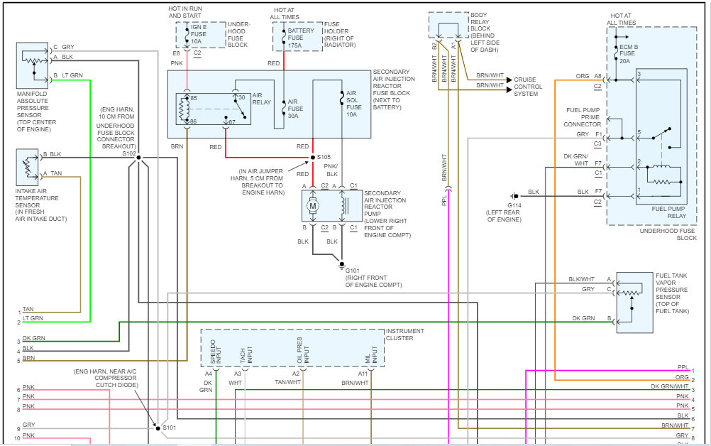
I see ground wires, spark plug wires, and others. Please understand that there is no schematic that shows wiring routing. I do have wiring schematics, but I'm not sure where to start. I would recommend putting a lid on the brake master cylinder. That shouldn't be exposed to the atmosphere.

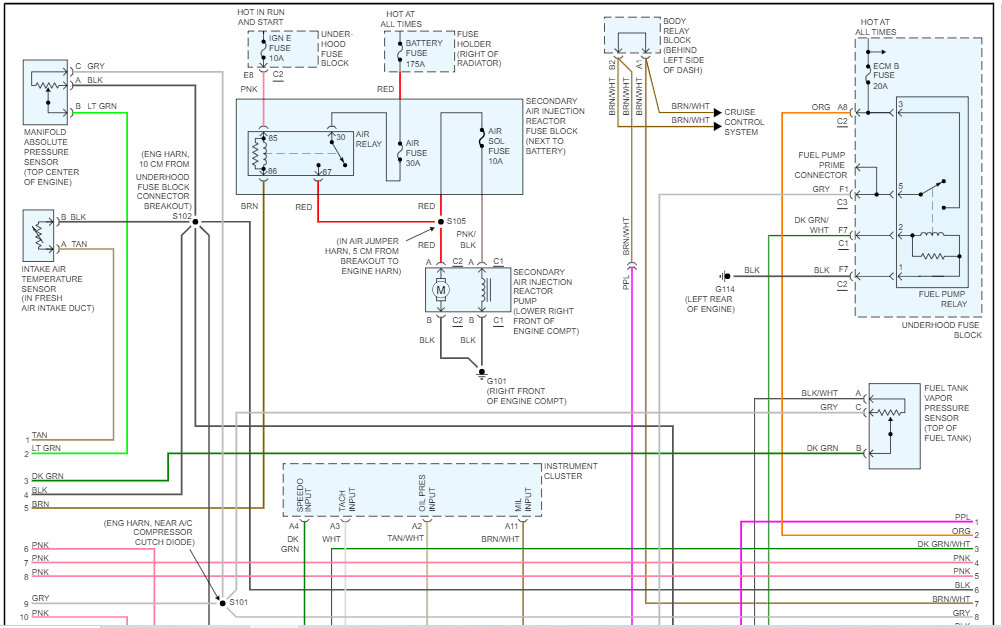
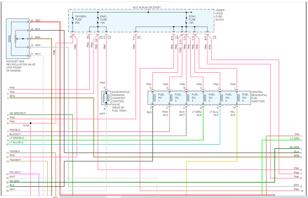
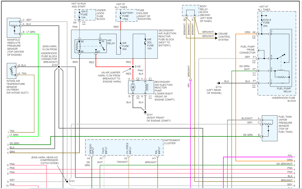
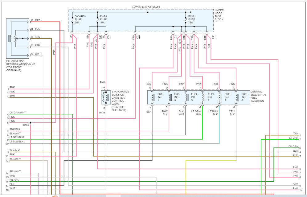
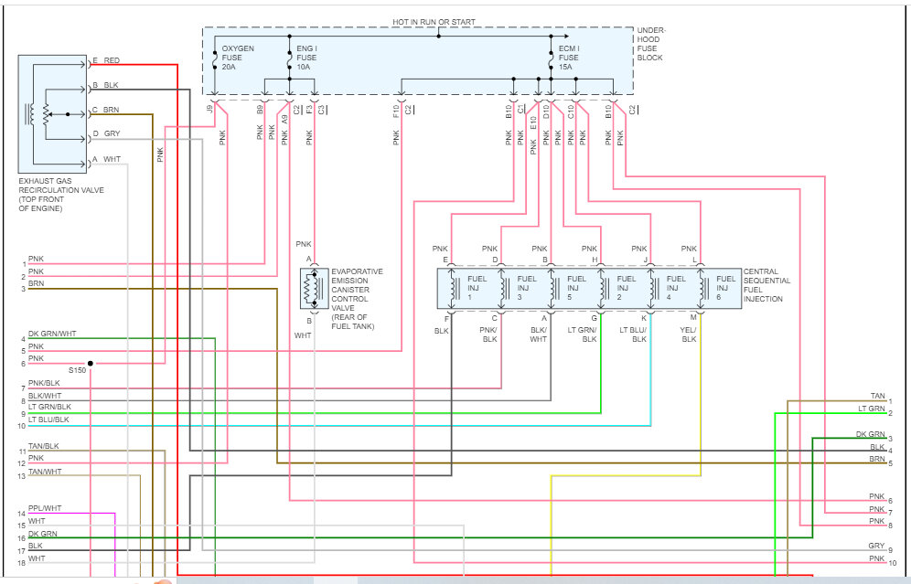
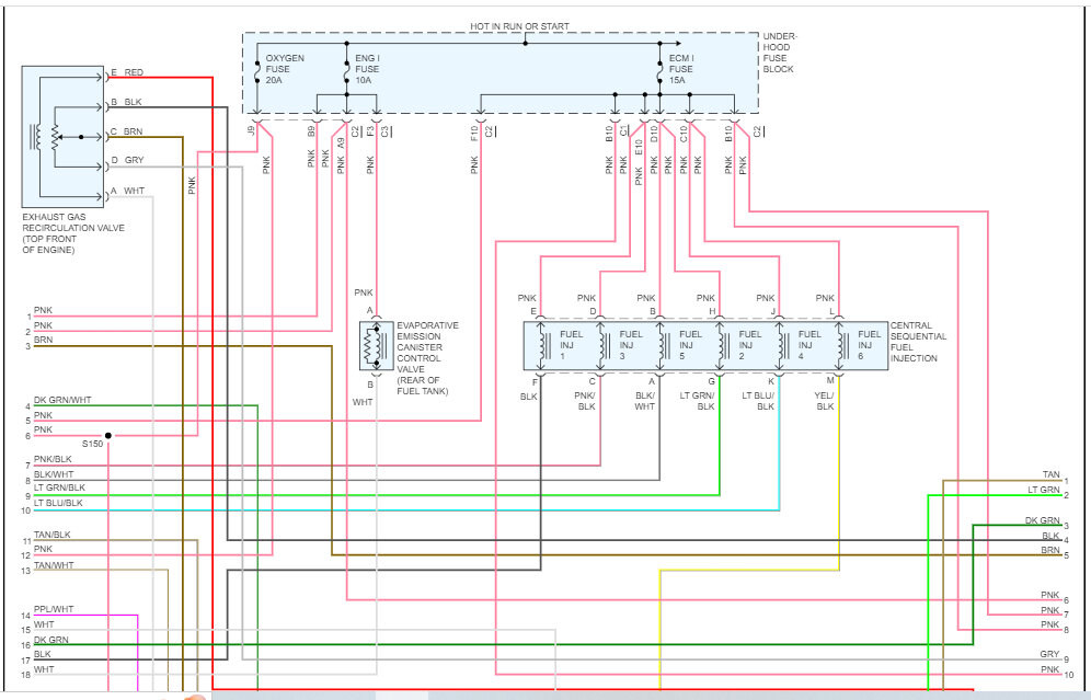
Now, I attached the powertrain management wiring schematic. You may have to select one connector at a time and identify the wire colors. Then, try to pinpoint that harness on the schematic to see where it goes. I can try my best to help from here.

If I was there to help, it would make it a lot easier for me because I would simply check what is close to the connector and see if the wiring connector will attach to the component. Then, once you identify the component, you can confirm it is correct by looking at the schematic.

Take a look at the schematic below and let me know if you are comfortable trying this.

Take care,

Joe

See pics below

Note: The schematic was four pages long. I had to cut each one in half to make it readable for you.
Was this
answer
helpful?
Yes
No
Wednesday, February 8th, 2023 AT 3:03 PM

Please login or register to post a reply.

Related General Content