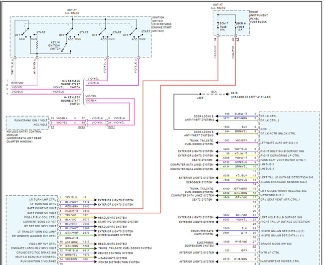
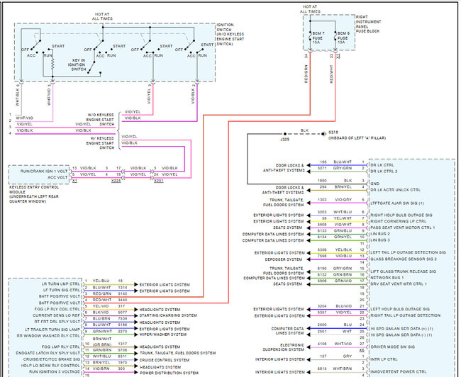
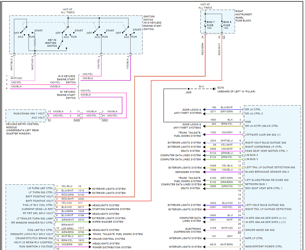
It comes equipped with K4C but the wireless charging unit in the center console is not functioning. The module gets three wires in, GN (circuit 4512) which I verified at 12V, it has a good BK ground, and the last wire is VT/YL (circuit 5985 - accessory wake up). This last wire has no voltage so I'm thinking the module wont wake up without this LIN signal. All the circuits and pin numbers I found are from other similar vehicles manuals online so I'm looking for the actual 2017 suburban wiring manuals so I can nail down the exact BCM pin and check continuity.
Also I have heard there was an issue with GM wireless modules 2017 and earlier but I bought the newer Gen 2 part and still nothing so I dont think that is the issue.
Thanks for any help in this!
Friday, August 15th, 2025 AT 10:41 PM






