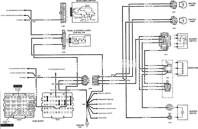
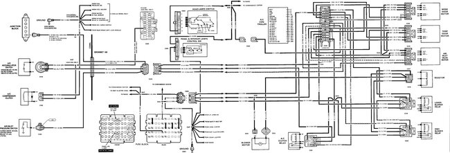
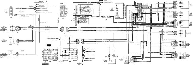
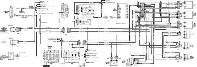
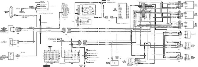
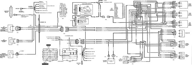
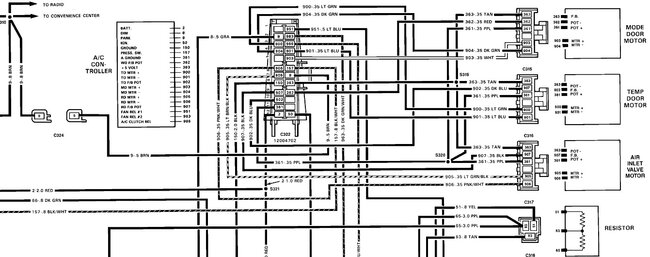
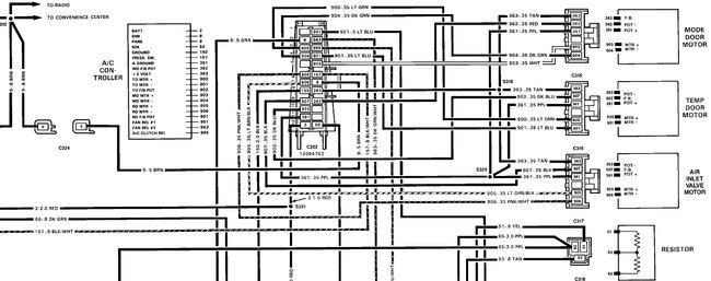
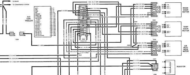
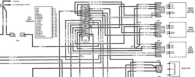
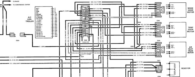
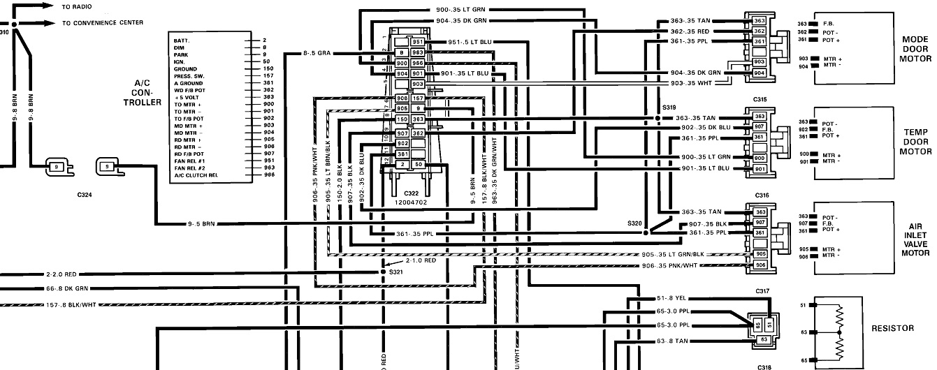
Thursday, November 3rd, 2022 AT 7:34 AM
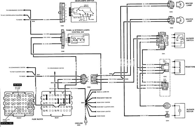
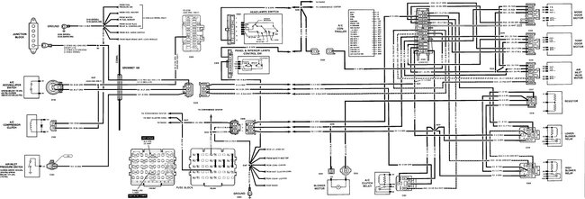
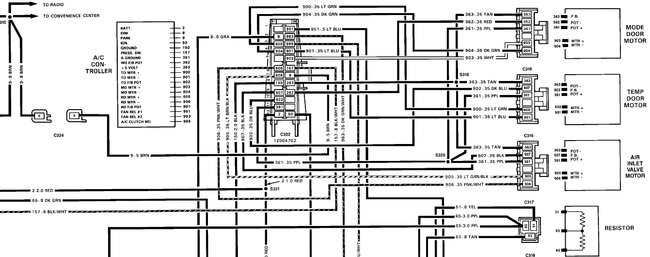
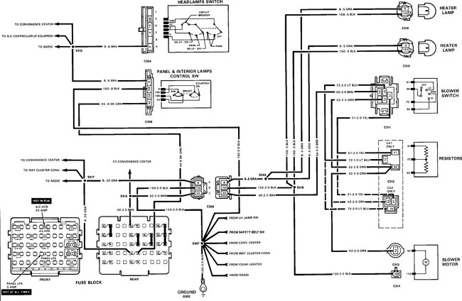
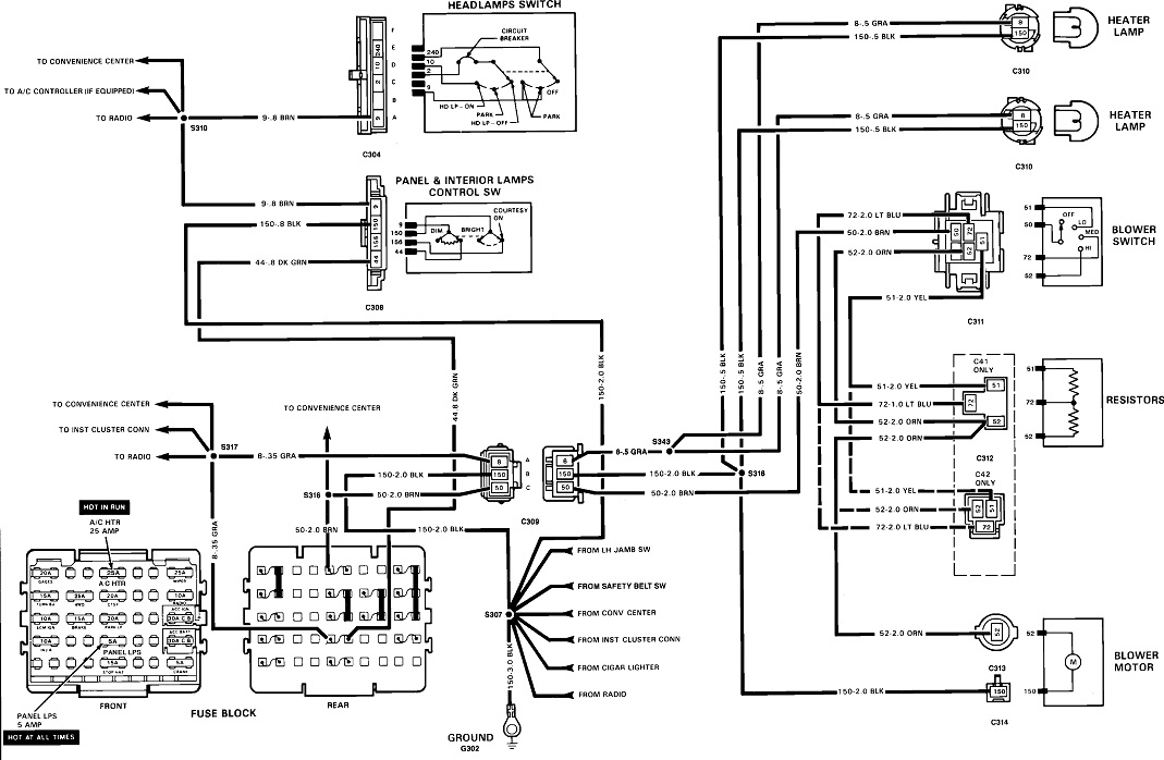
Need a wiring diagram for the AC Heater control unit, the wires that plug into the unit have been cut. Where do these wires fasten to the power supply and ignition switch?






