Tuesday, February 2nd, 2021 AT 7:55 AM
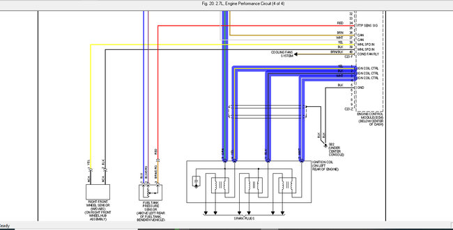
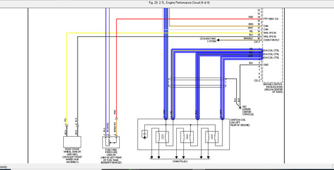
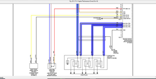
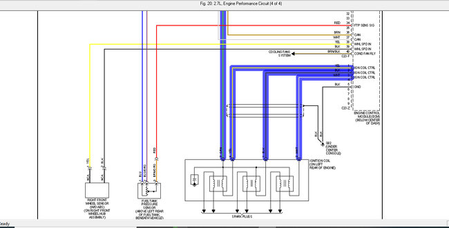
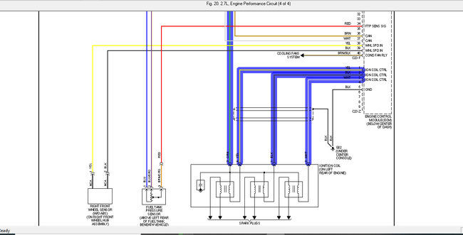
Had to replace coil pack wire plug 4 pin. Got it from wrecking yard it's different color still 4 pin colors are black, red white and yellow from ignition plug. What I need is colors go to what coils the coil pack has 1 yellow/black. 2. Blue 3 orange/white. 4 black/white schematics would be awesome plug to plug please.




