Code P0888, PCM wiring diagram needed

Tiny
DEVON BLADES
  • MEMBER
  • 2004 DODGE STRATUS
  • 2.7L
  • 6 CYL
  • 2WD
  • AUTOMATIC
  • 170,000 MILES
I'm trying to get the diagram for which wires go from the relay to the PCM. I'm getting done p0888 and getting only 0.3 volts and other times 12. So there's got to be a wire that's broke but hanging on by a thread.
Tuesday, May 25th, 2021 AT 1:11 PM

1 Reply

Tiny
STEVE W.
  • MECHANIC
  • 15,671 POSTS
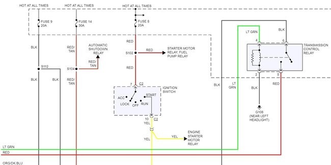
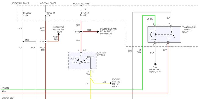
Which diagram are you looking for? The header says wipers but the code you put in is for a transmission control relay code. Also do you have an early production version with a TCM and a PCM or the later version with the PCM only? Both versions get the power for the relay contacts from fuse 9 through a black wire to pin 6 of the relay. The power for the control side differs though. On the early version it comes from pin 15 on the TCM through a light green wire to pin 4 on the relay. On the late production it comes to pin 4 of the relay on a light green wire but from pin 15 on the PCM. It also sounds more like the wire has a bad connection which would be common for Chrysler.

First two are the early production, second two are the late production.
Was this
answer
helpful?
Yes
No
Tuesday, May 25th, 2021 AT 4:09 PM

Please login or register to post a reply.