Wipers will not stop?

Tiny
NIGEL1403
  • MEMBER
  • 2002 HONDA CIVIC
  • 1.4L
  • 2WD
  • AUTOMATIC
  • 145,000 MILES
My wipers will not switch off when running. I have replaced the fuse and the wiper stalk. Could it be something to do with the cold weather?
Saturday, December 17th, 2022 AT 10:35 AM

3 Replies

Tiny
JACOBANDNICKOLAS
  • MECHANIC
  • 110,194 POSTS
Hi,

There is a chance the motor itself has shorted internally or the multiplex control unit under the dash has shorted. I have a few questions. First, when they are running, do you have control over the wiper speed? Does the washer pump work?

Next, I need to determine if there is a short to power at some point. What I want you to do is remove fuse 20 from the under-dash multiplex control unit. Do this and let me know if the wipers still run.

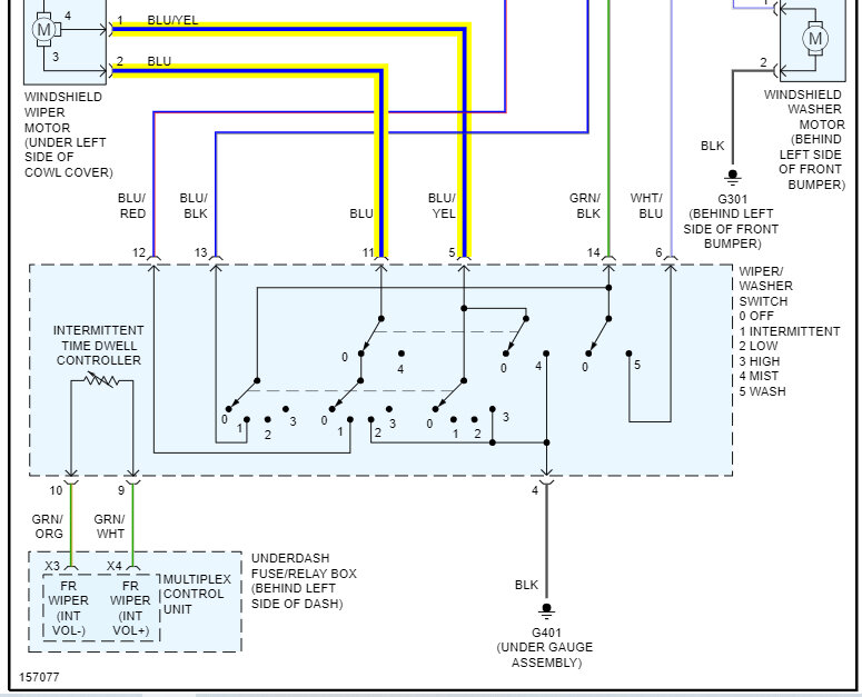
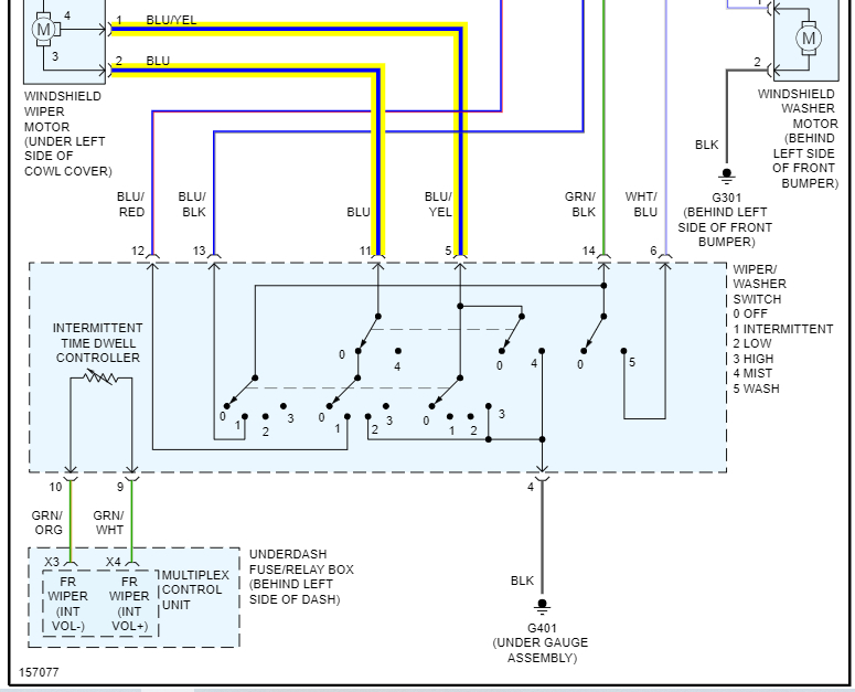
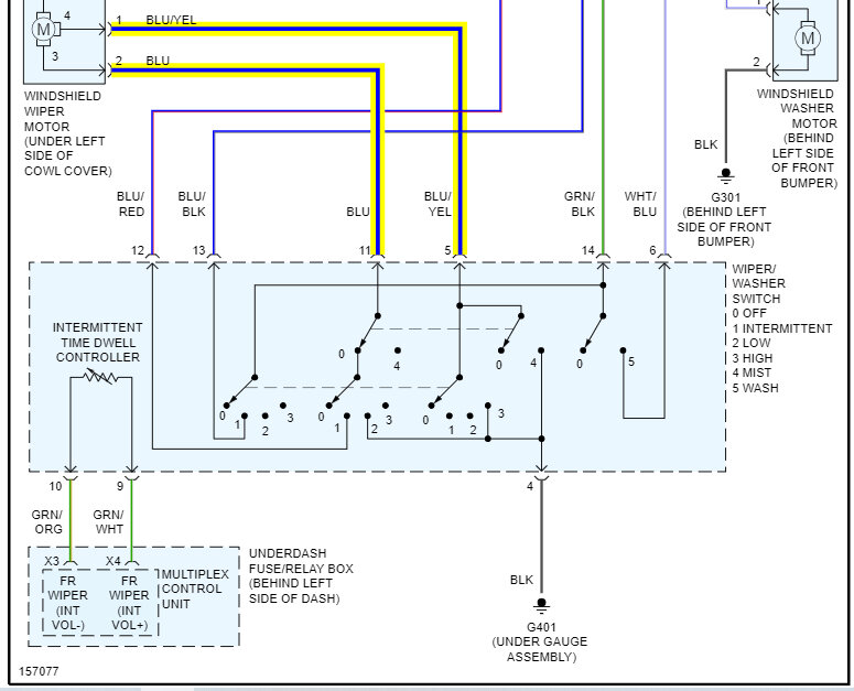
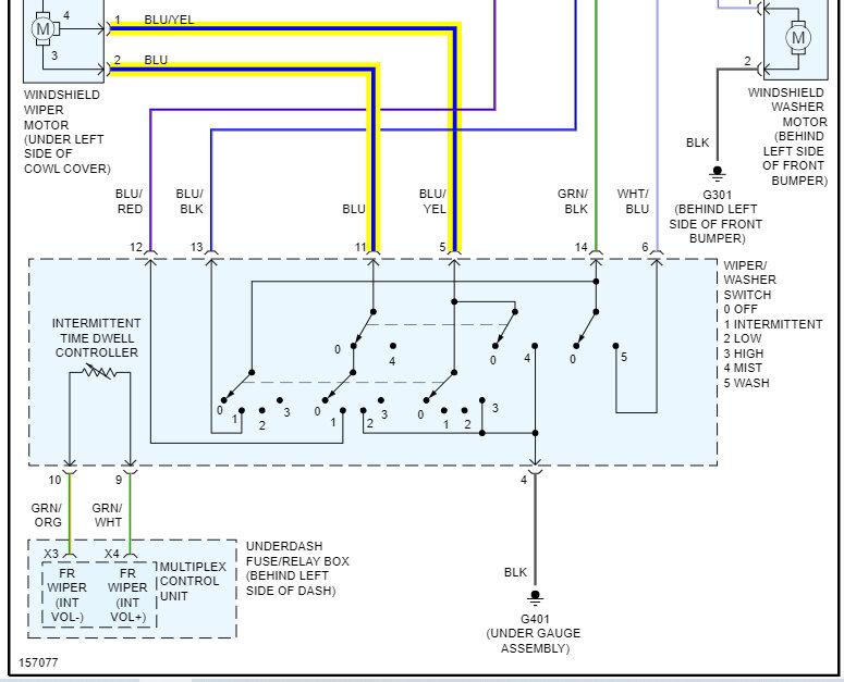
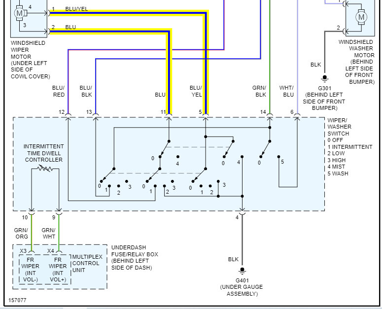
I attached the wiring schematic below, so you have a reference.

Let me know what you find.

Joe

See pic below. Note: I cut the schematic in two, so it is readable for you.
Was this
answer
helpful?
Yes
No
+1
Sunday, December 18th, 2022 AT 11:19 AM
Tiny
NIGEL1403
  • MEMBER
  • 2 POSTS
Hi Joe, everything works fine including the water pump except with the off option where after 3 to 4 seconds the wipers engage at normal run rate. When the fuse is removed there is no function.

Was wondering if a poor/average battery could be the cause.
Was this
answer
helpful?
Yes
No
Sunday, December 18th, 2022 AT 11:34 AM
Tiny
JACOBANDNICKOLAS
  • MECHANIC
  • 110,194 POSTS
Hi,

I don't feel the battery would cause this. Since there is no short to power, based on removing the fuse, then suspect the multiplex control unit is failing.

At this point we need to scan the can-bus system on the vehicle. CAN stands for controller area network. Basically, the different computers/modules are tied together via a few wires. This will retrieve codes regardless of the module storing them. In this case, the multiplex/body control module.

Here is a link that explains how it's done:

https://www.2carpros.com/articles/can-scan-controller-area-network-easy

Let me know if that is something you can have done. Also, I am basing this on the idea you replaced the switch. If that is incorrect, let me know.

Joe

Was this
answer
helpful?
Yes
No
Sunday, December 18th, 2022 AT 2:53 PM

Please login or register to post a reply.