Tuesday, April 24th, 2018 AT 12:17 PM
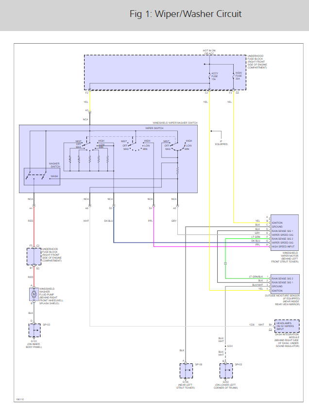
Recently the wipers and trunk release button stopped working in my car listed above Custom model. I have read other posts about wiper issues, but I have something quite different to add to my post than most. They stopped working immediately after an Ignition Interlock "Blow-N-Go" was installed on the car a month ago. For those unfamiliar, it is an in car breathalyzer after I got my first (last) DUI, so I could keep driving. Everything worked fine on the way down, wipers worked driving there. After the install, I realized pulling out the wipers did not work, and later the trunk release. WSW fuse is fine. I took it back there, thinking a wire may have come loose. He pulled off the cover below the steering wheel, says he checked everything, and they still do not work. Unfortunately the installer is very unhelpful; even said "not our responsibility." Thanks!

