Windshield wipers will not turn off

Tiny
JHSMITH176
  • MEMBER
  • 2011 LINCOLN TOWN CAR
  • V8
  • 2WD
  • AUTOMATIC
  • 82,000 MILES
My wipers are running all the time and the wiper control on the column has no effect. I unplugged rain sensor located at the rear view mirror and that had no effect. Is there a control module separate from the motor or is everything inside the motor?

Thanks for any help.
Tuesday, September 21st, 2021 AT 3:23 PM

3 Replies

Tiny
KASEKENNY
  • MECHANIC
  • 18,907 POSTS
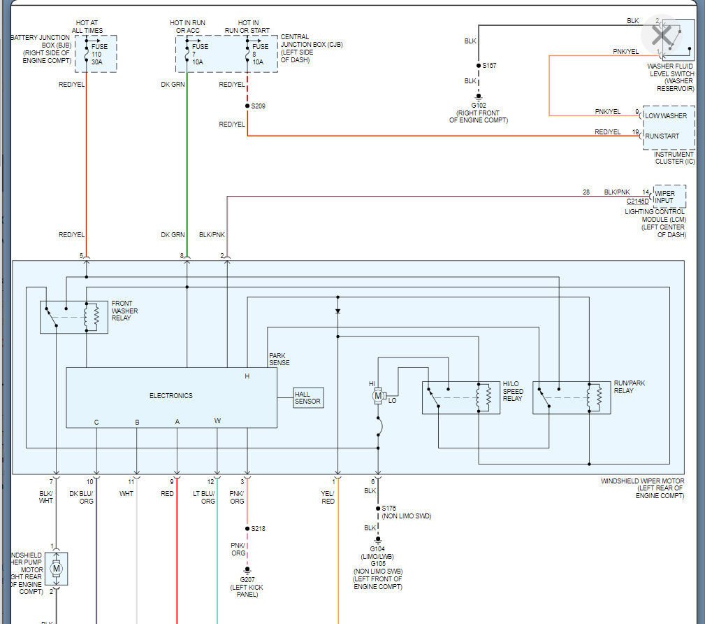
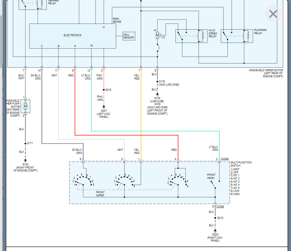
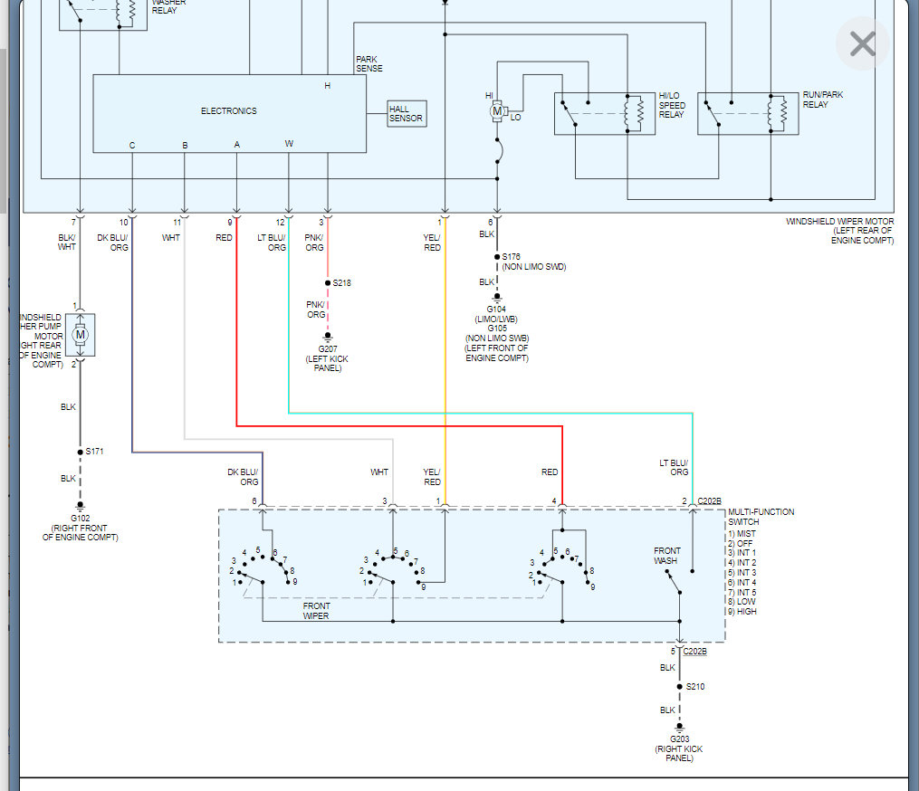
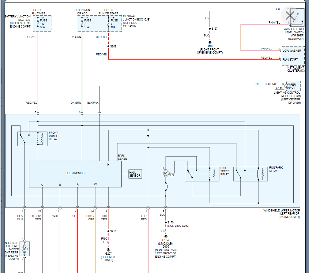
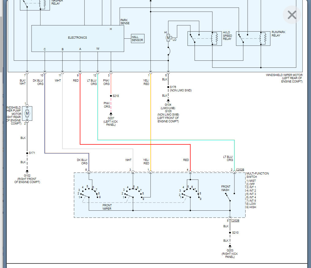
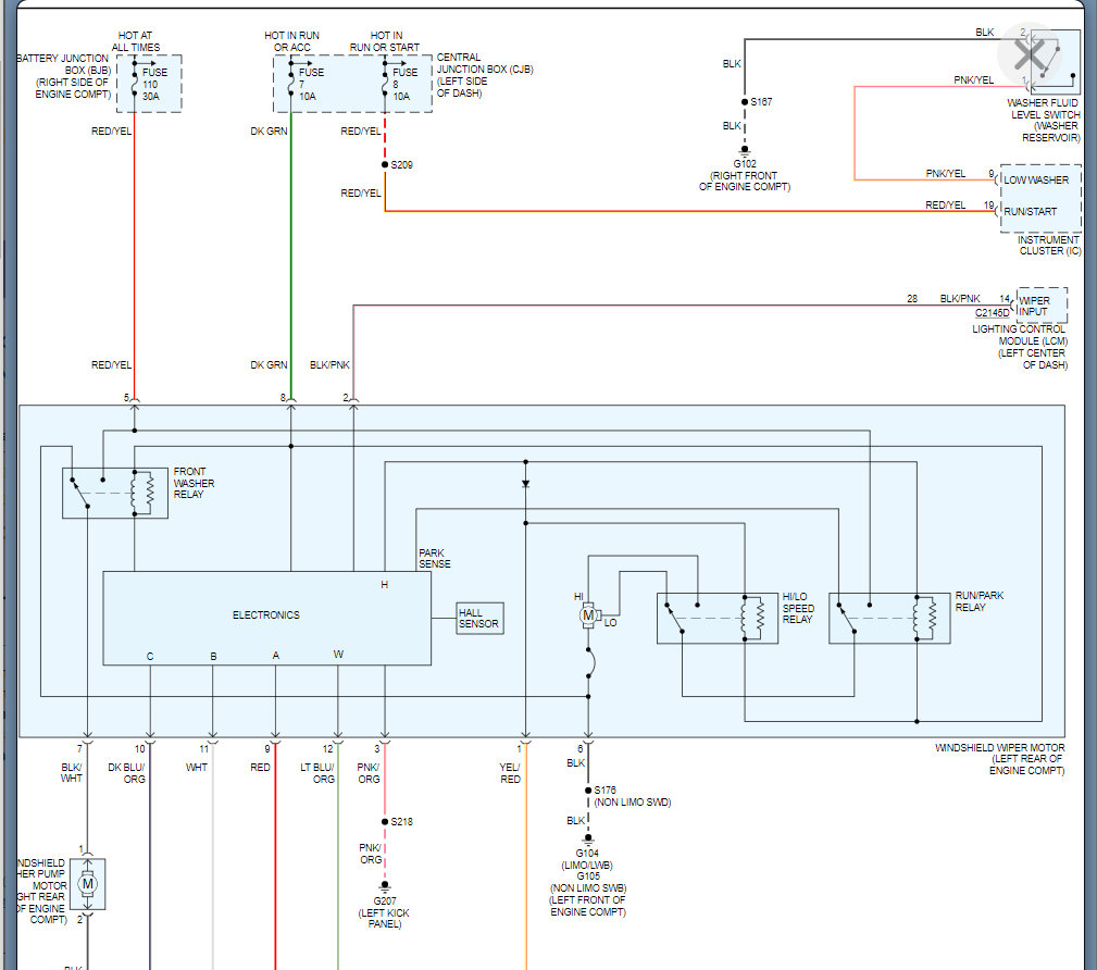
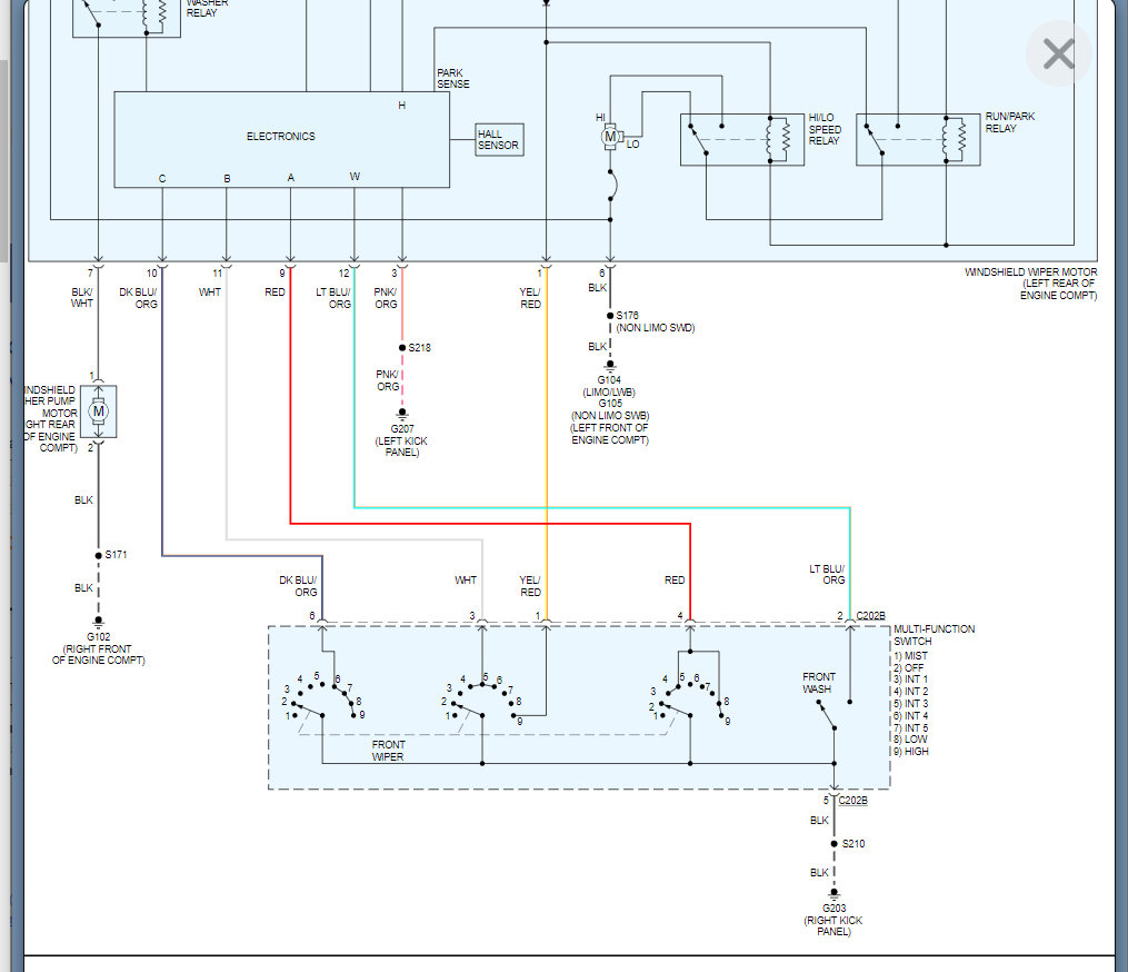
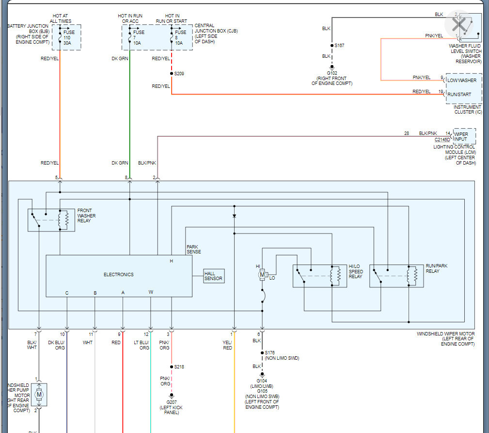
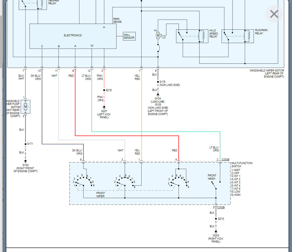
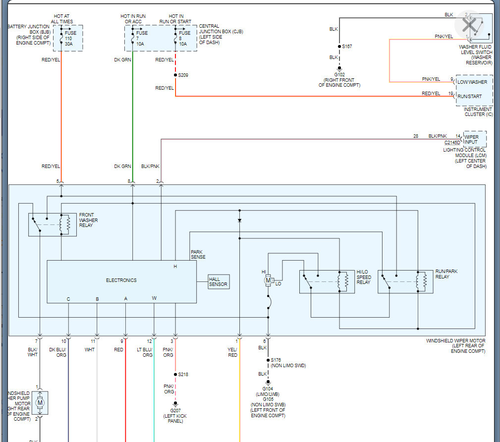
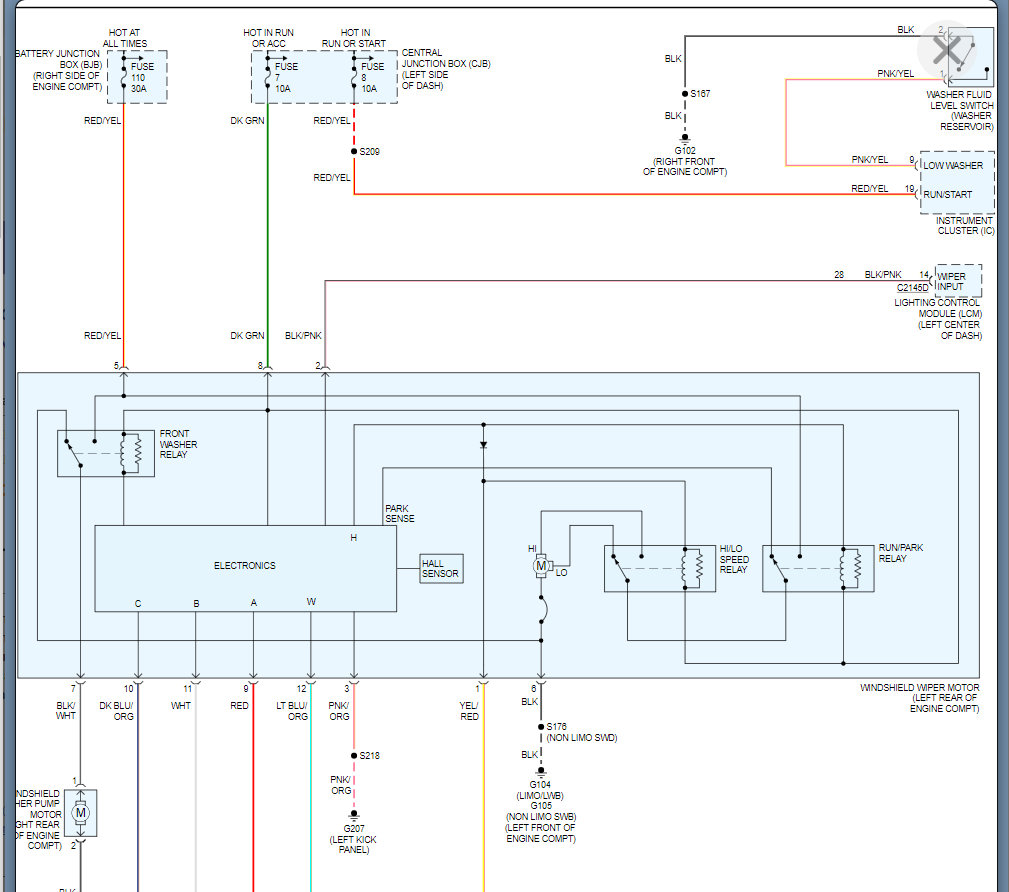
Unfortunately on this vehicle the module is part of the wiper motor.

So we need to check and find out what voltage if any is coming in on the wires from the switch.

If there is none when the switch is off but the wipers are still on then the motor needs to be replaced as more than likely there is a stuck relay or the circuit board is faulty.

https://www.2carpros.com/articles/how-to-check-wiring

I attached the wiring diagram below that will help with this so let's run through this and let me know what you find.

Also, I attached the process on how to remove and replace the motor.

Please let us know what questions you have.

Thanks
Was this
answer
helpful?
Yes
No
Tuesday, September 21st, 2021 AT 3:56 PM
Tiny
JHSMITH176
  • MEMBER
  • 1 POST
Thanks KaseKenny1 for your help.

One other question. I need a part number for the auto headlight sensor on the dash on my 2011 town car. Can't find it listed on any parts online.

Thanks
Was this
answer
helpful?
Yes
No
Tuesday, September 28th, 2021 AT 11:13 AM
Tiny
KASEKENNY
  • MECHANIC
  • 18,907 POSTS
This is called the ambient light sensor and it is related to the headlamps so I will attach the info below. However, if this doesn't get you what you need, we are going to have to start a new post so that others will find this info as well.

Basically if others have questions about this sensor, then they may not find it under this post.

Thanks for using 2CarPros.
Was this
answer
helpful?
Yes
No
Tuesday, September 28th, 2021 AT 12:13 PM

Please login or register to post a reply.