Wipers only work on high

Tiny
DICKENS IRA01
  • MEMBER
  • 2001 LINCOLN TOWN CAR
  • 4.6L
  • V8
  • 2WD
  • AUTOMATIC
  • 160,000 MILES
Put a new motor in it thinking that maybe it was motor related and they still only has high speed.
Thursday, February 27th, 2020 AT 12:40 PM

2 Replies

Tiny
JACOBANDNICKOLAS
  • MECHANIC
  • 110,194 POSTS
Hi,

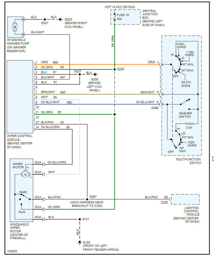
Since they worn on high, then I suspect it is either related to the switch itself or more than likely the wiper control module.

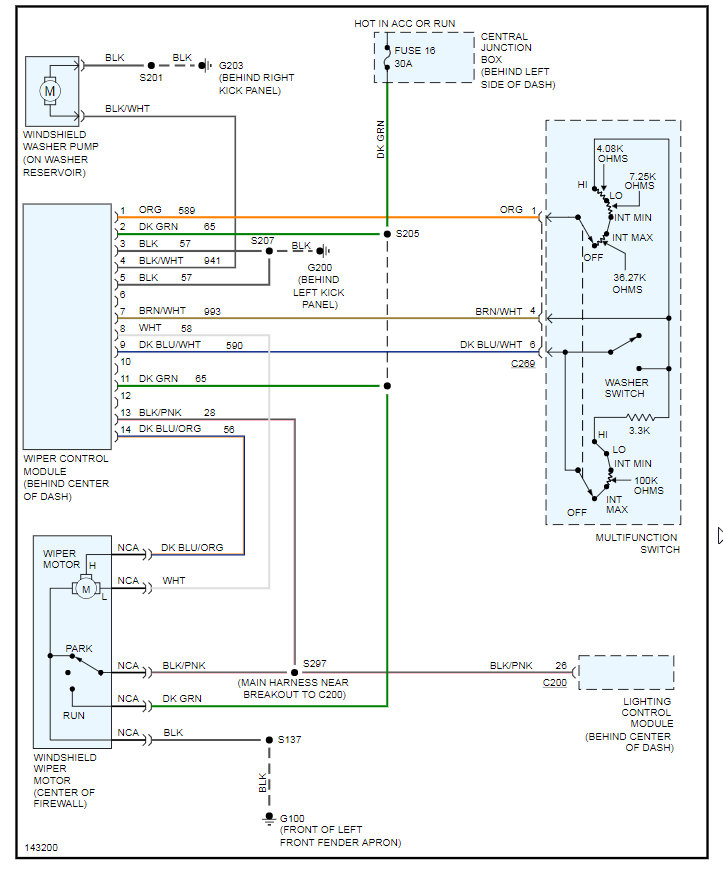
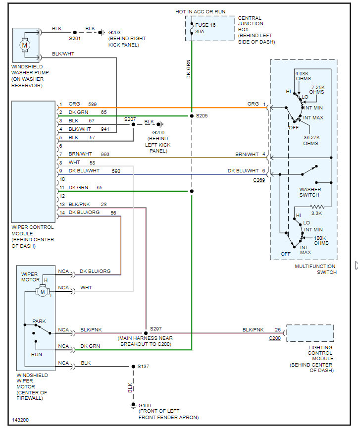
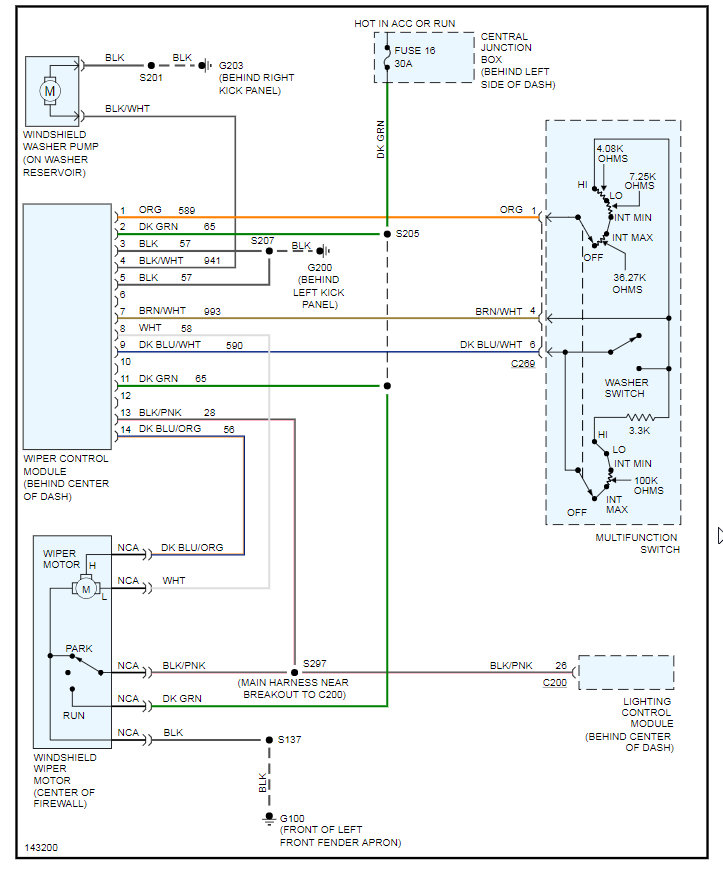
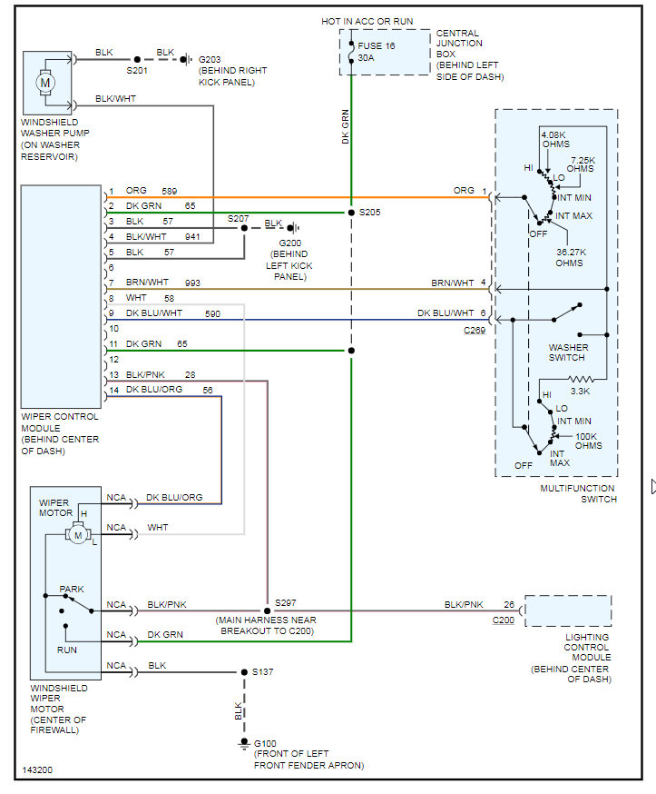
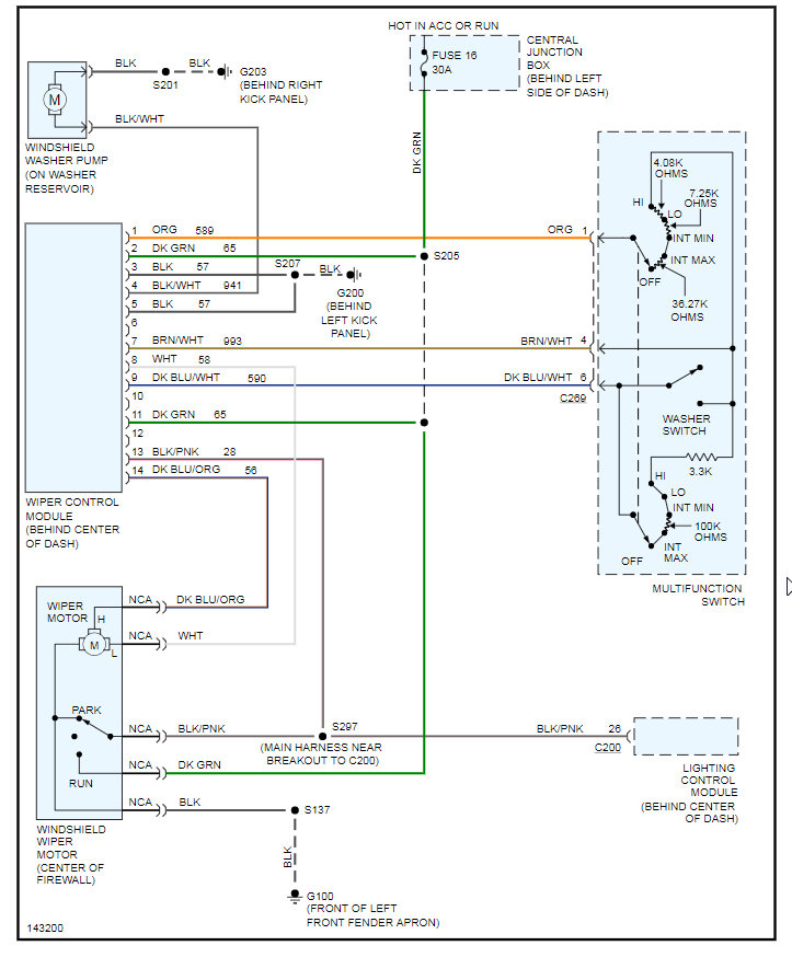
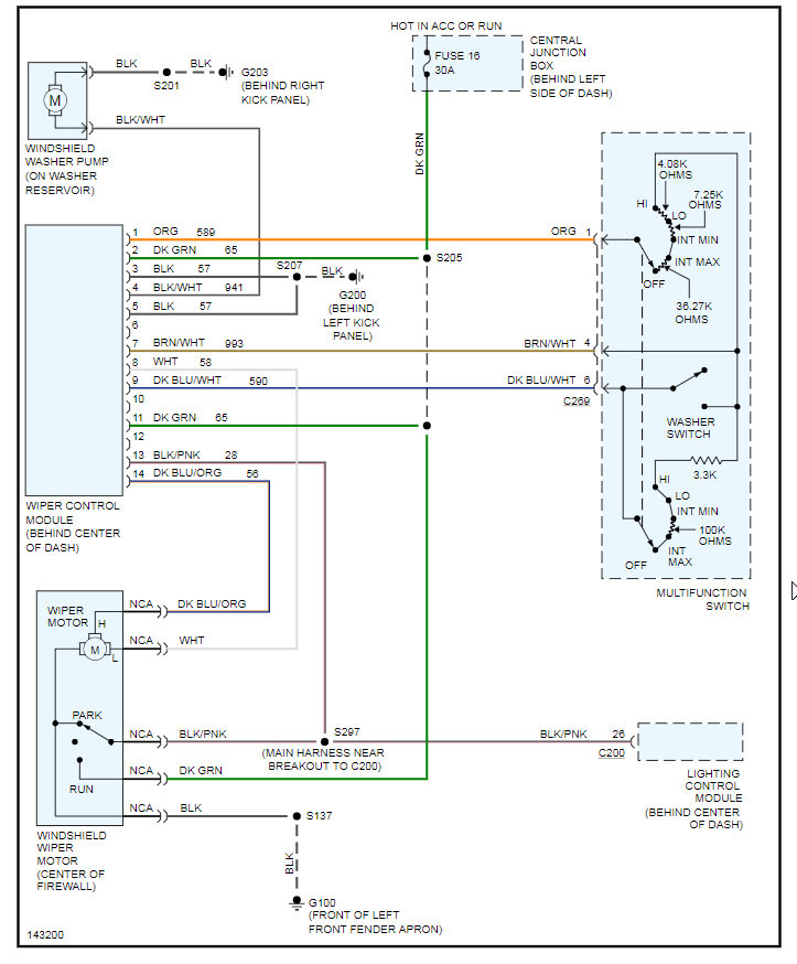
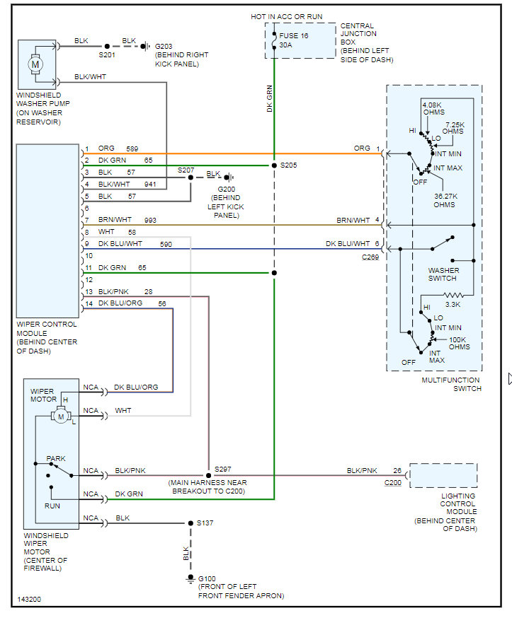
To make the determination, you need to check the switch. I attached a pic (pic 1) below showing what pins on the switch are checked using a multi meter to check ohms of resistance. In addition, the pic also shows what the resistance should be related to switch position.

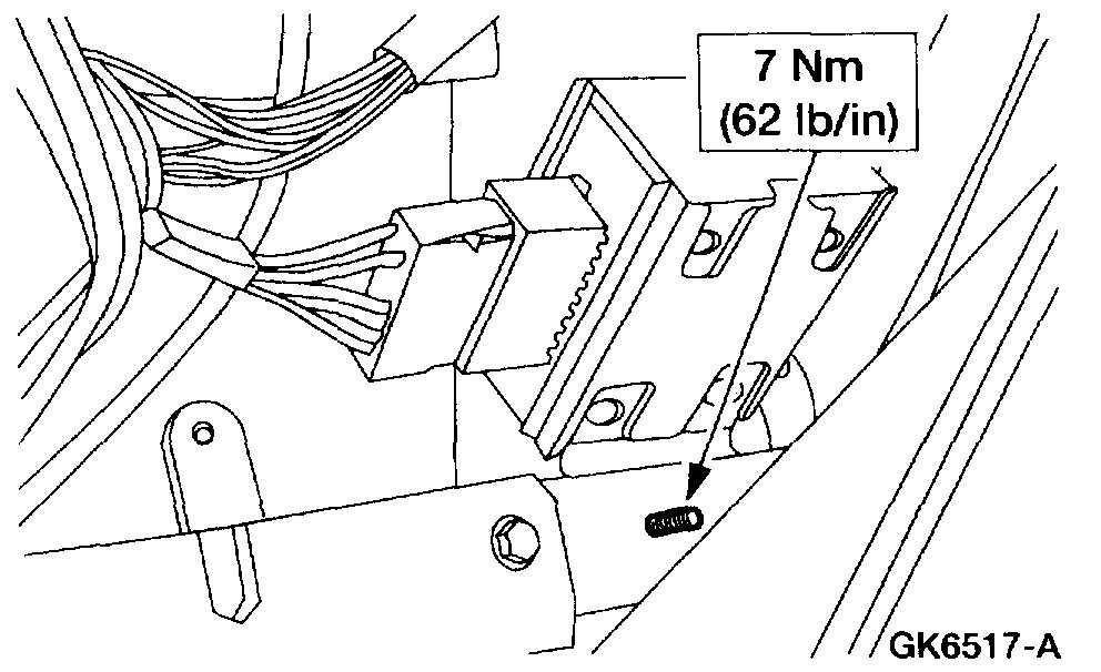
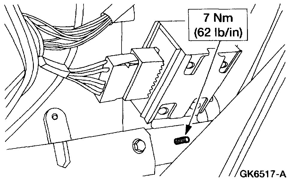
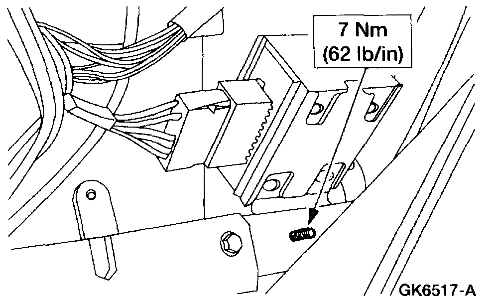
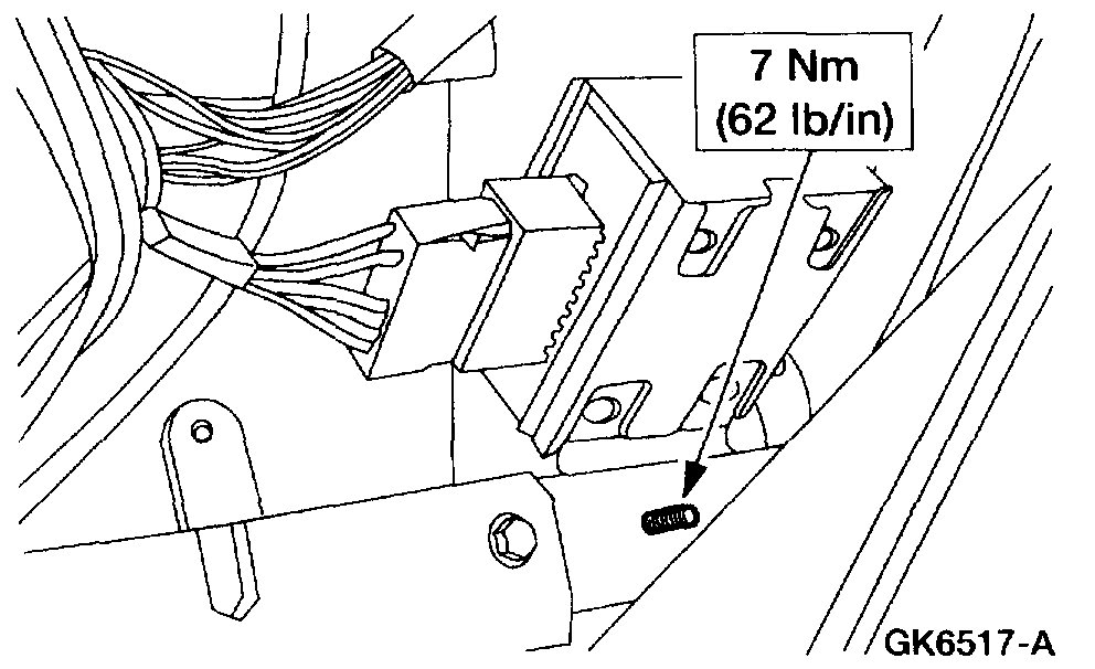
If the switch checks good, suspect an issue with the wiper control module. It is located approximate center of the dash / instrument panel close to the ash tray. Pic 2 shows location.

Here are directions for removal and replacement. The remaining pics correlate with the directions.

________________________

2001 Lincoln Town Car V8-4.6L VIN W
Procedures
Vehicle Wiper and Washer Systems Wiper Control Module Service and Repair Procedures
PROCEDURES
REMOVAL

pic 3

1. Disconnect the battery ground cable.

CAUTION: Electronic modules are sensitive to static electrical charges. If exposed to these charges, damage may result.

Pic 4

2. Lower the RH instrument panel insulator.
1 Remove the pushpins.
2 Lower the RH instrument panel insulator.

Pic 5

3. Remove the RH instrument panel insulator.
1 Disconnect the power point electrical connector.
2 Remove the courtesy lamp from the lamp socket.
3 Remove the RH instrument panel insulator.

Pic 6

4. Remove the tunnel brace trim cover.

Pic 7

5. Position the instrument panel ash receptacle aside.
1 Remove the screws.
2 Position the instrument panel ash receptacle aside.

Pic 8

6. Remove the instrument panel ash receptacle assembly.
1 Disconnect electrical connector.
2 Remove the instrument panel ash receptacle.

Pic 9

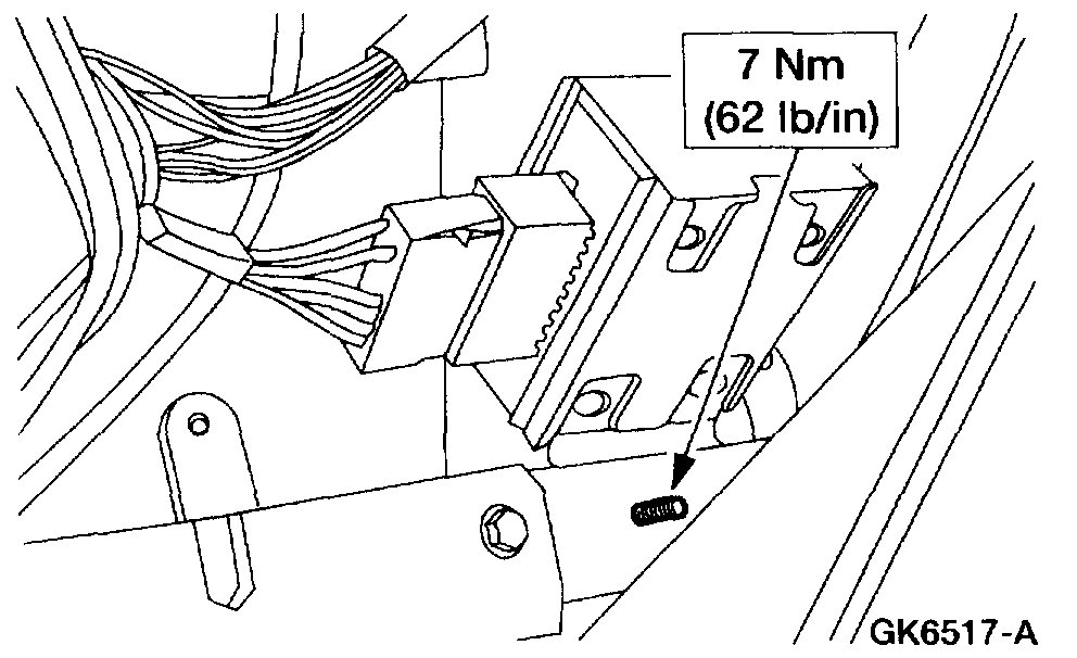
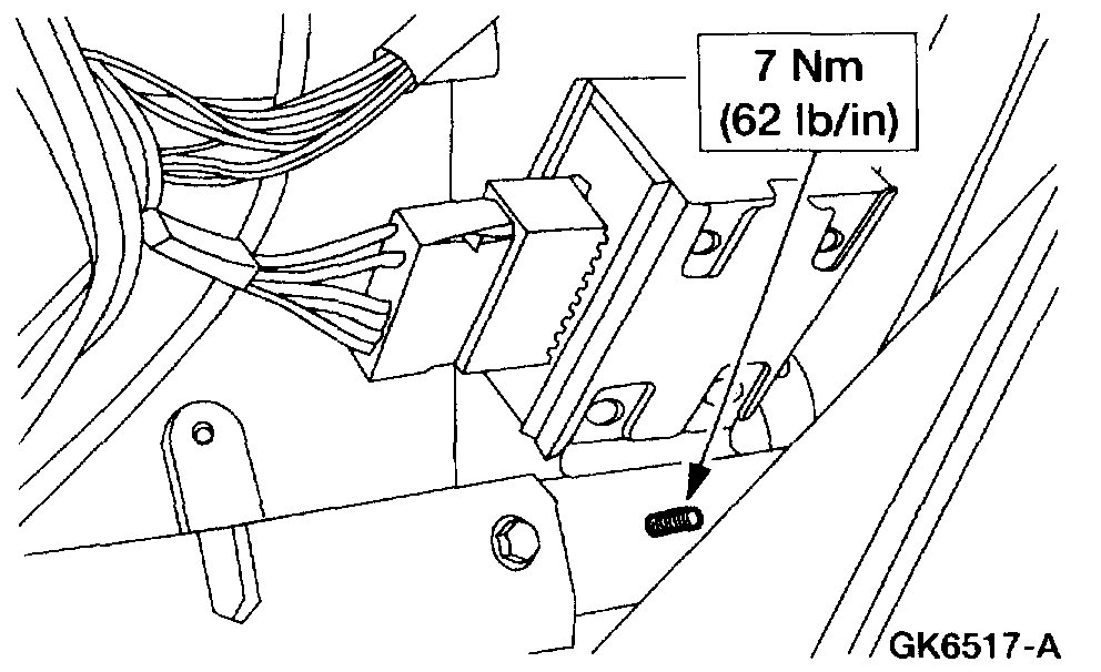
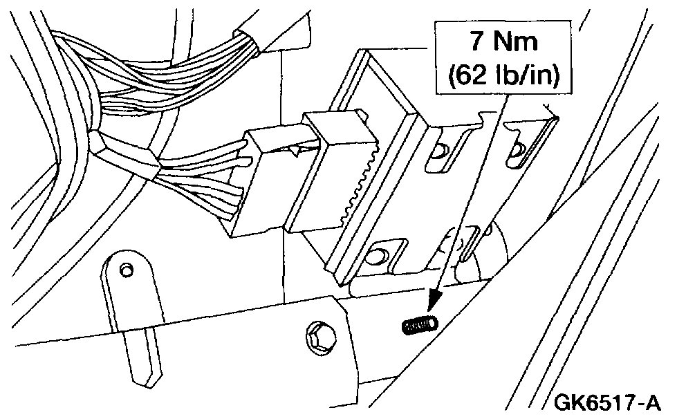
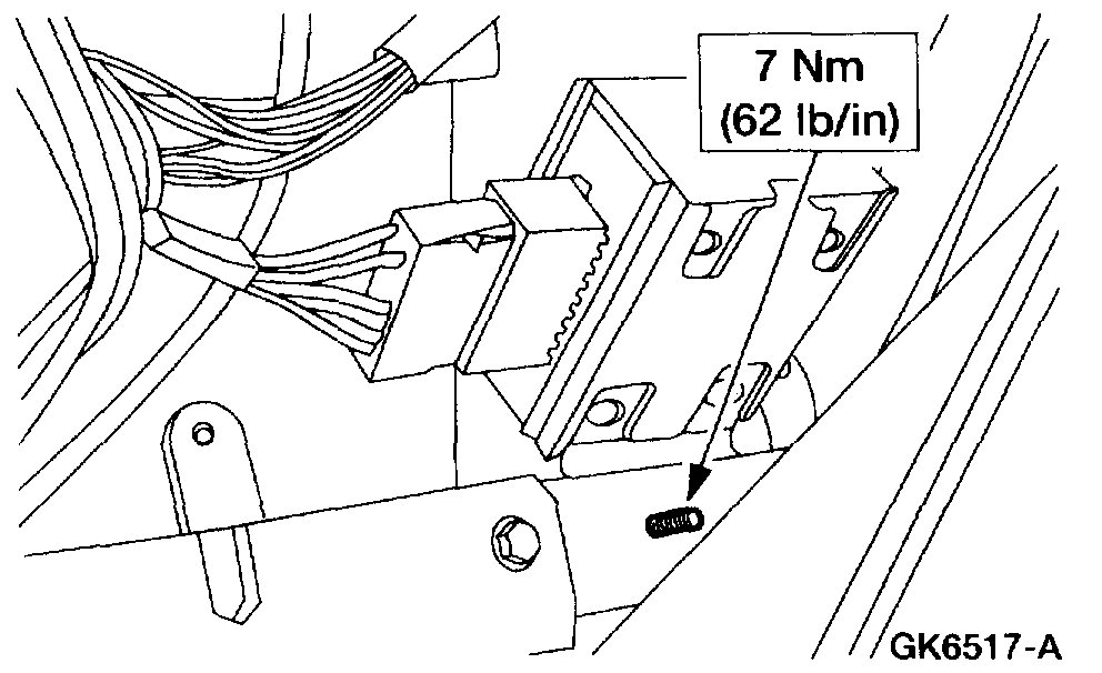
7. Disconnect the windshield wiper control module electrical connector.

Pic 10

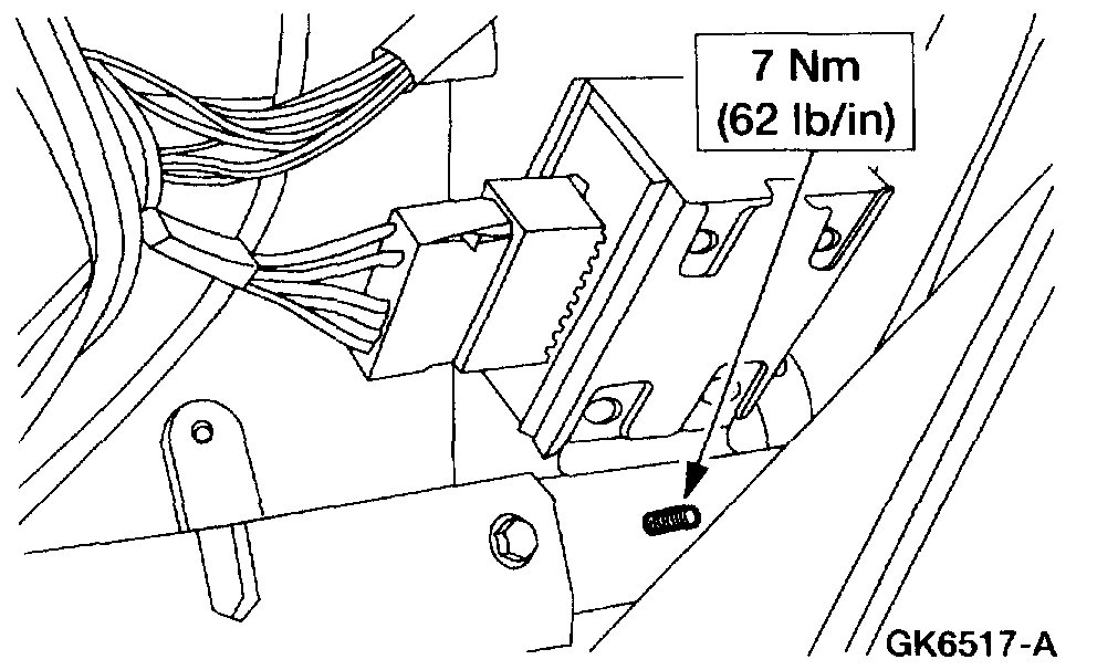
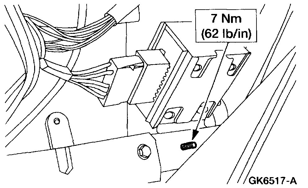
8. Remove the windshield wiper control module.
1 Remove the screw.
2 Remove the windshield wiper control module.

INSTALLATION

pic 11

pic 12

1. To install, reverse the removal procedure.

NOTE: When the battery is disconnected and reconnected, some abnormal drive symptoms may occur while the vehicle relearns its adaptive strategy. The vehicle may need to be driven 16 km (10 mi) or more to relearn the strategy.

_______________________

Let me know if this helps or if you have other questions.

Take care,
Joe
Was this
answer
helpful?
Yes
No
Thursday, February 27th, 2020 AT 4:37 PM
Tiny
KASEKENNY
  • MECHANIC
  • 18,907 POSTS
I suspect you have an issue with the switch or the control module that is actually what sends voltage to the wiper motor.

The way to determine this is to go to the wiper control module and measure voltage on the orange wire. This is the feed wire from the switch and you have more voltage the faster you command the wipers to move. Basically the switch is a resistor and it has more resistance on the slower setting. If the switch is sending lower voltage and then increasing as you move the switch then the switch is not the issue.

If you want to confirm it then go to the wiper motor and measure voltage there and I suspect you won't have voltage on any setting except high.

Let me know if you have questions. Thanks
Was this
answer
helpful?
Yes
No
+1
Thursday, February 27th, 2020 AT 4:46 PM

Please login or register to post a reply.