Wipers activating washer fluid

Tiny
SAMSAH
  • MEMBER
  • 2006 BUICK RANIER
  • 5.4L
  • V6
  • 4WD
  • AUTOMATIC
  • 120,000 MILES
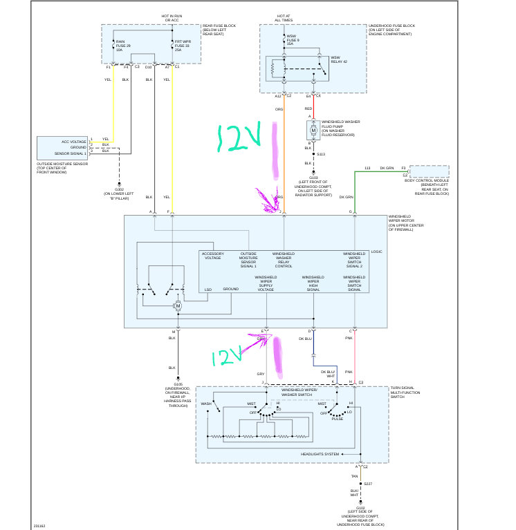
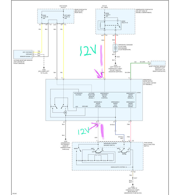
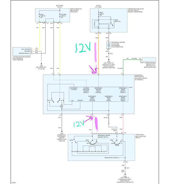
When activating the windshield wipers, the first 3 cycles, the wipers are on consistent speeds and it activates the washer fluid pump as well. Only the max speed cycle activates the wipers only. The washer fluid button is working properly and all the relays and the fuses are working. What could be the problem?
Thank you in advance!

Sam
Sunday, January 5th, 2020 AT 5:35 AM

1 Reply

Tiny
TOUGHDIVER
  • MECHANIC
  • 224 POSTS
Hi,

It could be your wiper motor logic module. I have a wiring diagram below for your wiper system. To be sure you will need to for 12v on washer motor circuit while the wipers are on high while it is washer is running, From the switch to the wiper motor, If it doesn't show 12v. Check the wire from the wiper motor to the relay in the junction box. Please let us know if this was helpful and what fixed the vehicle. If you need more information we we will get it for.

Thank you
Joe T.
Was this
answer
helpful?
Yes
No
Sunday, January 5th, 2020 AT 8:51 PM

Please login or register to post a reply.