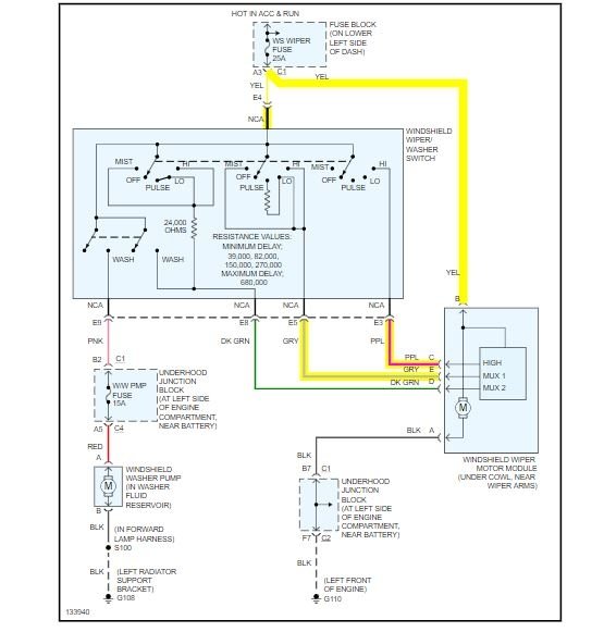
Friday, November 1st, 2019 AT 10:07 AM
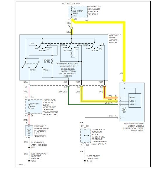
Wipers worked yesterday, I left them on when I shut truck off. Snowed and froze overnight. Started truck this morning forgot I left them on when I went to turn on I realized they were on. Now they don't work. Thinking they were frozen to window and blown fuse. I checked 25 amp fuse in box and was still good and still don't work. Any ideas what to check next?




