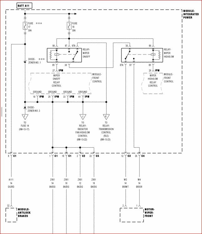
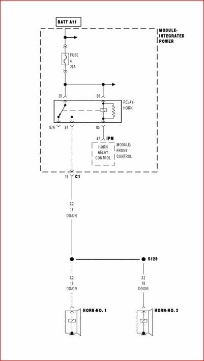
Wiper and horn failure

Tiny
DAVID BUSINELLI
  • MEMBER
  • 2005 CHRYSLER 300
  • 5.7L
  • V8
  • 2WD
  • AUTOMATIC
  • 140,000 MILES
In a driving rain the horn started blaring on its own and the wipers failed simultaneously. After five minutes the horn stopped and now does not work and neither do the wipers.
Sunday, April 28th, 2019 AT 9:19 AM

1 Reply

Tiny
KASEKENNY
  • MECHANIC
  • 18,907 POSTS
Hi David,

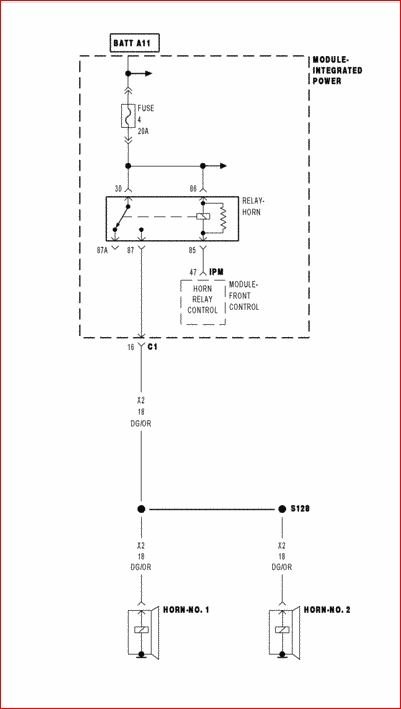
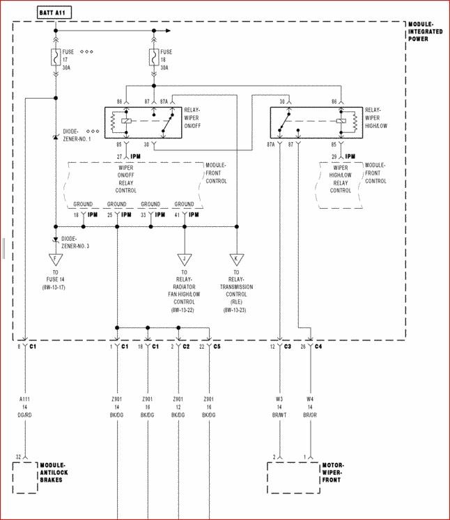
These vehicles have most all the electronics get their power from what is called the integrated power module or IPM. Basically, this is a fuse box and a control module combined into one part.

The fact that this happened in a driving rain, it sounds like you have water intrusion in the IPM itself or the wiring harnesses that come out of the bottom of it.

The fact that you said the horn and wipers don't work, you will see there is not much to these circuits once you get out of the IPM.

I included a picture of where the IPM is located if you would like to inspect it for water intrusion.

Let me know what you find and we can go from there. Thanks
Was this
answer
helpful?
Yes
No
Sunday, April 28th, 2019 AT 2:37 PM

Please login or register to post a reply.