Windshild fuse

Tiny
ABDEL LATIF
  • MEMBER
  • 2006 CHEVROLET OPTRA
  • 6 MILES
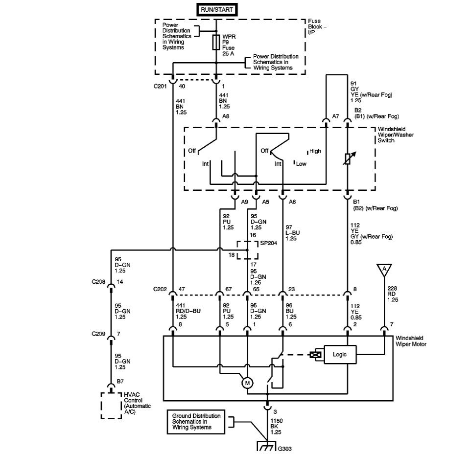
Windshield's fuse keeps getting damaged every time I replace a new one. Wipers are not working.
Friday, April 14th, 2017 AT 12:06 PM

1 Reply

Tiny
KEN L
  • MASTER CERTIFIED MECHANIC
  • 55,522 POSTS
Hello,

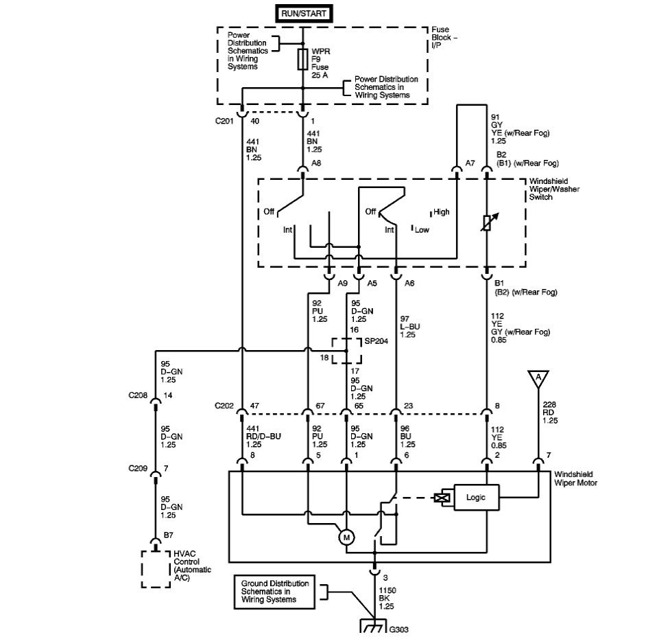
It sounds like you are having a problem with the wiper motor, please unplug it and try a new fuse to see if it blows when you turn the switch on with the key in the on position. Here is a wiring diagram so you can do some testing.

https://www.2carpros.com/articles/how-to-use-a-test-light-circuit-tester

Please run this test and get back to us so we can continue helping you.

Best, Ken
Was this
answer
helpful?
Yes
No
Thursday, April 20th, 2017 AT 10:49 AM

Please login or register to post a reply.