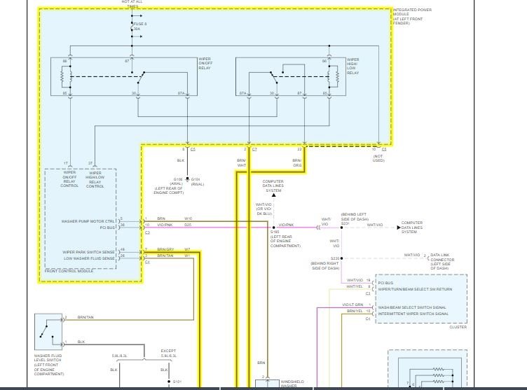
Friday, September 27th, 2019 AT 9:26 AM
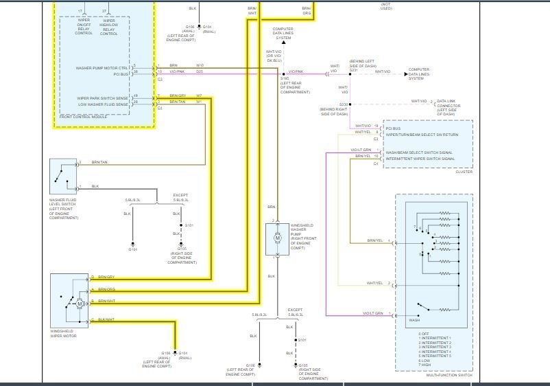
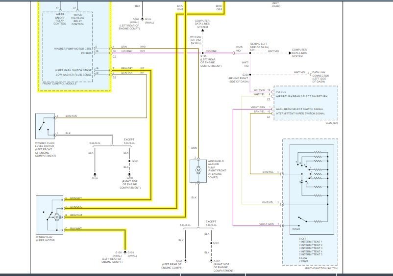
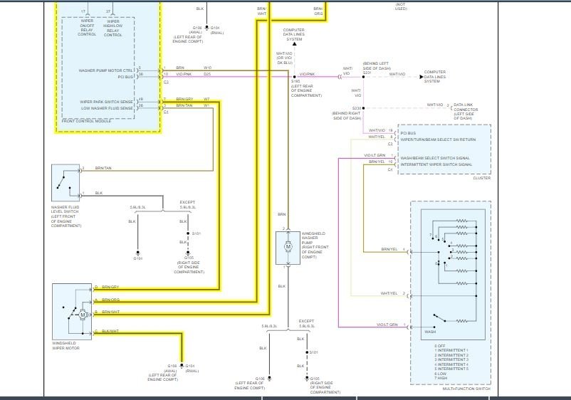
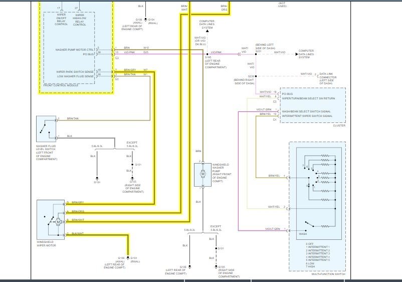
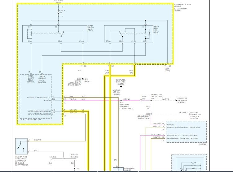
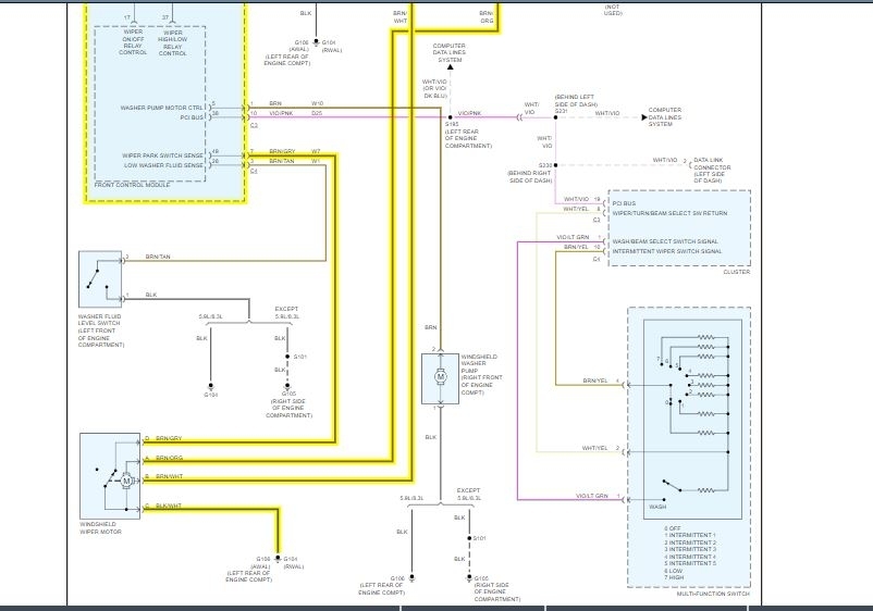
Put motor and switch. First motor ran real slow then went out, had to return it. Would not turn on still this morning. Wondering about relays, wiring diagram etc. Did find a burnt spot in panel under hood and it is around number 11. Curious if can find any information I don't have.


