Tuesday, February 16th, 2021 AT 3:02 PM
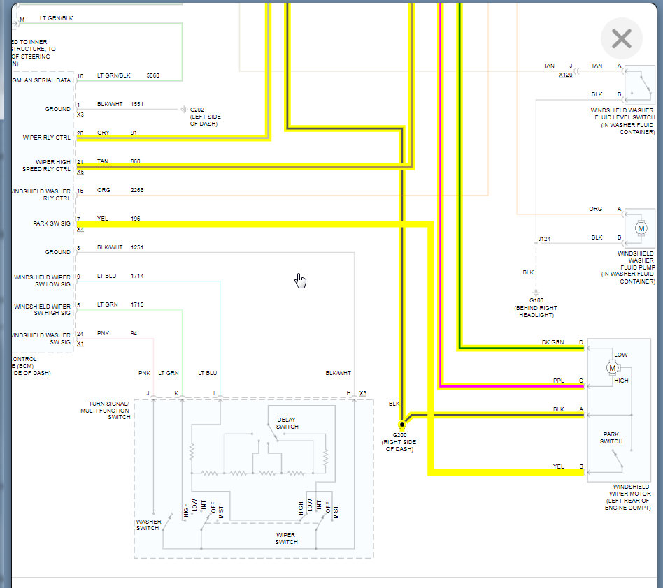
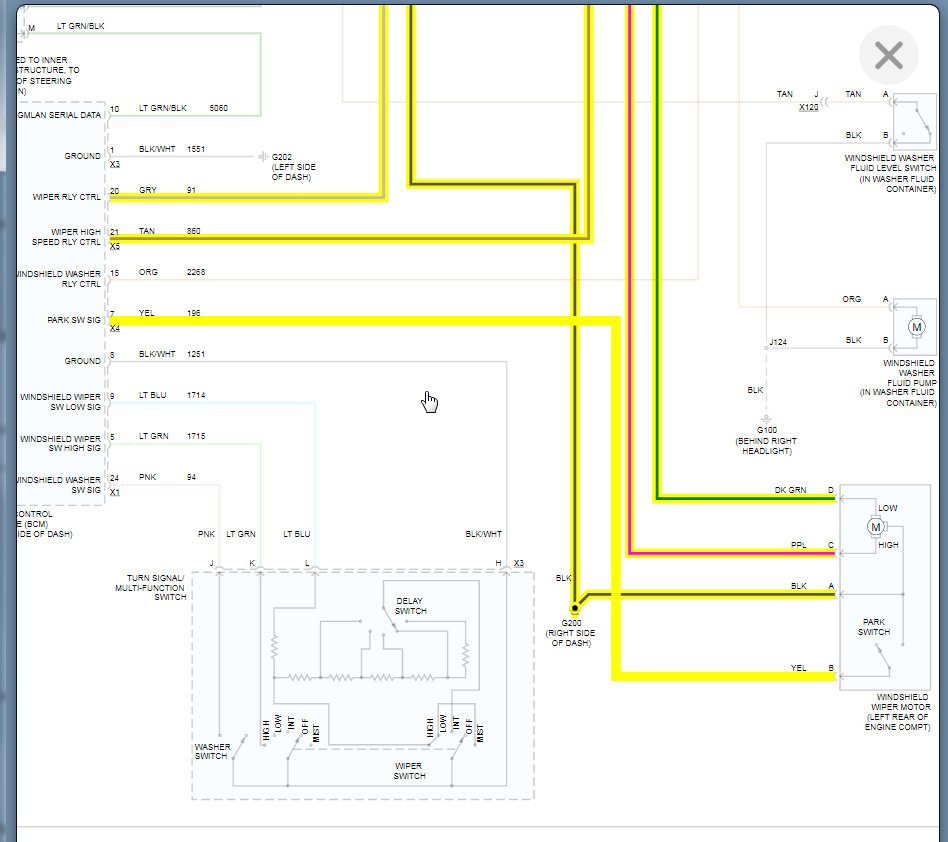
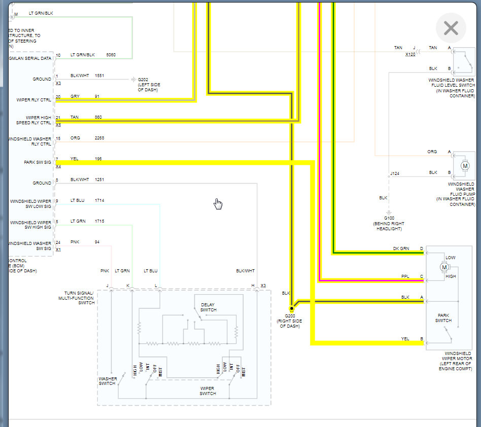
For the last year, the wipers on my car have been acting erratic. When you turn them on, they don't work, and then all of a sudden after three days or so they starting working. It's hit or miss, it works when it wants to. I have replaced the motor (twice), new turn signal switch, and nothing wrong with the fuses. Wiper Relays on the other hand are apparently soldered on a printed circuit board (PCB-relay) behind the fuse box under the hood. I do have power going to the connectors, but I noticed that my green wire (low wipe) is showing voltage when wiper is in high mode, which is suppose to happen to the purple, according to the wiring diagram. Other than that, I have a new turn signal switch that controls my wipers, new wiper motor, and still no working wipers. Could it be the PCB-Relay, or the BCM (body control module) under/next to the steering column.


