HOME
ASK A QUESTION
REPAIR GUIDES
BECOME A MEMBER
LOG IN
Login with Facebook
OR
Remember me
NOT A MEMBER?
FORGOT PASSWORD?
CONTACT US
PRIVACY POLICY
TERMS AND CONDITIONS
☰
Home
Cadillac
CT6
Body
Windshield
Windshield sprayer does not turn off
TOMTRADER
MEMBER
2006 CADILLAC CT6
150,000 MILES
Wipers work but sprayer want turn off.
Tuesday, September 22nd, 2020 AT 12:44 PM
1 Reply
ASEMASTER6371
MECHANIC
52,796 POSTS
Good afternoon,
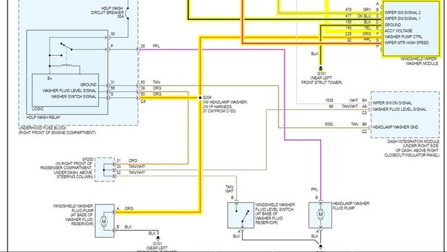
The washer control module is the most common failure for this.
https://www.2carpros.com/articles/how-to-replace-a-windshield-washer-pump
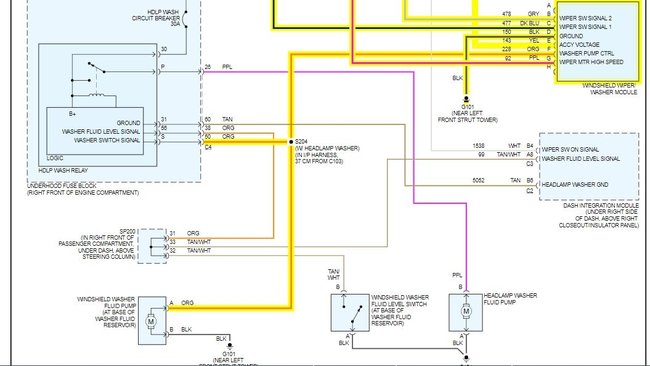
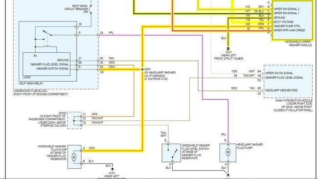
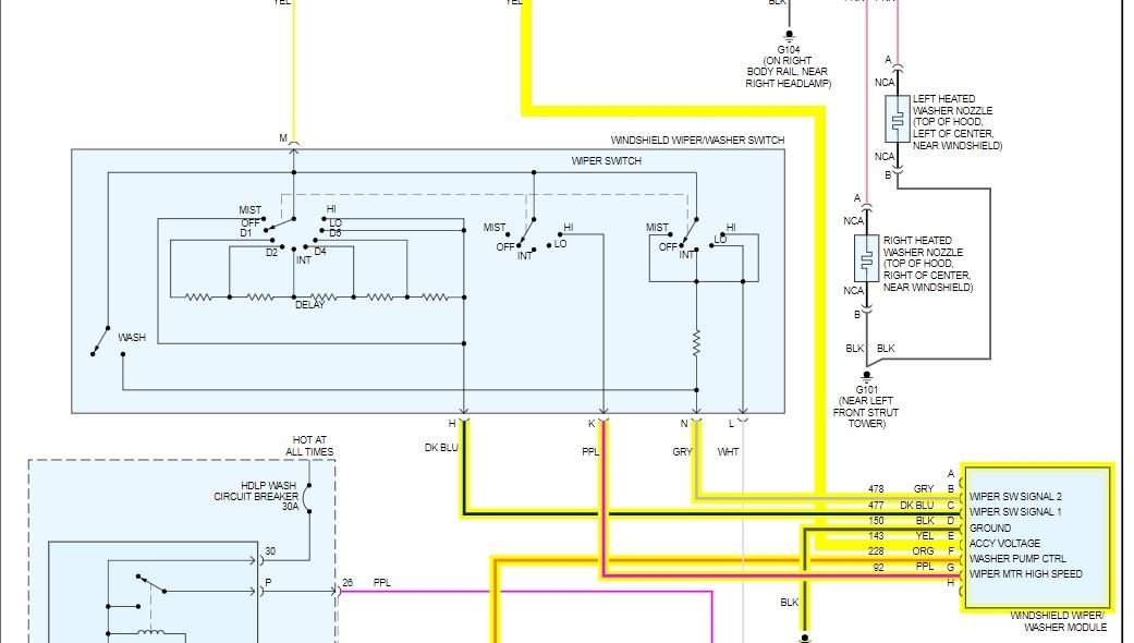
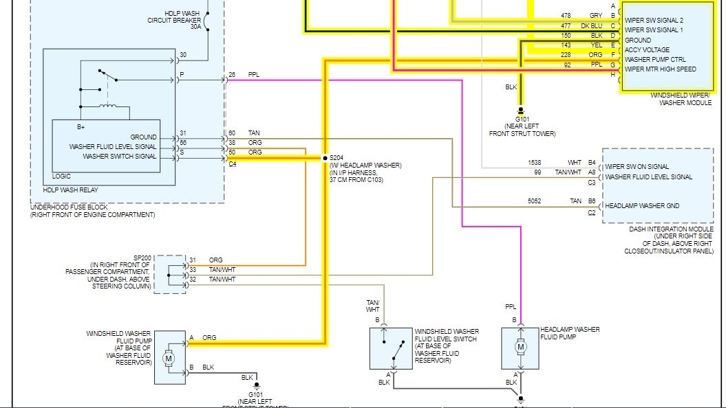
I attached the wiring diagram for you as well as the location of the module.
Let me know when you have a test light or voltmeter so we can do some testing.
https://www.2carpros.com/articles/how-to-check-wiring
Roy
Images (Click to make bigger)
Was this
answer
helpful?
Yes
No
Tuesday, September 22nd, 2020 AT 2:47 PM
Please
login
or
register
to post a reply.
Ask a Car Question. It's Free!