Windows, locks and mirrors will not work

Tiny
MOMABRITT
  • MEMBER
  • 2002 JEEP GRAND CHEROKEE
  • V6
  • 2WD
  • AUTOMATIC
  • 130,000 MILES
The air bag light and no seat belt light stay on and inside lights won't turn off. What is the issue?
Tuesday, February 11th, 2020 AT 9:53 PM

1 Reply

Tiny
TOUGHDIVER
  • MECHANIC
  • 224 POSTS
Hello,

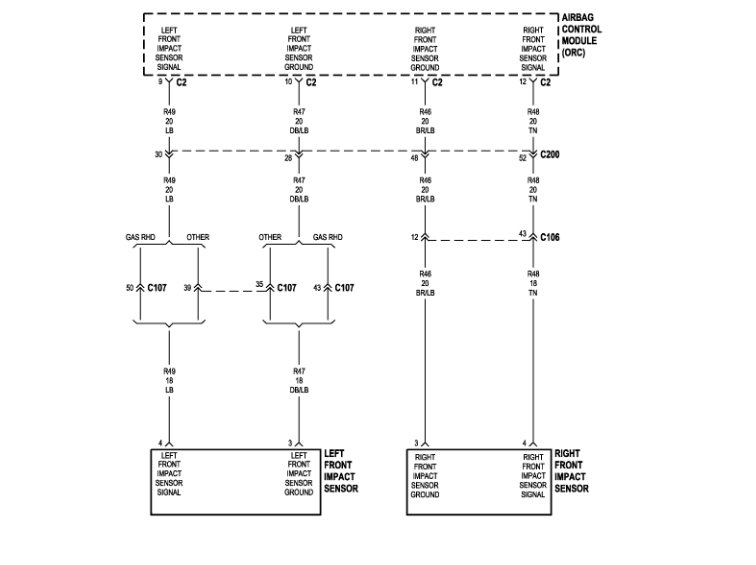
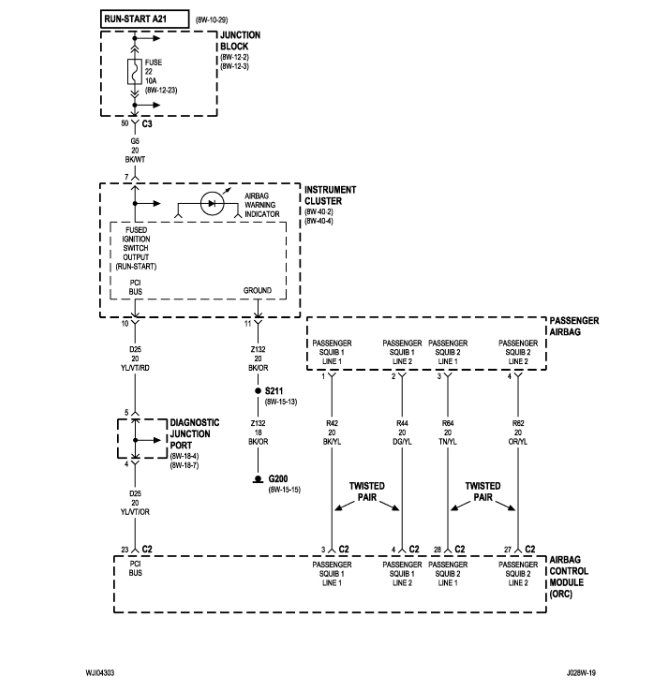
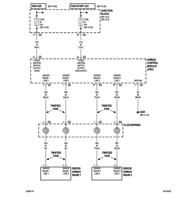
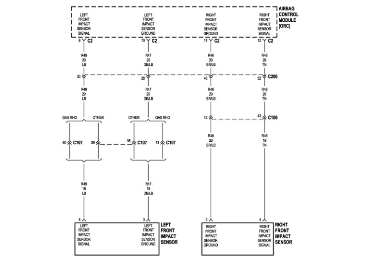
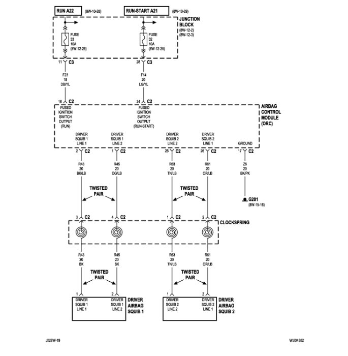
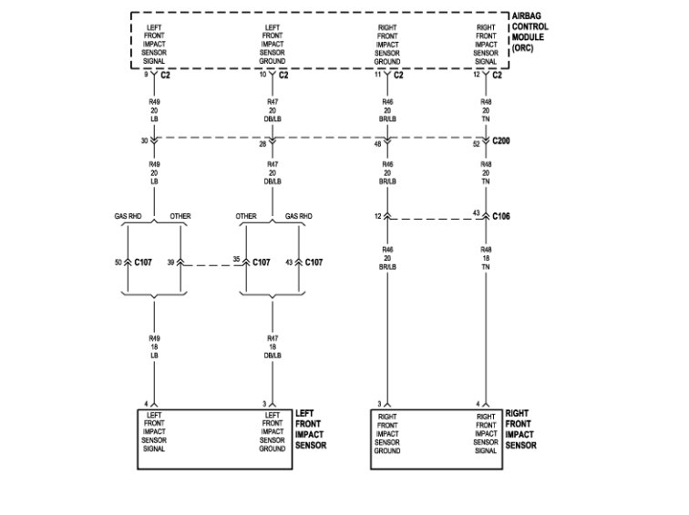
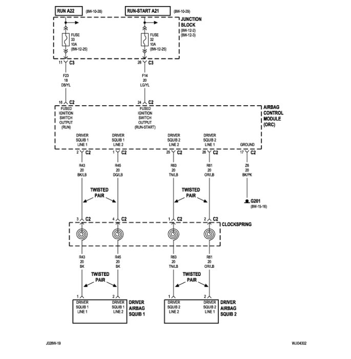
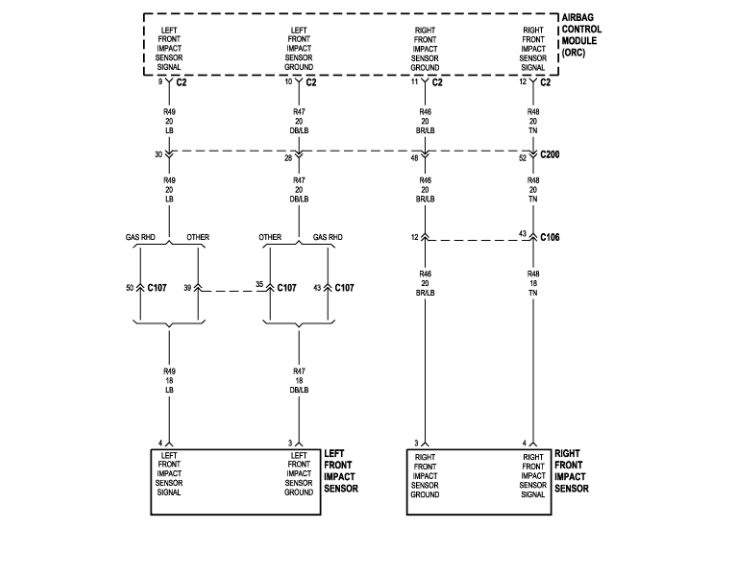
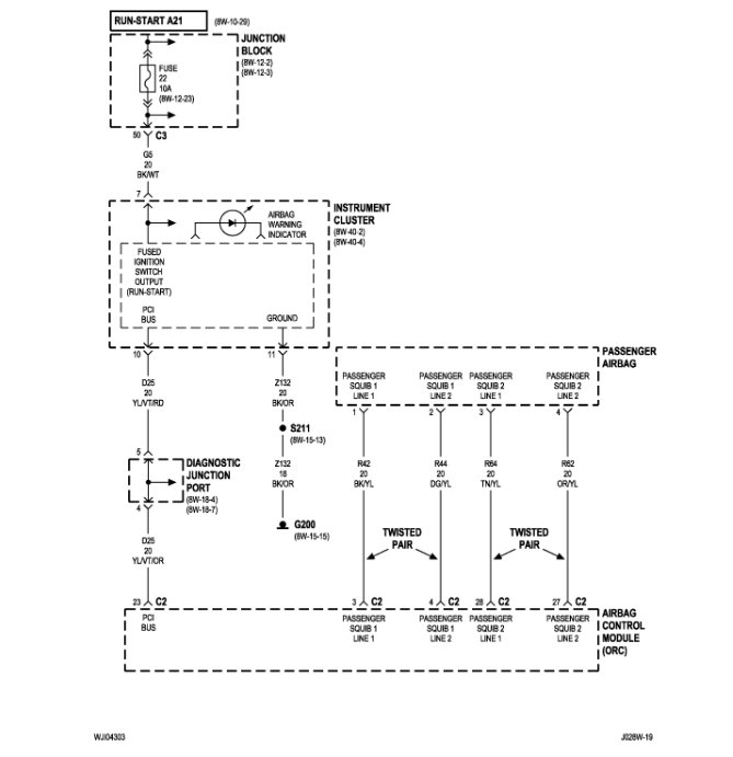
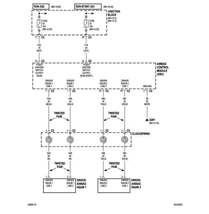
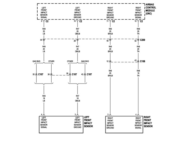
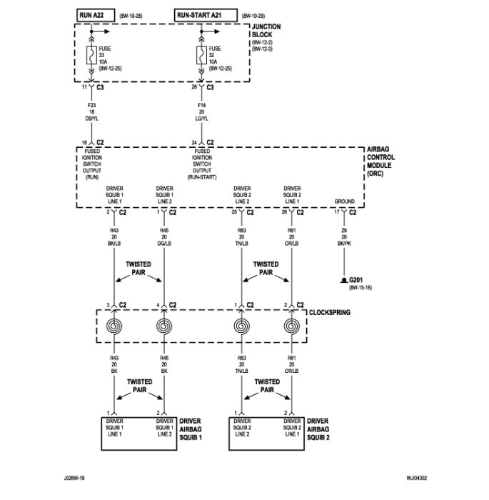
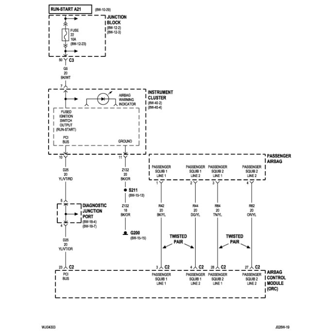
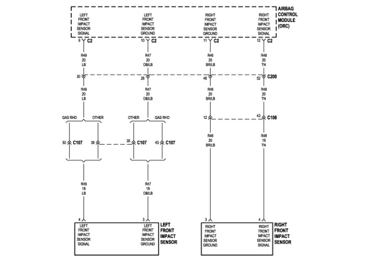
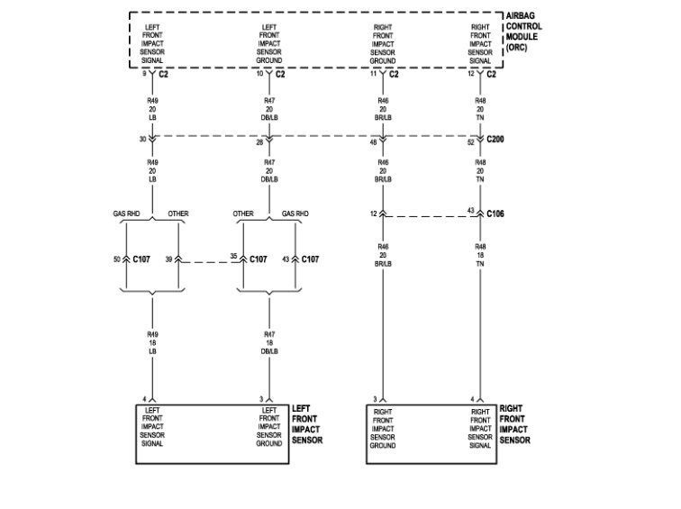
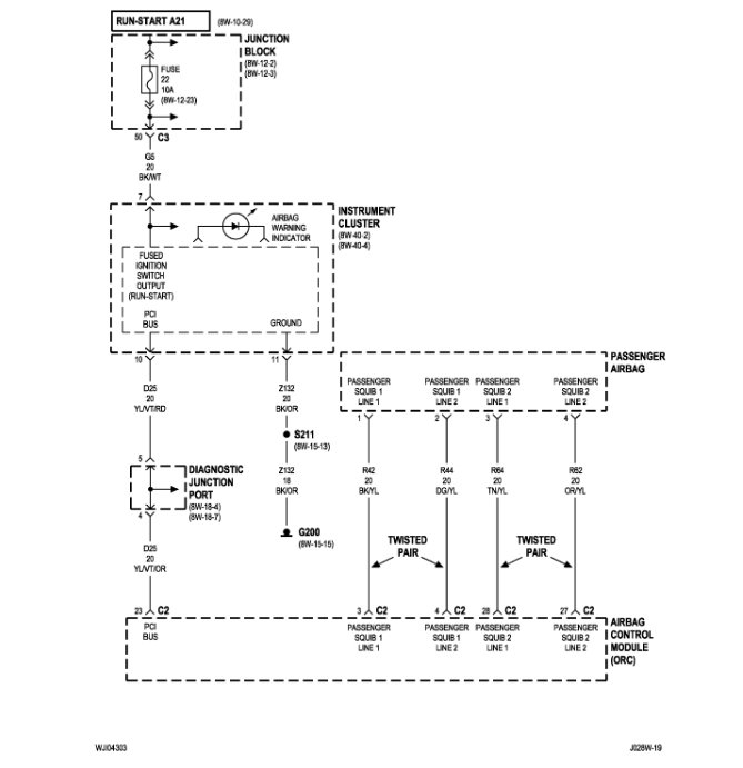
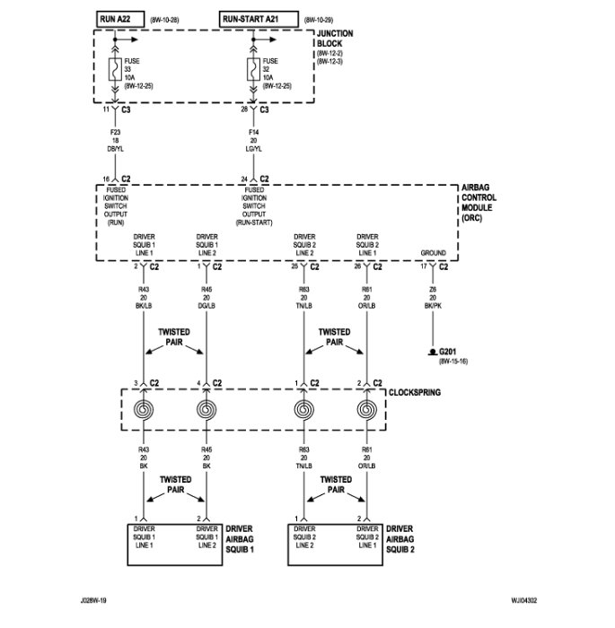
It could be the clock spring or blown fuse. I'm attaching fuse block views, wiring diagrams, schematics and check out the repair guides below. let us know if this information is helpful or if you need more info.

https://www.2carpros.com/articles/symptoms-of-a-bad-airbag-clock-spring

https://www.2carpros.com/articles/steering-wheel-clock-spring-removal

Thank you
Joe T.
Was this
answer
helpful?
Yes
No
Wednesday, February 12th, 2020 AT 4:47 PM

Please login or register to post a reply.