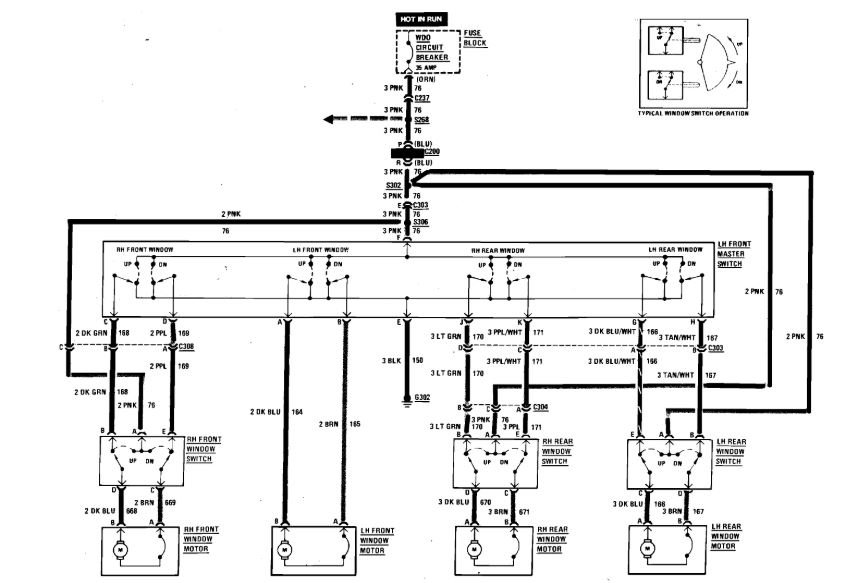
Tuesday, February 5th, 2019 AT 5:48 PM
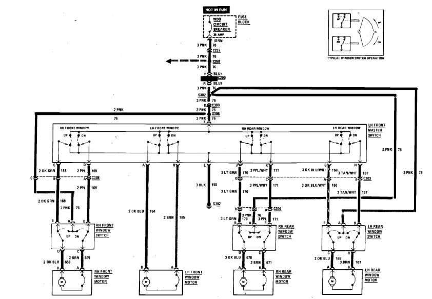
When I put the fuse in the power window slot it gets hot. When a window motor goes out will it short out the circuit? One side of the fuse has power with the key on. When I tried to send power to the other side that showed a ground with a power probe it sparked.


