Windows do not go up fuse keeps blowing?

Tiny
DONNAK12
  • MEMBER
  • 2005 FORD FIVE HUNDRED
  • V6
  • 112,000 MILES
Fuse f2 keeps blowing windows won't roll up.
Saturday, July 12th, 2025 AT 8:57 PM

1 Reply

Tiny
KEN L
  • MASTER CERTIFIED MECHANIC
  • 55,046 POSTS
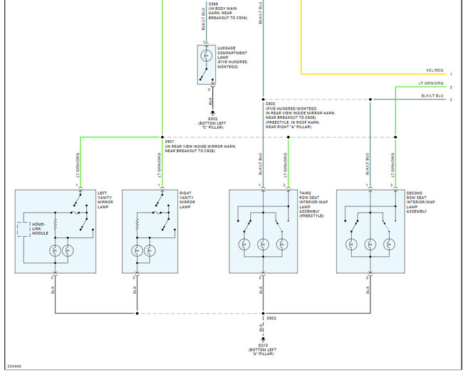
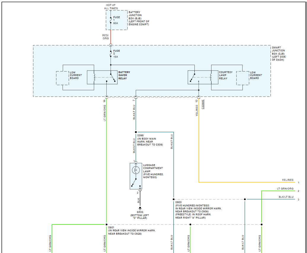
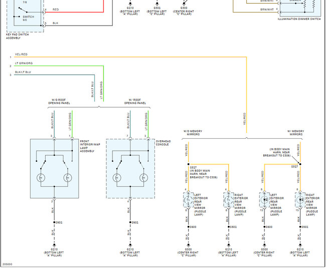
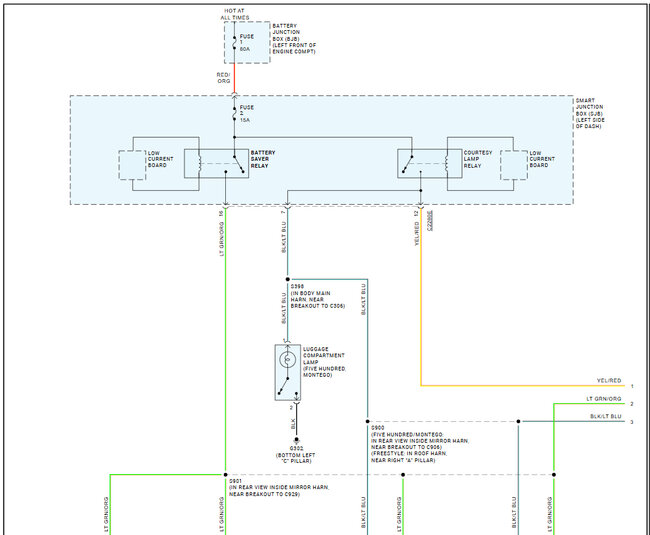
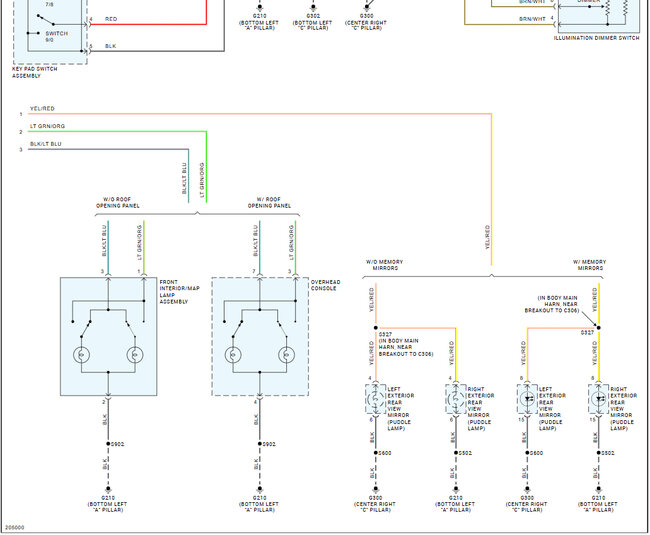
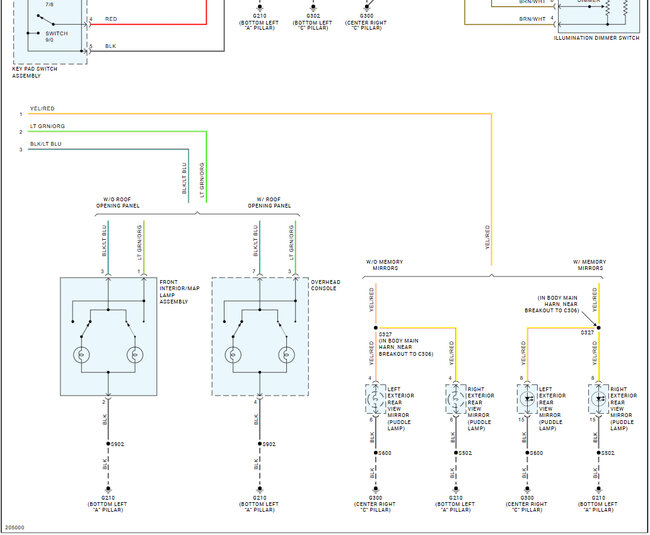
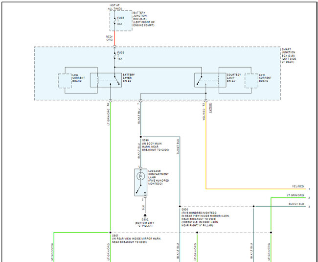
It looks like you have two separate problems, the f2 two goes to the courtesy light and battery saver relays so we will handle that problem on this thread, please start a new question for the window issue. So, the relays are intergraded into the smart junction box so if they are shorted you will need to open the box and change them out or change out the SJB. Here are the wiring diagrams for the courtesy light and battery saver relays so you can unplug/inspect things like the light in the trunk and the vanity light bulbs in the sun visors. Please see below for a complete list. Check out the images (below). Let us know what you find.
Was this
answer
helpful?
Yes
No
Sunday, July 13th, 2025 AT 1:08 PM

Please login or register to post a reply.