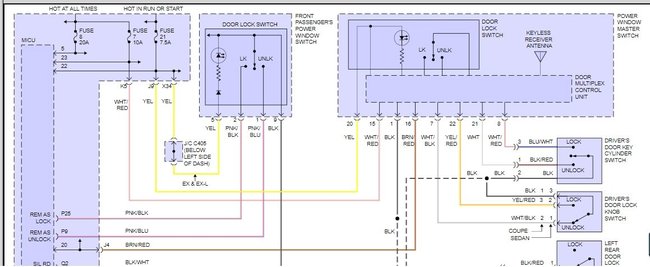
Monday, December 17th, 2018 AT 5:47 PM
My keys got locked in my car, a friend forced his arm through the driver side window that was partially opened, setting the alarm off. We got the alarm to go off but now the window and door lock controls are not working. Why?

