The driver's side window rolls down but will not roll up?

Tiny
KARLALANHESS
  • MEMBER
  • 2000 FORD E-SERIES VAN
  • 2WD
  • AUTOMATIC
  • 300,000 MILES
My driver's side window rolls down but will not roll up.
Tuesday, January 17th, 2023 AT 2:35 PM

1 Reply

Tiny
JACOBANDNICKOLAS
  • MECHANIC
  • 110,192 POSTS
Hi,

If it goes down, then it isn't a fuse-related issue.

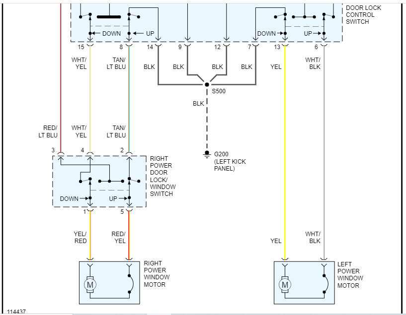
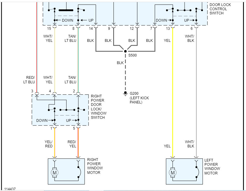
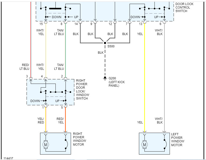
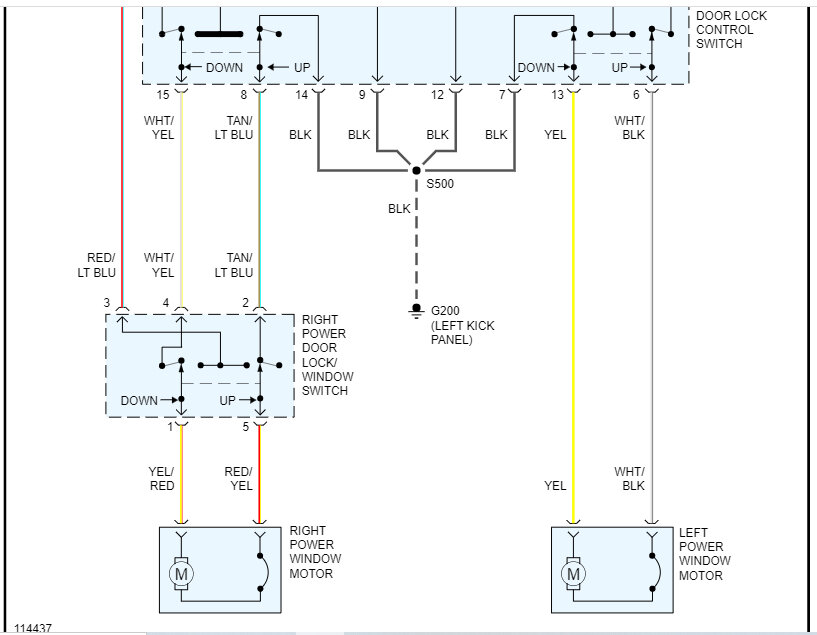
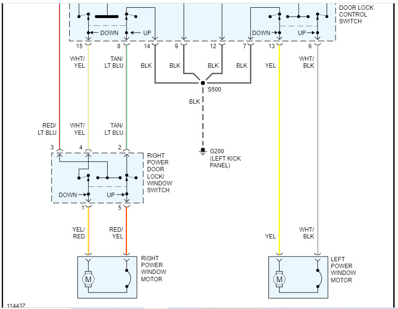
I need to explain how this works. At the window motor, there are two wires. One is a yellow wire, and the other is a white wire with a black tracer.

When you request the window to go down, power from the switch goes into the yellow wire to the motor and then out through the white/black wire to ground.

When you request the window to go up, the opposite happens. Power goes into the white/black wire to the window motor and then the yellow wire provides a ground path to complete the circuit.

Basically, you reverse the polarity (direction) of the power and the motor runs forward or backward based on that direction. So, that makes it easy to figure out. Actually, if there was a way to turn the connector around on the window motor and requested the window to go down when switched, the window would go up. LOL

Since you can't get it to go up, I need you to locate the black/white wire at the window motor. With a test light, connect the alligator clip to a known good ground. With the key on, request the window up while you probe the test light side to the white/black wire for power. If you have power when the test lamp provides the ground, then we have a ground issue. If the light isn't turning on, the switch is the likely problem.

I attached the wiring schematic below of the circuit so that you have a reference.

Try this and let me know what you find or if you have questions.

Take care,

Joe

See pics below.

Note: I cut the wiring schematic into two parts to make it readable. I did overlap the two.
Was this
answer
helpful?
Yes
No
Tuesday, January 17th, 2023 AT 7:30 PM

Please login or register to post a reply.