Electrical issues after installing back up camera

Tiny
AMY HUNDLEY
  • MEMBER
  • 2004 GMC SIERRA
  • 6.0L
  • V8
  • 4WD
  • AUTOMATIC
  • 100,000 MILES
Put a new radio in the truck and everything was working fine. Went back to add in the backup camera about a week later that hooks straight to the radio. Now the 2 front door windows will not roll up. There is no power to the driver door period and the passenger won't work either. No clue what happened or how to fix it. Please help.
Tuesday, September 8th, 2020 AT 5:48 PM

9 Replies

Tiny
KASEKENNY
  • MECHANIC
  • 18,907 POSTS
When you say you have no power to the driver door, do you mean nothing works on the door or you check for voltage at the door and there was no voltage?

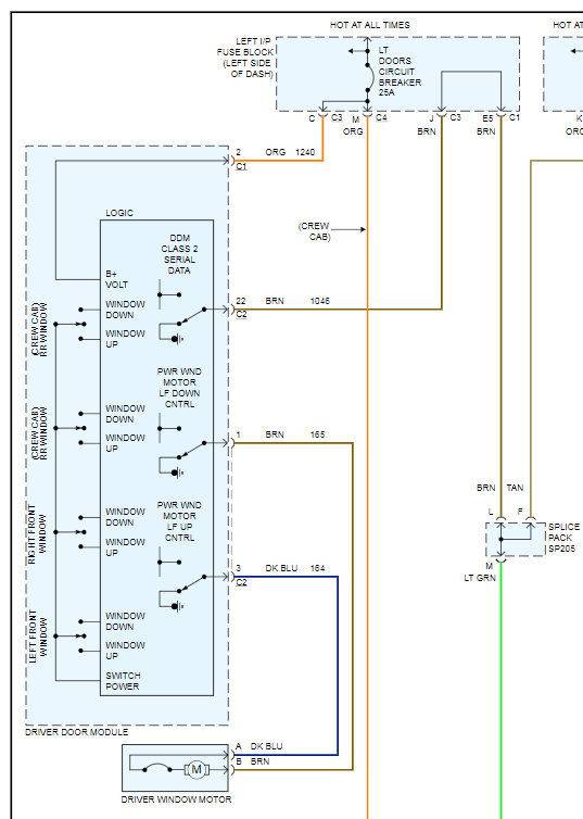
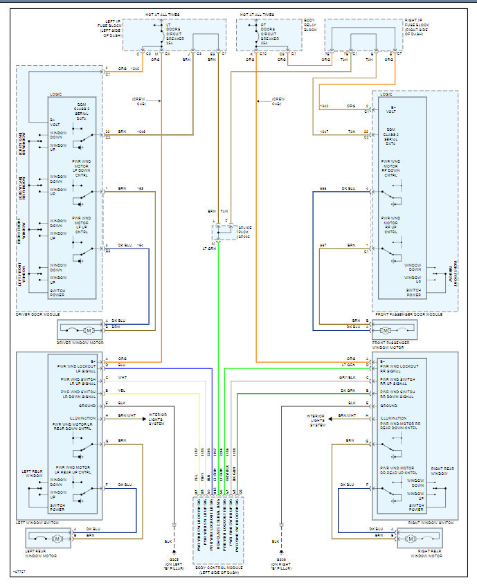
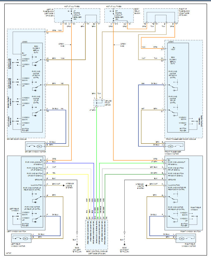
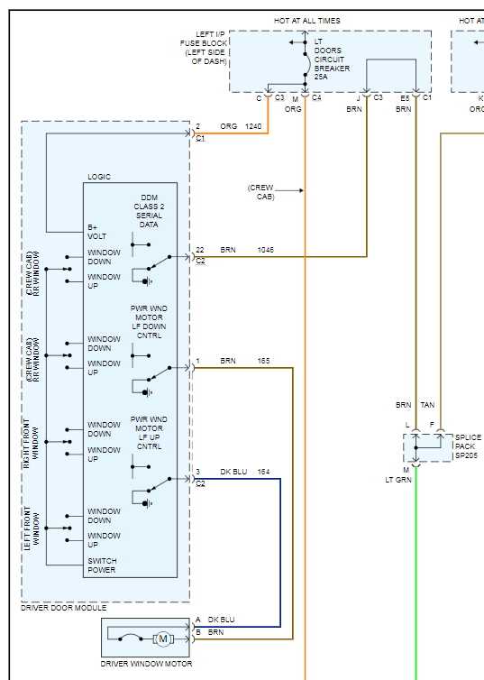
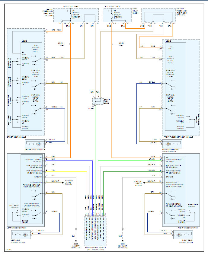
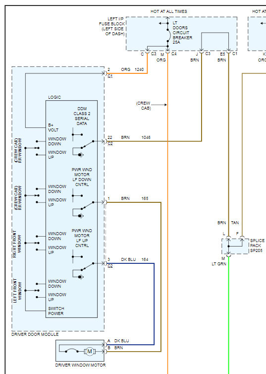
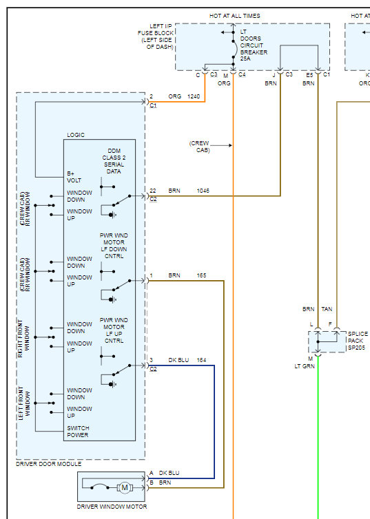
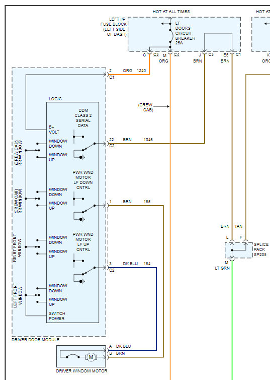
I included the wiring diagrams that we need to verify voltage to the door module on the power feed wire. If not we need to check the 25 amp fuse shown.

Also, when you added the back up camera what did you take apart to install this? Just trying to figure out if there was something related.
Was this
answer
helpful?
Yes
No
-1
Tuesday, September 8th, 2020 AT 6:03 PM
Tiny
AMY HUNDLEY
  • MEMBER
  • 5 POSTS
Only connected the radio to the factory stereo connector. Bypassed the factory Bose Amp!
Stereo has plug and play backup camera. Only wire connection would be to the reverse light on the rear driver side for signal. And a ground at the chassis.
No power to driver side or passenger controls.
Was this
answer
helpful?
Yes
No
-1
Tuesday, September 8th, 2020 AT 7:56 PM
Tiny
KASEKENNY
  • MECHANIC
  • 18,907 POSTS
We need to check the CB-LT door fuse labeled in the IP fuse block. Let me know if that checks out and we can go from there.

Clearly things are not connecting between what happened and the current issue so we need to start at the basics.
Was this
answer
helpful?
Yes
No
+1
Tuesday, September 8th, 2020 AT 8:19 PM
Tiny
AMY HUNDLEY
  • MEMBER
  • 5 POSTS
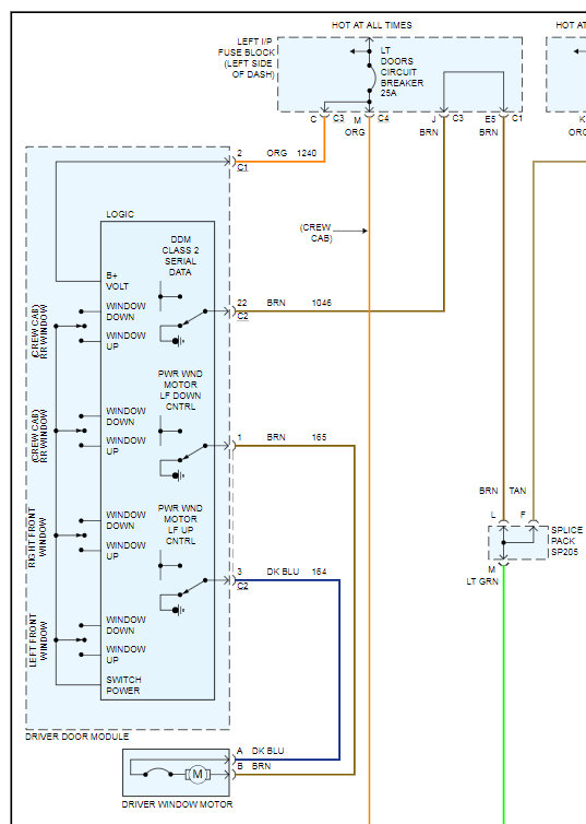
Cleaned all contacts and control module.I have checked power to the fuse panel.(That's good) I have checked power on the 4 wire connector. (That's good) the main brain connector (orange wire) has no power though. Also, is there a relay that I am missing?
Was this
answer
helpful?
Yes
No
Wednesday, September 9th, 2020 AT 5:25 PM
Tiny
KASEKENNY
  • MECHANIC
  • 18,907 POSTS
Just to be clear you are on the driver door module with the orange wire and you have no power? If that is the case and the fuse is okay, you have a wiring issue. Try jumping 12 volts to the driver door module orange wire and see if it starts operating. If you do then you have a wiring issue again, assuming the fuse is good.
Was this
answer
helpful?
Yes
No
Wednesday, September 9th, 2020 AT 6:44 PM
Tiny
AMY HUNDLEY
  • MEMBER
  • 5 POSTS
The plug on the left. I do not have power to that one. But I do have power to the window motor. Just doesn't work. No lights on the control module either.
I check the Ohms on the fuse, and changed it with another.
Was this
answer
helpful?
Yes
No
Wednesday, September 9th, 2020 AT 6:57 PM
Tiny
KASEKENNY
  • MECHANIC
  • 18,907 POSTS
Okay. Those are different circuits. The power for the driver door module window circuit is on C1 pin 2. That connector that you show in the picture is C2.

If you have no power to that connector then that may explain why you have no lights as the courtesy lamp circuit on it for the left side.

As for the window, if you have power to the motor then the motor is most likely the issue.

Are you sure all this happened at the same time and all you did was install this backup camera? I ask just because it is not adding up so I understand your confusion if this did all happen at one time.
Was this
answer
helpful?
Yes
No
Wednesday, September 9th, 2020 AT 7:17 PM
Tiny
AMY HUNDLEY
  • MEMBER
  • 5 POSTS
All happened at one time. No power to either the drivers side nor the passenger side! Dome light doesn't work either. Seats work, radio works. Unhooked the one wire I hooked to the reverse light.
Still nothing.
Is there something in the driver control module that could cause this.
Was this
answer
helpful?
Yes
No
Wednesday, September 9th, 2020 AT 7:47 PM
Tiny
KASEKENNY
  • MECHANIC
  • 18,907 POSTS
Well the driver door control module controls each of these items but they are all separate. Unless something happened to short this out it just doesn't seem to add up with what was done for it to all happen as once.

If you look at the wiring diagram it shows that the windows and switches for each side have separate fuses to each door module.

Let's just focus on one issue and fix that and see if the others get fixed as well.

Go to the DDM and check voltage on each of these wires when using the switch. Or just measure voltage at the motor when you are rolling up/down the window and tell us if you have voltage there.

I think you said earlier that you did have voltage at the motor. If you do then the motor is the issue. Let's start here and then move on. We basically just need to start somewhere and fix one of them and hope they are all related and they all get fixed. Trying to figure out the common component does not seem like it is going to pan out as there is nothing obvious.
Was this
answer
helpful?
Yes
No
Thursday, September 10th, 2020 AT 6:53 PM

Please login or register to post a reply.