The window goes down but will not go up?

Tiny
EDVAZ5138
  • MEMBER
  • 1997 HONDA CRV
  • 1.2L
  • 4 CYL
  • 2WD
  • AUTOMATIC
  • 268,000 MILES
Three new motors and one regulator. Checked fuses, window switch and still window will not go up only down. I check the power and there is power into the motor wire all the way from the switch to the wire that is connected to the motor.
What could be wrong?
Wednesday, August 3rd, 2022 AT 11:24 PM

1 Reply

Tiny
JACOBANDNICKOLAS
  • MECHANIC
  • 110,194 POSTS
Hi,

I am basing this on the problem related to the driver's side front window.

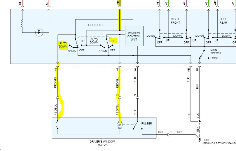
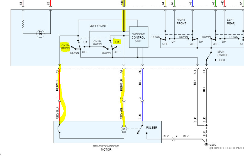
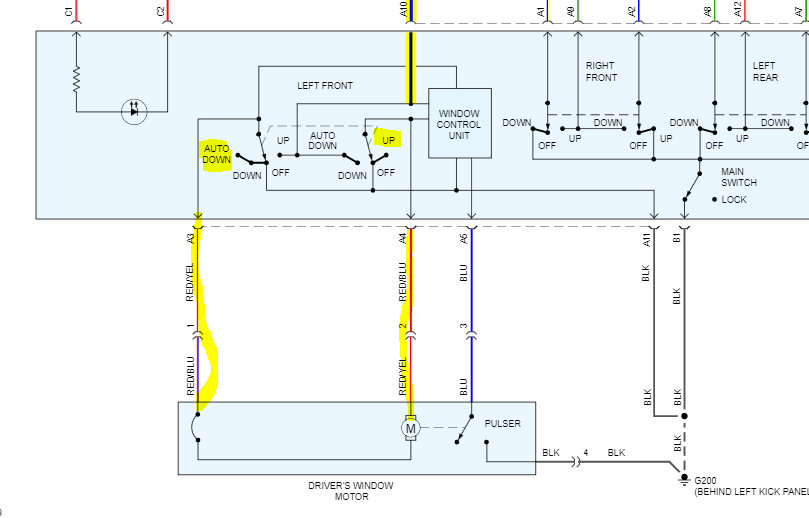
First, I feel you have a bad switch. Here is how it works. I realize you have power from the switch to the motor, but if you are checking only one wire, which is only going to allow the motor (in this case) to go down.

For the window to go up, the direction of power (polarity) has to change directions. So, one wire will get power for the window to go down, and the opposite wire on the motor will get power to make the window go up. Regardless of which wire gets power, it is the opposite wire that functions as a ground.

Take a look at the pic below. See if you get power to one of the wires when the switch is in the up position.

Let me know what you find.

Take care,

Joe

See pic below.
Was this
answer
helpful?
Yes
No
Thursday, August 4th, 2022 AT 5:46 PM

Please login or register to post a reply.