Window panel issue

Tiny
TAKAYA KAYA JOHNSON
  • MEMBER
  • 2010 NISSAN ALTIMA
  • 0.5L
  • 4 CYL
  • 2WD
  • AUTOMATIC
  • 10,625 MILES
Driver door power window control panel not working to operate front passenger window at all, but it works for the driver window. I will have to reach over to the passenger side window panel to roll it down.
Saturday, March 16th, 2019 AT 10:19 AM

7 Replies

Tiny
KEN L
  • MASTER CERTIFIED MECHANIC
  • 55,097 POSTS
Hello,

It sounds like the main window switch (drivers side) has stopped working correctly. here is a guide to confirm the failure and diagrams below to show you how to replace the switch on your car which you must get from the dealer:

https://www.2carpros.com/articles/electric-window-repair

Check out the diagrams (below). Please let us know what happens.
Was this
answer
helpful?
Yes
No
Monday, March 18th, 2019 AT 1:13 PM
Tiny
JOETECHPRO
  • MECHANIC
  • 705 POSTS
Hey TAKAYA KAYA JOHNSON,

From the drivers door switch do any of the other windows not work or just the passenger front?

If none of the other windows work from the drivers switch block they may be disabled.

There is a button above the drivers window switches shown in the picture below that deactivates the other windows for child safety.

Please try pressing this button and then retry.

Regards, Joe
Was this
answer
helpful?
Yes
No
Monday, March 18th, 2019 AT 1:24 PM
Tiny
TAKAYA KAYA JOHNSON
  • MEMBER
  • 8 POSTS
Yes, the driver window goes up and down from the driver switch. I checked to see if it’s disable and it’s not.
Was this
answer
helpful?
Yes
No
Monday, March 18th, 2019 AT 1:33 PM
Tiny
JOETECHPRO
  • MECHANIC
  • 705 POSTS
Hey TAKAYA KAYA JOHNSON,

Just to confirm, do the rear windows work from the drivers door control panel?

Regards, Joe
Was this
answer
helpful?
Yes
No
Monday, March 18th, 2019 AT 5:49 PM
Tiny
TAKAYA KAYA JOHNSON
  • MEMBER
  • 8 POSTS
It’s a coupe.
Was this
answer
helpful?
Yes
No
Tuesday, March 19th, 2019 AT 4:34 AM
Tiny
KEN L
  • MASTER CERTIFIED MECHANIC
  • 55,097 POSTS
Yes, it sounds like the main switch as gone out. You can use the guide above to confirm or get a new switch and install it.
Was this
answer
helpful?
Yes
No
Tuesday, March 19th, 2019 AT 10:16 AM
Tiny
JOETECHPRO
  • MECHANIC
  • 705 POSTS
Hey TAKAYA KAYA JOHNSON,

Ah, okay awesome. Sorry I should have confirmed before.

So then as Ken said previously it looks like an issue with the drivers door switch panel, or potentially an issue with the wiring from the drivers door switch to the passenger switch.

To confirm it is the switch panel you will need to remove the drivers door switch and use a multi-meter to see if there is power/reversed power at the switch connector.

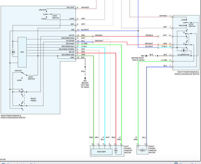
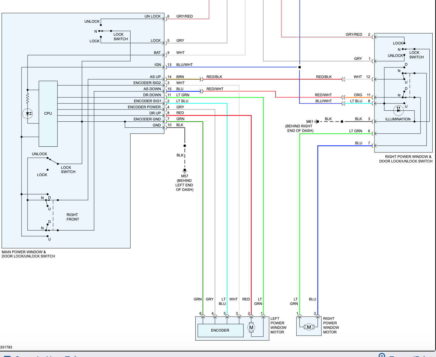
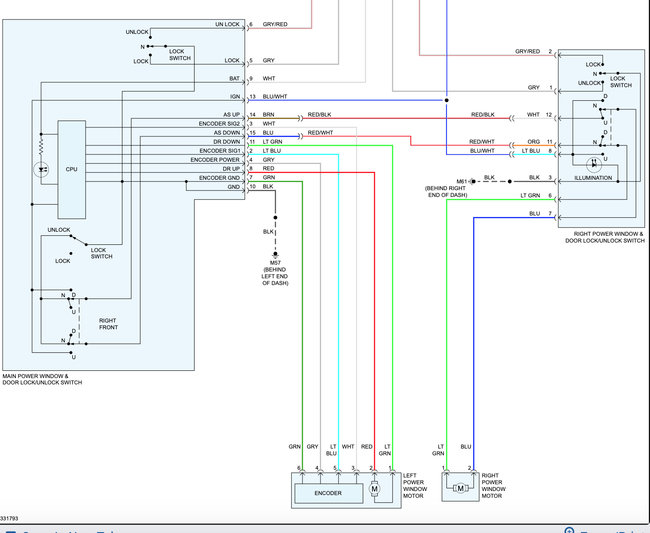
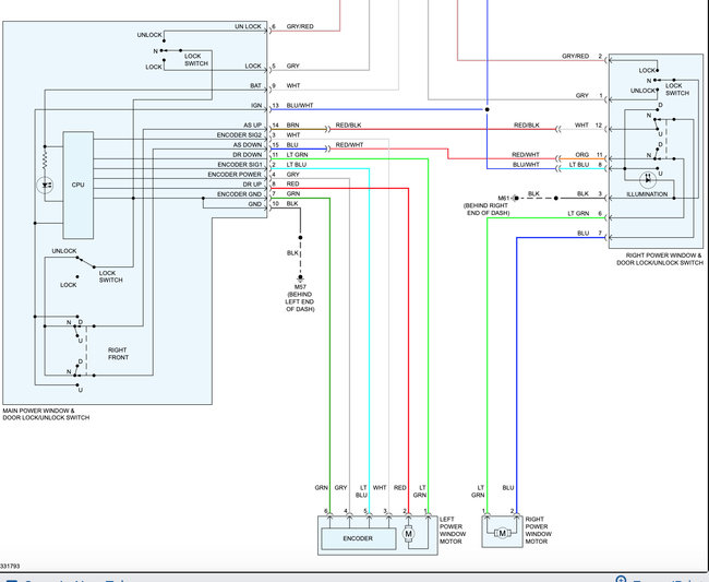
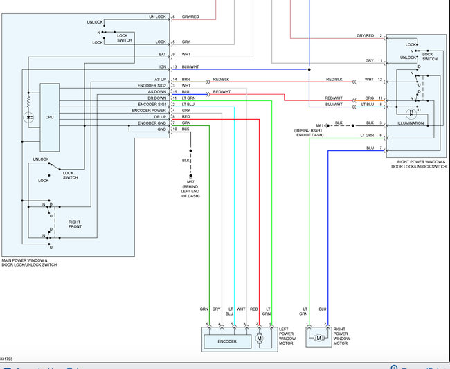
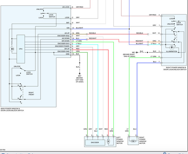
I have attached the wiring diagram for the system below.

With the switch removed from the door panel but still plugged in, ignition on, test for voltage. Probe at the back of the connector between pins 14 and 15. You should have 12 volts or -12 volts when actuating the passenger window up or down. If not the switch is fault, if you have power there we will then move on to checking wiring across to the passenger switch.

Hope that helps, any further questions let me know.

Regards, Joe
Was this
answer
helpful?
Yes
No
Tuesday, March 19th, 2019 AT 10:35 AM

Please login or register to post a reply.