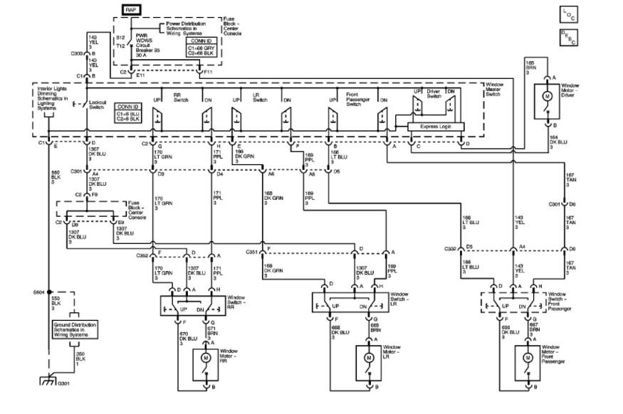
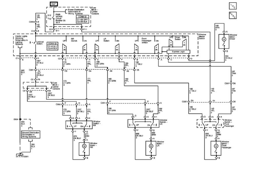
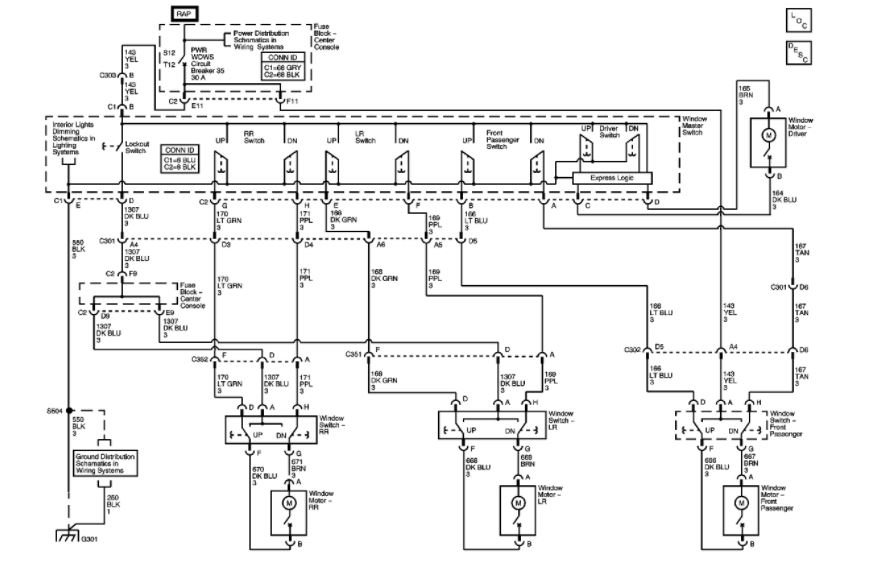
I have voltage at the motor and tried replacing the window motor, but that did not change anything.
I pulled the switch from the other side of the vehicle and it did not change the symptoms.
I have around twelve volts on the meter when the switch is pressed down, however when I press it up the voltage jumps all over in the mV range but does not settle on a -12v like I expected it would.
I am a little stumped in where to dig into next.
the symptoms are the same if the switch is used on the drivers door to control the rear windows.
Any help would really be appreciated. Thanks!
Wednesday, March 14th, 2018 AT 7:45 PM

