Thursday, January 9th, 2020 AT 10:55 AM
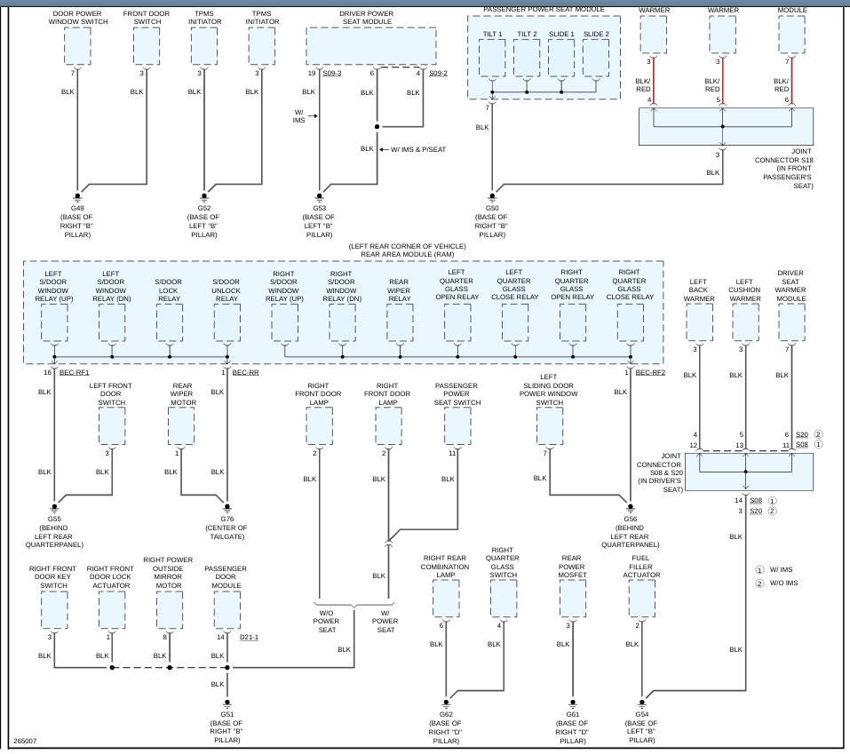
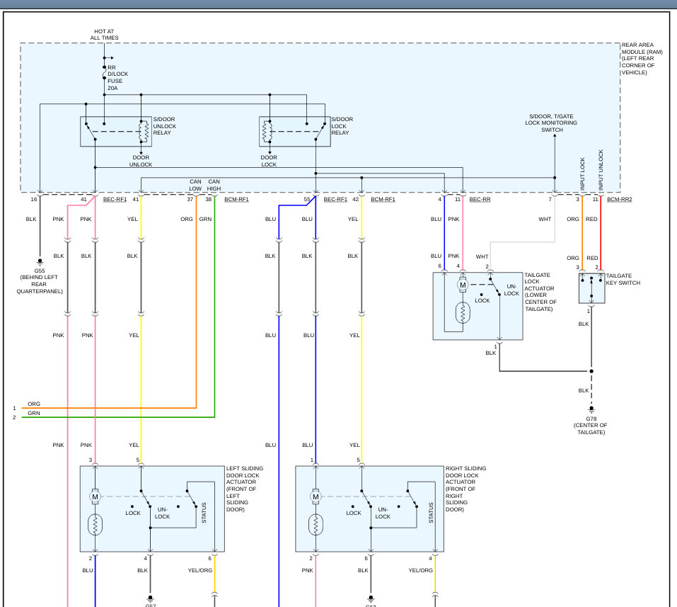
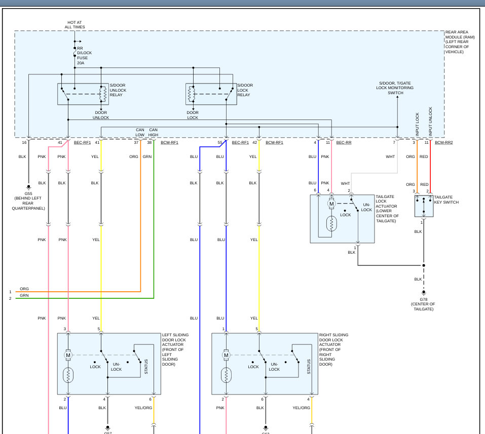
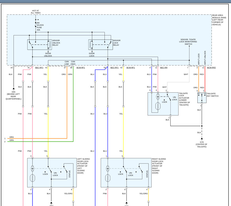
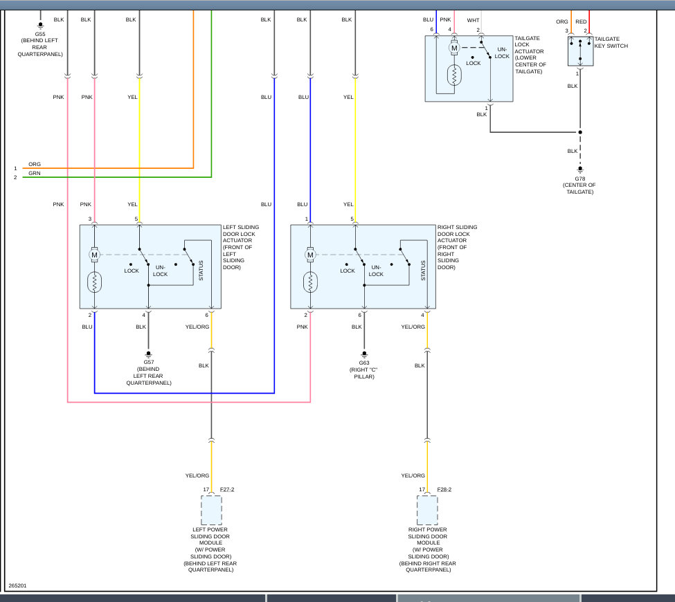
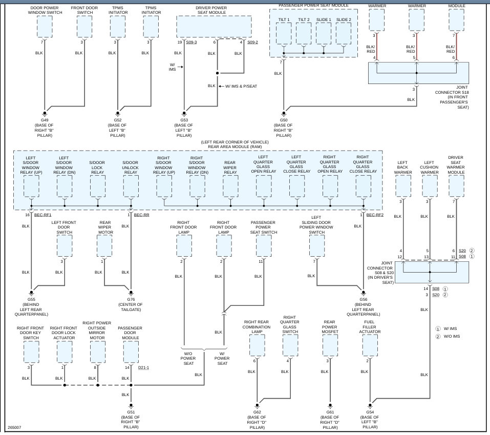
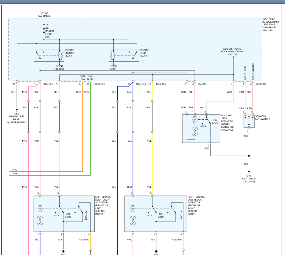
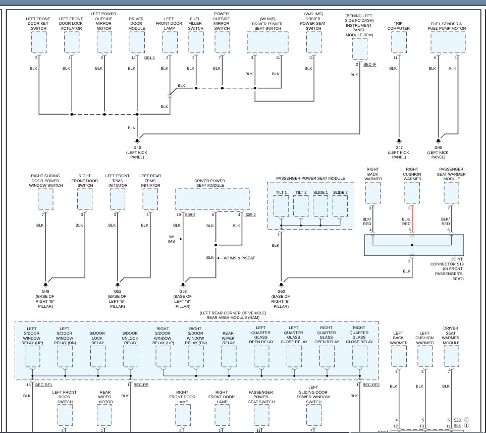
Suddenly all my window and door buttons dont work on driver door except driver window. Also gas tank door button stopped working too. Checked fuses and found nothing wrong. But driver side is only window it will control. If I need to remove the button unit I would need some guidance getting it out.














