Thursday, February 10th, 2022 AT 1:10 AM
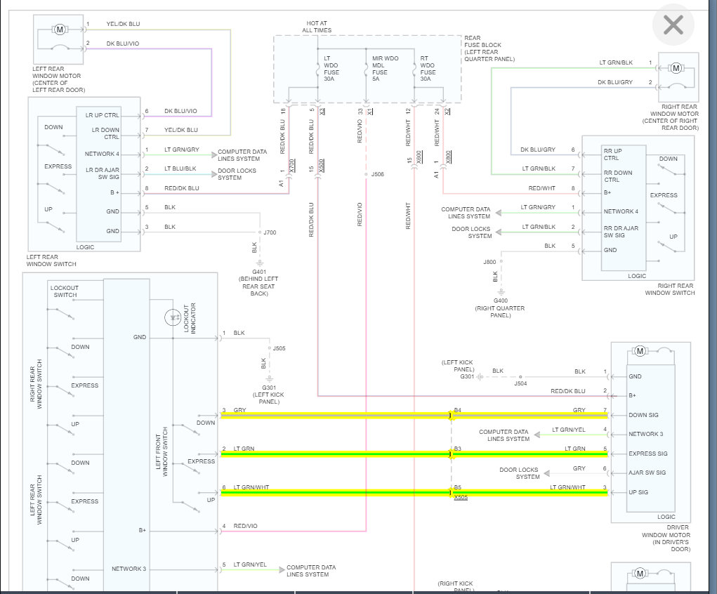
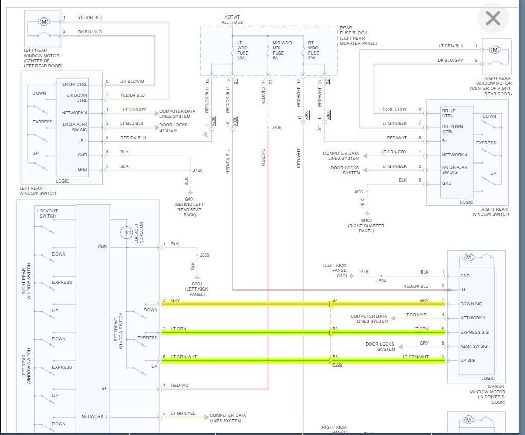
Hi there, I seem to have an issue with my car door. My driver's side door window no longer works. The switch does nothing. I bought a new motor thinking it was that but that did not fix the problem. Also, when I open the door, the car does not register that it is open or closed. I replaced the door control module and that did not fix it. All the other switches work and so does the locking and unlocking switch.


