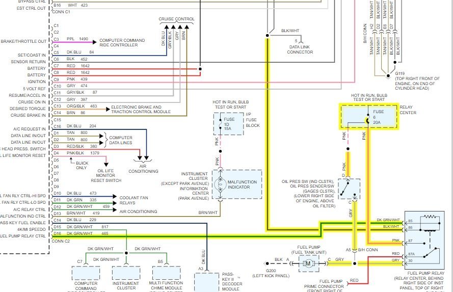
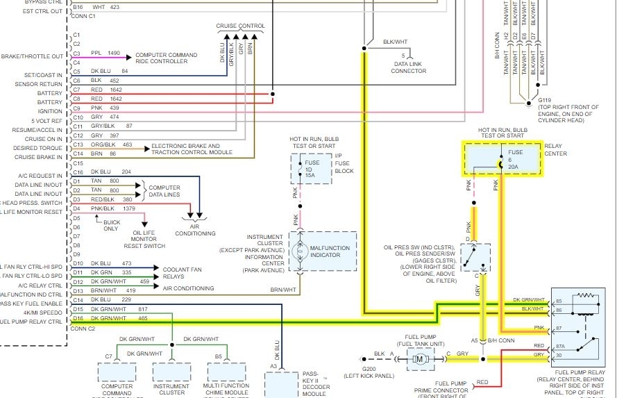
Monday, September 23rd, 2019 AT 1:35 PM
Will start with either, will run won't start without either. Fuel pump works, getting spark, new battery. Cranks won't start.



