Will not charge

Tiny
TODD BARNHILL
  • MEMBER
  • 1999 FORD F-250
  • 5.4L
  • V8
  • 4WD
  • MANUAL
  • 212,000 MILES
I have a 1999 F250 5.4L, it will not charge I bought a new altenator and I had it tested before I left, it tested good, but it still will not charge. I checked the fuseable links one was corroded bad and I replaced it and still it will not charge. Please help. Thanks
Tuesday, February 16th, 2016 AT 3:39 PM

22 Replies

Tiny
CJ MEDEVAC
  • MECHANIC
  • 11,005 POSTS
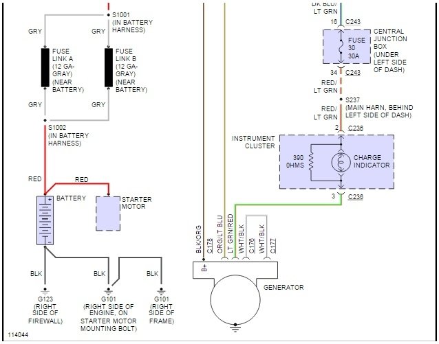
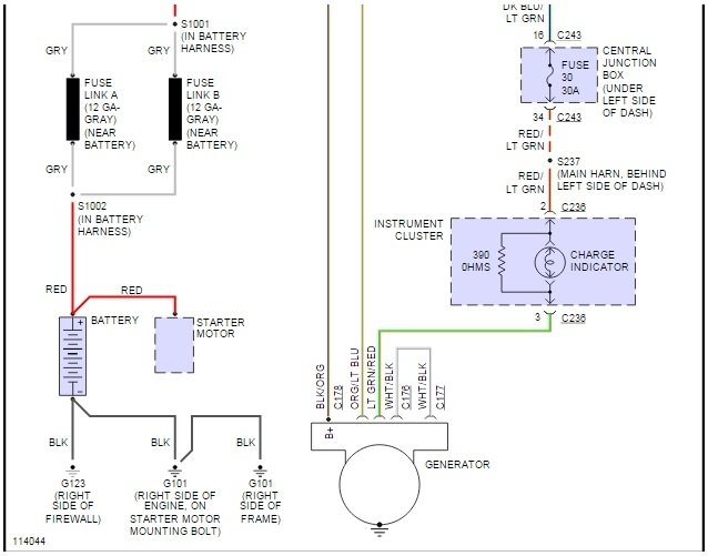
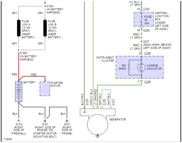
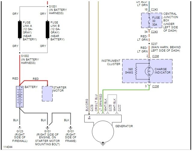
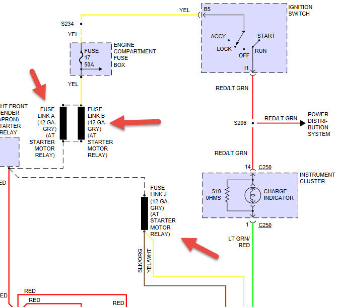
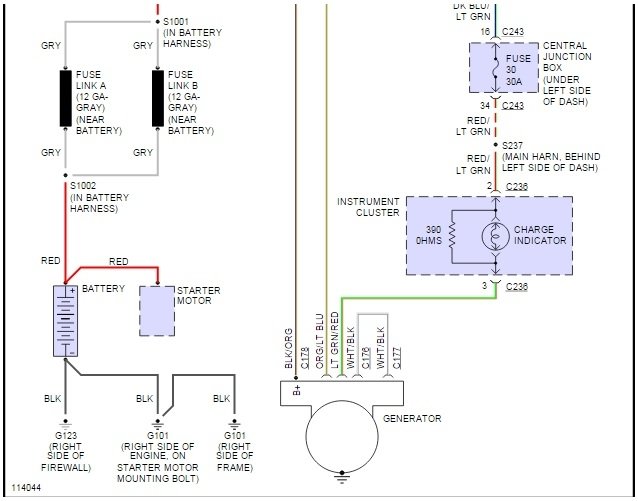
Here is a diagram of the charging system from "prodemand"

i had to make two screenshots to get the diagram

they overlap- the first is the top half and the second is the bottom half.

This shows "the works"-fuses-components-locations!

Let me know if this helps

the medic
Was this
answer
helpful?
Yes
No
Tuesday, February 16th, 2016 AT 4:20 PM
Tiny
TODD BARNHILL
  • MEMBER
  • 3 POSTS
Hey medic thanks, I will check the other fuses, but I was told that the plug on the back of the alternator can go bad. What do you think?
Was this
answer
helpful?
Yes
No
Tuesday, February 16th, 2016 AT 4:30 PM
Tiny
CJ MEDEVAC
  • MECHANIC
  • 11,005 POSTS
Well,

you said it was tested at the parts store

surely they were plugged into the connection in order to give it a thumbs up.

Check your other stuff

return with a grin!

The medic
Was this
answer
helpful?
Yes
No
Tuesday, February 16th, 2016 AT 5:35 PM
Tiny
TODD BARNHILL
  • MEMBER
  • 3 POSTS
Yes it did, but I was talking about the plug on the truck maybe having a broken wire in the plug that plugs into the alternator.
Was this
answer
helpful?
Yes
No
Tuesday, February 16th, 2016 AT 7:13 PM
Tiny
CJ MEDEVAC
  • MECHANIC
  • 11,005 POSTS
You can run a continuity test through them

if you can find the other end of the wire

or simply stick a "straight pin" through-into the insulation in various places of the wire. One lead to the connector pin/ spade etc. The other lead to the "pin" or other end of the wire. If there is a break, the "ohms" won't show on the meter.

Harbor freight has decent digital voltmeters for about $5

these pictures were made back/ when I first started computering (i' m an old dog, cyber box was a new trick six years ago) maybe you can understand my definitions on using the voltmeter.

Take your battery loose first!

The medic
Was this
answer
helpful?
Yes
No
Tuesday, February 16th, 2016 AT 8:14 PM
Tiny
FMENGHINI
  • MEMBER
  • 1 POST
  • 1998 FORD F-250
1998 Ford Ranger, 4.0 V6, 80,000 miles
Charging system quits when gets to about 2500 rpm. Volt meter drops and Batt light on dash comes on. At Idle and lower RPM, system is normal. What could be the problem?
Thanks, -Fred
Was this
answer
helpful?
Yes
No
Friday, June 12th, 2020 AT 12:33 PM (Merged)
Tiny
COSMO
  • MECHANIC
  • 347 POSTS
Sounds like it could just be a worn out set of brushes in the alt. Or a worn out rectifier in the alt.

Check all the connections for corrosion or burning. If none, use a volt meter on the main power wire of the alt itself and check for the voltage to drop. If yes. Probably worn out.

Have it checked out by a pro to make sure.

Cosmo. Mazda TEch
Was this
answer
helpful?
Yes
No
Friday, June 12th, 2020 AT 12:33 PM (Merged)
Tiny
BRET123
  • MEMBER
  • 1 POST
  • 1997 FORD F-250
  • V8
  • 4WD
  • AUTOMATIC
  • 137,000 MILES
While jump starting my friends car My truck just died. We re started it and it ran till the battery went dead and then died. I have replaced the 2 mega fuses and had the Altenator tested and it tested good. Put it all back together and have the same problem. Whats up with this.
Was this
answer
helpful?
Yes
No
Friday, June 12th, 2020 AT 12:33 PM (Merged)
Tiny
MERLIN2021
  • MECHANIC
  • 17,250 POSTS
Hook up a voltmeter accross the battery, start it up and see what the readings are, should get 13.8-15 volts, if not check the cables at both ends, you may have a corrosion problem, if cables are good, clean and tight, and readings are low, the alternator or regulator are bad, or a fusible link at the starter solinoid near the battery, the pos(+) cable runs over to it. Clean all those connections too. Remove neg(-) cable before working on electrical system and replace it last.
Was this
answer
helpful?
Yes
No
Friday, June 12th, 2020 AT 12:33 PM (Merged)
Tiny
1997F-250
  • MEMBER
  • 7 POSTS
  • 1997 FORD F-250
  • 7.3L
  • V8
  • TURBO
  • RWD
  • MANUAL
  • 203,000 MILES
Well, my voltmeter always reads low and my battery light is always on. I put two brand new batteries in it and just had the alternator rebuilt. Still have the problem. Changed the terminals and tightened them. Problems still there. I am not mechanic, but I am stumped.
Was this
answer
helpful?
Yes
No
+1
Friday, June 12th, 2020 AT 12:33 PM (Merged)
Tiny
CJ MEDEVAC
  • MECHANIC
  • 11,005 POSTS
And this puppy runs the batteries flat because Mr. Alternator is not charging the battery?

With a cheap handheld digital voltmeter ($5.00 at Harbor Freight) check out this link from "Repair Guides" at the top of our pages.

https://www.2carpros.com/articles/how-to-check-a-car-alternator

Return with results.

The Medic

Was this
answer
helpful?
Yes
No
Friday, June 12th, 2020 AT 12:33 PM (Merged)
Tiny
1997F-250
  • MEMBER
  • 7 POSTS
Alternator is not the problem. We replaced it a month ago and checked it to be sure. It is putting out and working good. If any electrical draw such as headlights, blower, etc. Two brand new batteries in the summer too. Stumped!
Was this
answer
helpful?
Yes
No
Friday, June 12th, 2020 AT 12:33 PM (Merged)
Tiny
1997F-250
  • MEMBER
  • 7 POSTS
If there is any electrical draw it will drain the battery engine running or not.
Was this
answer
helpful?
Yes
No
Friday, June 12th, 2020 AT 12:33 PM (Merged)
Tiny
HMAC300
  • MECHANIC
  • 48,601 POSTS
Let me add to this. There are three fusible links and a fuse that can effect this check those with test light or volt meter. It should be same volts on both sides if not the link may be bad, also, if it does more at low rpm check belt and tensioner as replacement for both is suggested at 60,000 miles as the tensioner loses tension and belt will wear. Do not go by cracking on belt it needs a gauge to measure it. If this is a 215 amp alternator then there is a difference and get back to me.
Was this
answer
helpful?
Yes
No
+1
Friday, June 12th, 2020 AT 12:33 PM (Merged)
Tiny
1997F-250
  • MEMBER
  • 7 POSTS
Brand new serpentine belt and new belt tensioner pulley.
Was this
answer
helpful?
Yes
No
Friday, June 12th, 2020 AT 12:33 PM (Merged)
Tiny
HMAC300
  • MECHANIC
  • 48,601 POSTS
Check the links I supplied in reply. Unless this is a 215 amp alternator, if it is there are more fuses.
Was this
answer
helpful?
Yes
No
Friday, June 12th, 2020 AT 12:33 PM (Merged)
Tiny
CJ MEDEVAC
  • MECHANIC
  • 11,005 POSTS
So back to this

The alternator is good AND IS CHARGING THE BATTERIES

There is a parasitic draw draining the batteries over time (like at night)

Does this scenario sorta resemble yours?

The Medic
Was this
answer
helpful?
Yes
No
Friday, June 12th, 2020 AT 12:33 PM (Merged)
Tiny
1997F-250
  • MEMBER
  • 7 POSTS
Not really no. The batteries hold a charge fine when the truck isn't running. They hold a charge even if it is running as long as i'm not running any electronics. But if it's running with any electrical draw, it kills the battery relatively quick. I really appreciate this help by the way!
Was this
answer
helpful?
Yes
No
Friday, June 12th, 2020 AT 12:33 PM (Merged)
Tiny
1997F-250
  • MEMBER
  • 7 POSTS
Also it's a single cab diesel dually, it doesn't have any extra ammentities such as power windows, power locks, power seats, etc.
Was this
answer
helpful?
Yes
No
Friday, June 12th, 2020 AT 12:33 PM (Merged)
Tiny
CJ MEDEVAC
  • MECHANIC
  • 11,005 POSTS
Yep,

Maybe a review again.

Digital Voltmeter (Harbor Freight $5)

Set it to 20 volts DC

Check battery voltage at battery posts - engine off (either battery, don't matter) Example 12.5 Volts

Now crank it up

Check the same battery posts, if the alternator is charging, there will be an improvement in the voltage, Example now it might read 14 Volts.

If there is no improvement, the alternator may be 'good', it's just not reaching the battery.

Beings that you have a Diesel, the only drain it takes is to crank it over (I'm no diesel guy, there may be little goodies that help run it, computer and such)

I can see the "no drain" when running, but when you fire up your headlights and such, you have a drain.

Are we sure the alternator is reaching the battery?

What are your test results with the voltmeter?

Not trying to be a pain, many folks never do the testing, they sling parts at it.

I'm sorta hung up on maybe a fusible link- Need your testing input!

The Medic
Was this
answer
helpful?
Yes
No
Friday, June 12th, 2020 AT 12:33 PM (Merged)

Please login or register to post a reply.